Каталог запасных частей к технике: ВгТЗ ДТ-75В, ДТ-75БВ, ДТ75Н. Насос водяной дизеля СМД-18Н
1
1
1
1
1
1
1
2
3
4
5
6
7
8
9
10
11
12
13
14
15
16
17
18
19
20
21
22
22
22
23
24
25
26
27
28
29
30
31
32
33
34
35
36
37
38
39
40
41
41
42
42
42
43
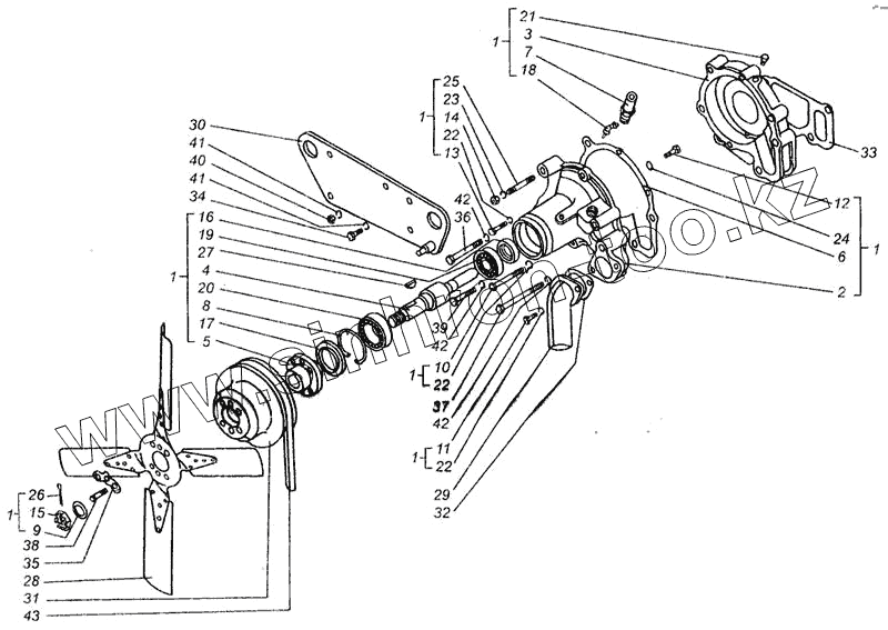
| Позиция на иллюстрации | Заводской номер детали | Название детали | |
|---|---|---|---|
| 18Н-13С1 | 18Н-13С1 | Насос водяной и вентилятор | |
| 1 | 18Н-13С2 | Насос водяной | |
| 2 | 18Н-1301 | Корпус водяного насоса | |
| 3 | СМД9-1303 | Крышка корпуса | |
| 4 | 22-1305 | Валик водяного насоса | |
| 5 | 22-1310 | Ступица шкива вентилятора | |
| 6 | СМД8-4318 | Прокладка корпуса | |
| 7 | 14Н-1335 | Штуцер | |
| 8 | 14-1359-1 | Кольцо Б-62 | |
| 9 | 14-1362 | Шайба | |
| 10 | М8-6gх70.56.016 | Болт ГОСТ 7795-70 | |
| 11 | М8-6gх20.56.016 | Болт ГОСТ 7796-70 | |
| 12 | 72-13175.00 | Болт | |
| 13 | М8-6gх30.56.016 | Болт ГОСТ 7796-70 | |
| 14 | М12-6Н.6.016 | Гайка ГОСТ 2524-70 | |
| 15 | М18-1.5-6Н.016 | Гайка ГОСТ 5933-73 | |
| 16 | 1,2-20х40-1 | Манжета ГОСТ 8752-79 | |
| 17 | 1,2-40х62-1 | Манжета ГОСТ 8752-79 | |
| 18 | 2.3.45Ц6 | Масленка | |
| 19 | 304 | Подшипник | |
| 20 | 305 | Подшипник | |
| 21 | IIIМТСХМ | Пробка КГ 1/8" | |
| 22 | 8.65Г.05 | Шайба ГОСТ 6402-70 | |
| 23 | 12.65Г.05 | Шайба ГОСТ 6402-70 | |
| 24 | 72-13173.00-01 | Шайба | |
| 25 | М12-То/6gх60.56.016 | Шпилька ГОСТ 22036-76 | |
| 26 | 4х28-005 | Шплинт ГОСТ 397-79 | |
| 27 | 6х9 | Шпонка | |
| 28 | 14Н-13С10-А | Вентилятор | |
| 29 | 14А-13С20-А | Патрубок | |
| 30 | 14-13С22 | Кронштейн грузовой | |
| 31 | 20-1302-А | Шкив вентилятора | |
| 32 | СМД9-1329 | Прокладка патрубка | |
| 33 | СМД2-1330 | Прокладка крыши водяного насоса | |
| 34 | 14-1341 | Болт | |
| 35 | 14-1357-1 | Шайба стопорная | |
| 36 | М12-6gх70.56.016 | Болт ГОСТ 7795-70 | |
| 37 | М12-6gх100.56.016 | Болт ГОСТ 7795-70 | |
| 38 | М10-6gх30.56.016 | Болт ГОСТ 7796-70 | |
| 39 | М12-6gх35.56.016 | Болт ГОСТ 7796-70 | |
| 40 | М10-6Н.6.016 | Гайка ГОСТ 2524-70 | |
| 41 | 10.65Г.05 | Шайба ГОСТ 6402-70 | |
| 42 | 12.65Г.05 | Шайба ГОСТ 6402-70 | |
| 43 | L11х10-1500 | Ремень зубчатый ГОСТ 5813-76 |
Содержащиеся в справочниках-каталогах запасные части и детали не предлагаются к продаже, а носят исключительно информационный характер