Каталог запасных частей к технике: ВгТЗ ДТ-75В, ДТ-75БВ, ДТ75Н. Головка цилиндров
2
2
2
2
2
2
2
2
2
2
3
3
4
5
5
6
7
8
9
10
11
11
12
13
14
15
15
15
16
17
18
19
19
19
20
20
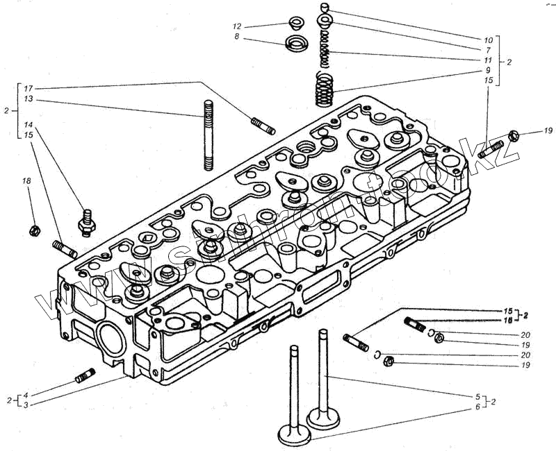
| Позиция на иллюстрации | Заводской номер детали | Название детали | |
|---|---|---|---|
| 18Н-06С1 | 18Н-06С1 | Головка цилиндров | |
| А05.11.080 | А05.11.080 | Клапан выпускной | |
| 14Н-06С1 | 14Н-06С1 | Головка цилиндров | |
| 1 | 14Н-06С8-1 | Прокладка головки | |
| 1 | 18Н-06С10 | Прокладка головки | |
| 2 | 14Н-06С9 | Головка с клапанами | |
| 2 | 23-06С9 | Головка с клапанами | |
| 3 | 14Н-06С2 | Головка цилиндров | |
| 3 | 23-06С2 | Головка цилиндров | |
| 4 | М10-То/6gх22.88.016 | Шпилька ГОСТ 22036-76 | |
| 5 | А05.11.009 | Клапан впускной | |
| 5 | А05.11.070-1 | Клапан впускной | |
| 6 | А05.11.008 | Клапан выпускной | |
| 7 | 15КФ-0640 | Тарелка | |
| 8 | 20-0640 | Тарелка | |
| 9 | 15КФ-0663 | Пружина клапана | |
| 9 | 15КФ-0663-А | Пружина клапана | |
| 10 | А67.11.001 | Сухарь-клапана | |
| 11 | 15КФ-0694 | Пружина клапана внутренняя | |
| 11 | 15КФ-0694-А | Пружина клапана внутренняя | |
| 12 | 20-0642 | Втулка тарелки | |
| 13 | 14-0695 | Шпилька | |
| 14 | Н-6011 | Ниппель проходной | |
| 15 | М10-То3/6gх35.56.016 | Шпилька ГОСТ 22034-76 | |
| 16 | М10-То3/6gх28.56.016 | Шпилька ГОСТ 22036-76 | |
| 17 | М12-То3/6gх30.56.016 | Шпилька ГОСТ 22036-76 | |
| 18 | М10-6Н.6.35.026 | Гайка ГОСТ 2524-70 | |
| 19 | М10-6Н.6.016 | Гайка ГОСТ 2524-70 | |
| 20 | 10.65Г.05 | Шайба ГОСТ 6402-70 |
Содержащиеся в справочниках-каталогах запасные части и детали не предлагаются к продаже, а носят исключительно информационный характер