Каталог запасных частей к технике: ВгТЗ ДТ-75В, ДТ-75БВ, ДТ75Н. Блок-картер
1
1
1
1
1
2
2
2
2
2
2
2
2
3
3
4
5
5
6
7
8
9
9
10
12
13
14
14
15
16
17
18
19
20
21
22
23
24
25
26
27
28
29
30
31
32
32
33
34
35
35
36
36
37
38
38
39
40
41
42
43
44
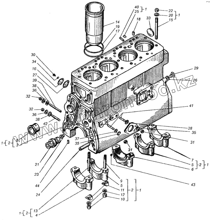
| Позиция на иллюстрации | Заводской номер детали | Название детали | |
|---|---|---|---|
| 18Н-01С1 | 18Н-01С1 | Блок-картер | |
| IVМТСХМ | IVМТСХМ | Пробка КГ 3/8" | |
| 5b8х10 | 5b8х10 | Штифт ГОСТ 3128-70 | |
| 22-0151 | 22-0151 | Втулка | |
| 22-0150 | 22-0150 | Шайба стопорная | |
| 22-0149 | 22-0149 | Гайка специальная | |
| 22-0148 | 22-0148 | Кольцо уплотнительное | |
| 22-0147 | 22-0147 | Фиксатор | |
| 22-01С7-А | 22-01С7-А | Форсунка | |
| 22-01С6-А | 22-01С6-А | Форсунка | |
| 22-0136 | 22-0136 | Подшипник распред. вала задний | |
| 22-0135 | 22-0135 | Подшипник распред. вала средний | |
| 14-01С1-1А | 14-01С1-1А | Блок-картер | |
| 1 | 14-01С13-А | Блок-картер | |
| 2 | 14-01С2-2А | Блок-картер | |
| 2 | 22-01С2-А | Блок-картер | |
| 3 | 14-0101-21 | Блок-картер | |
| 3 | 22-0101-А | Блок-картер | |
| 4 | 14-0104-2А | Крышка первого коренного подшипника | |
| 5 | 14-0105-3А | Крышка второго и четвертого коренных подшипников | |
| 6 | 14-0106-3А | Крышка третьего коренного подшипника | |
| 7 | 14-0107-3А | Крышка пятого коренного подшипника | |
| 8 | СМД14-0109 | Подшипник распределительного вала передний | |
| 9 | 22-0117 | Шпилька коренных подшипников | |
| 9 | 14-0117-1 | Шпилька коренных подшипников | |
| 10 | СМД1-0118 | Гайка коренных подшипников | |
| 12 | СМД7-0168 | Шайба специальная | |
| 13 | 14-0185 | Шпилька коренных подшипников | |
| 14 | 14-0102 | Гильза цилиндра | |
| 14 | 18Н-0102 | Гильза цилиндра | |
| 15 | 14-0116 | Шпилька крепления головки | |
| 16 | 14-0120 | Крышка фланца | |
| 17 | СМД9-0128-А | Кольцо уплотняющее | |
| 18 | СМД1-0130 | Заглушка | |
| 19 | 14-0141 | Кольцо | |
| 20 | 14-0150 | Шайба | |
| 21 | 14-01С18-А | Палец | |
| 22 | 14-0163 | Гайка | |
| 23 | СМД7-0164 | Пробка | |
| 24 | СМД7-0166 | Втулка направляющая | |
| 25 | 14-0196 | Пробка | |
| 26 | 14-0684 | Шайба | |
| 27 | 17К-2827 | Прокладка | |
| 28 | 10х1,5.04.05 | Шайба ГОСТ 10450-78 | |
| 29 | Н-5885 | Пробка резьбовая | |
| 30 | М8-6gх16.56.016 | Болт ГОСТ 7796-70 | |
| 31 | М10-6Н.6.016 | Гайка ГОСТ 2524-70 | |
| 32 | М12-6Н.6.016 | Гайка ГОСТ 2524-70 | |
| 33 | 60-08кп.кдз.хр.81 | Заглушка | |
| 34 | 8.65Г.05 | Шайба ГОСТ 6402-70 | |
| 35 | 10.65Г.05 | Шайба ГОСТ 6402-70 | |
| 36 | 12.65Г.05 | Шайба ГОСТ 6402-70 | |
| 37 | 10х1,5.04.05 | Шайба ГОСТ 10450-78 | |
| 38 | 12х2.04.05 | Шайба ГОСТ 11371-78 | |
| 39 | М12-То3/6gх115.56.016 | Шпилька ГОСТ 22034-76 | |
| 40 | М8-То3/6gх20.56.016 | Шпилька ГОСТ 22036-76 | |
| 41 | М10-То3/6gх22.56.016 | Шпилька ГОСТ 22036-76 | |
| 42 | М12-То3/6gх40.56.016 | Шпилька ГОСТ 22036-76 | |
| 43 | 5b8х10 | Штифт ГОСТ 3128-70 | |
| 44 | 8b8х10 | Штифт ГОСТ 3128-70 |
Содержащиеся в справочниках-каталогах запасные части и детали не предлагаются к продаже, а носят исключительно информационный характер