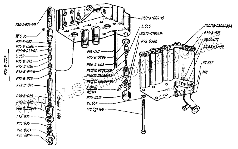
Каталог запасных частей к технике: ВгТЗ ДТ-75Н. Установка распределителя гидросистемы. Корпус в сборе
Р75-034
78.64.017
Р75-037А
54.53.402
Р75-В-028Б
Р75-В-028Б
Р40/75-0808039А
Р75-В-036
Р75-035
Р40/75-0808048Б
Р75-В-032
Р40/75-0808059А
Р75-033А
Р80-23-20.031
Р75-В-052
8Т.65Г
8Т.65Г
3.969
5.556
М8х120
М8
Р80-3-063
Р75-В-025
Р75-В-044-Б
Р40/75-0808049А
Р75-В-029
Р75-058Б
Р75-В-046
Р75-В-006А
Р75-В-027-01
М8.6gх100
Р80-2-003-10
Р80-2-024-40
Р75-051Б
НШ10-0101034
Р80-3-004-10
Р75-3-023
Р75-В-045
| Позиция на иллюстрации | Заводской номер детали | Название детали | |
|---|---|---|---|
| Р75-034 | Р75-034 | Стакан верхний | |
| Р75-В-031 | Р75-В-031 | Обойма фиксатора | |
| 78.64.017 | 78.64.017 | Патрубок сливной | |
| Р75-037А | Р75-037А | Пробка | |
| 54.53.402 | 54.53.402 | Прокладка | |
| Р75-В-028Б | Р75-В-028Б | Прокладка | |
| Р40/75-0808039А | Р40/75-0808039А | Прокладка нижняя | |
| Р75-В-036 | Р75-В-036 | Пружина бустера | |
| Р75-035 | Р75-035 | Пружина золотника | |
| Р40/75-0808048Б | Р40/75-0808048Б | Пружина предохранительного клапана | |
| Р75-В-032 | Р75-В-032 | Пружина фиксатора | |
| Р40/75-0808059А | Р40/75-0808059А | Направляющая предохранительного клапана | |
| Р75-033А | Р75-033А | Стакан нижний | |
| Р80-23-20.031 | Р80-23-20.031 | Фиксатор | |
| Р75-В-052 | Р75-В-052 | Фильтр | |
| 8Т.65Г | 8Т.65Г | Шайба | |
| 3.969 | 3.969 | Шарик | |
| 5.556 | 5.556 | Шарик | |
| 1У6.35 | 1У6.35 | Шарик | |
| М8х120 | М8х120 | Шпилька | |
| М8 | М8 | Гайка | |
| Р80-3-063 | Р80-3-063 | Гнездо предохранительного клапана | |
| Р75-В-025 | Р75-В-025 | Бустер | |
| Р75-В-044-Б | Р75-В-044-Б | Винт регулировочный | |
| Р40/75-0808049А | Р40/75-0808049А | Винт регулировочный | |
| Р75-В-029 | Р75-В-029 | Втулка фиксаторная | |
| Р75-058Б | Р75-058Б | Гайка | |
| М8.7Н.6 | М8.7Н.6 | Гайка | |
| Р75-В-046 | Р75-В-046 | Гильза золотника | |
| Р75-В-006А | Р75-В-006А | Гильза золотника | |
| Р75-В-027-01 | Р75-В-027-01 | Гнездо клапана бустера | |
| М8.6gх100 | М8.6gх100 | Болт | |
| Р80-2-003-10 | Р80-2-003-10 | Золотник | |
| Р80-2-024-40 | Р80-2-024-40 | Золотник | |
| Р75-51-Б | Р75-51-Б | Колпачок | |
| Р75-051Б | Р75-051Б | Колпачок | |
| НШ10-0101034 | НШ10-0101034 | Кольцо уплотнительное | |
| Р80-3-004-10 | Р80-3-004-10 | Корпус распределителя | |
| Р80-3-021-10-01 | Р80-3-021-10-01 | Корпус распределителя | |
| Р75-3-023 | Р75-3-023 | Крышка нижняя | |
| Р75-В-045 | Р75-В-045 | Направляющая клапана бустера |
Содержащиеся в справочниках-каталогах запасные части и детали не предлагаются к продаже, а носят исключительно информационный характер