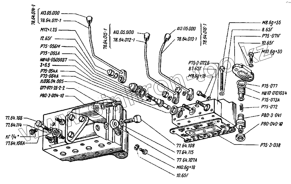
Каталог запасных частей к технике: ВгТЗ ДТ-75Н. Установка распределителя гидросистемы
Р75-054-А
78.64.011-1
78.64.014-1
78.64.013-1
78.64.016-1
78.64.012-1
78.64.015-1
77.64.106А
77.64.107А
Р75-071Г
А13.05.000
А13.05.000
А13.05.000
Р75-056М
8Т.65Г
10.65Г
10.65Г
12.65Г
8.65Г
77.64.115
77.64.114
3х6.5
Н.036.04.005
Р75-77
М8.6gх16
М8.6gх55
М10.6gх18
М10.6gх30
77.64.108
М12х1,25
Р80-040-10
Р80-3-041
Р75-065-А
Р75-064-А
77.64.105
017-021-25-2-2
НШ10-0101034
НШ46-0505037
Р80-3-004-10
Р75-3-022Б
Р75-073А
КГ1/4
Р75-3-038
Р75-072
| Позиция на иллюстрации | Заводской номер детали | Название детали | |
|---|---|---|---|
| 78.64.001 | 78.64.001 | Установка распределителя | |
| Р75-054-А | Р75-054-А | Рычаг | |
| 78.64.011-1 | 78.64.011-1 | Рычаг левый | |
| 78.64.014-1 | 78.64.014-1 | Рычаг левый | |
| 78.64.013-1 | 78.64.013-1 | Рычаг правый | |
| 78.64.016-1 | 78.64.016-1 | Рычаг правый | |
| 78.64.012-1 | 78.64.012-1 | Рычаг средний | |
| 78.64.015-1 | 78.64.015-1 | Рычаг средний | |
| 77.64.106А | 77.64.106А | Угольник поворотный | |
| 77.64.107А | 77.64.107А | Угольник поворотный | |
| Р75-071Г | Р75-071Г | Упор | |
| А13.05.000 | А13.05.000 | Рукоятка управления | |
| Р75-056М | Р75-056М | Чехол | |
| 8Т.65Г | 8Т.65Г | Шайба | |
| 10.65Г | 10.65Г | Шайба ГОСТ 6402-70 | |
| 12.65Г | 12.65Г | Шайба ГОСТ 6402-70 | |
| 8.65Г | 8.65Г | Шайба ГОСТ 6402-70 | |
| 77.64.115 | 77.64.115 | Шайба большая | |
| 77.64.114 | 77.64.114 | Шайба малая | |
| 3х6.5 | 3х6.5 | Шпонка | |
| Н.036.04.005 | Н.036.04.005 | Штуцер проходной | |
| Р75-77 | Р75-77 | Кольцо У-35х30-3 | |
| М8.6gх16 | М8.6gх16 | Болт | |
| М8.6gх55 | М8.6gх55 | Болт | |
| М10.6gх18 | М10.6gх18 | Болт | |
| М10.6gх30 | М10.6gх30 | Болт | |
| 77.64.108 | 77.64.108 | Болт поворотного угольника | |
| М12х1,25 | М12х1,25 | Гайка | |
| Р80-040-10 | Р80-040-10 | Гнездо | |
| Р80-3-041 | Р80-3-041 | Клапан перепускной | |
| Р75-065-А | Р75-065-А | Кольцо верхнее | |
| Р75-064-А | Р75-064-А | Кольцо нижнее | |
| 77.64.105 | 77.64.105 | Болт | |
| 017-021-25-2-2 | 017-021-25-2-2 | Кольцо уплотнительное | |
| НШ10-0101034 | НШ10-0101034 | Кольцо уплотнительное | |
| НШ46-0505037 | НШ46-0505037 | Кольцо уплотнительное | |
| Р80-3-004-10 | Р80-3-004-10 | Корпус распределителя | |
| Р75-3-022Б | Р75-3-022Б | Крышка верхняя | |
| Р75-073А | Р75-073А | Направляющая клапана | |
| КГ1/4 | КГ1/4 | Пробка | |
| Р75-3-038 | Р75-3-038 | Прокладка верхняя | |
| Р75-072 | Р75-072 | Пружина перепускного клапана |
Содержащиеся в справочниках-каталогах запасные части и детали не предлагаются к продаже, а носят исключительно информационный характер