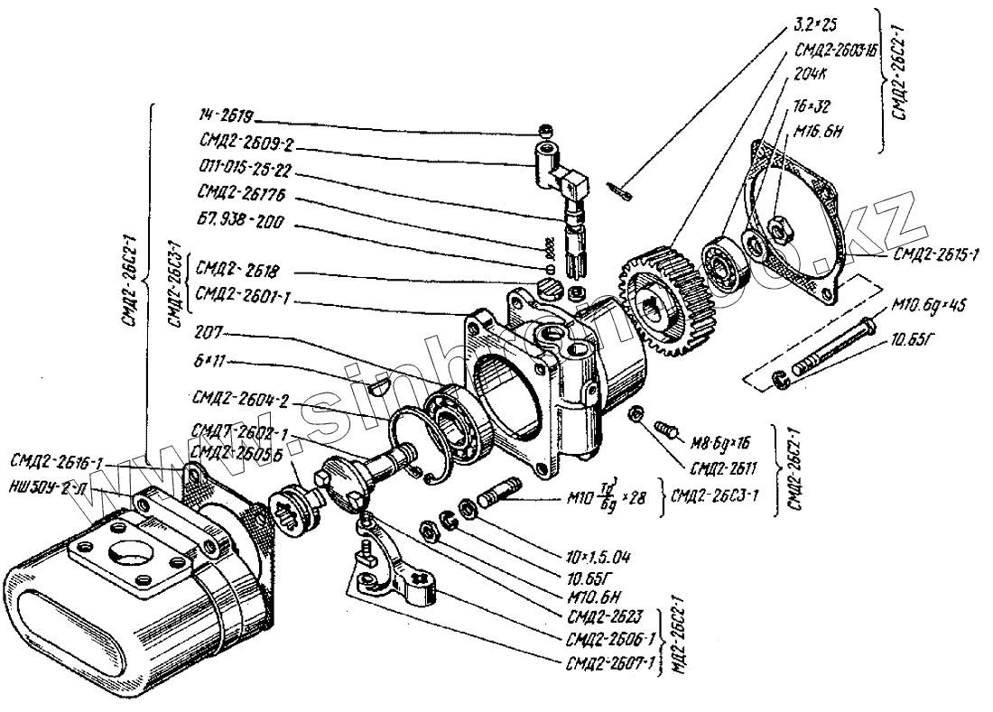
Каталог запасных частей к технике: ВгТЗ ДТ-75Н. Установка гидронасоса НШ50У-2-Л
10х1,5.04
207
СМД2-26С2-1
СМД2-26С2-1
СМД2-26С2-1
СМД2-26С2-1
СМД2-2615-1
СМД2-2616-1
СМД2-2617Б
СМД2-2609-2
СМД2-2607-1
10.65Г
10.65Г
204К
47 5352 1779
СМД2-2611
Б 7.938-200
М10(Т03/6g)х28
3.2х25
6х11
М10.6gх45
СМД2-2618
НШ50У-2-Л
СМД2-2605Б
СМД2-2601-1
СМД2-26С3-1
СМД2-26С3-1
СМД2-2623
СМД2-2604-2
011-015-25-22
СМД2-2603-1Б
14-2619
М16.6Н
М10.6Н
М8.6gх16
СМД2-2606-1
СМД7-2602-1
| Позиция на иллюстрации | Заводской номер детали | Название детали | |
|---|---|---|---|
| 10х1,5.04 | 10х1,5.04 | Шайба | |
| 207 | 207 | Подшипник | |
| СМД2-26С2-1 | СМД2-26С2-1 | Привод гидронасоса | |
| СМД2-2615-1 | СМД2-2615-1 | Прокладка | |
| СМД2-2616-1 | СМД2-2616-1 | Прокладка | |
| СМД2-2617Б | СМД2-2617Б | Пружина | |
| СМД2-2609-2 | СМД2-2609-2 | Рычаг включения | |
| СМД2-2607-1 | СМД2-2607-1 | Сухарик | |
| 10.65Г | 10.65Г | Шайба ГОСТ 6402-70 | |
| 204К | 204К | Подшипник | |
| 47 5352 1779 | 47 5352 1779 | Шайба стопорная 16х32 | |
| СМД2-2611 | СМД2-2611 | Шайба уплотняющая | |
| Б 7.938-200 | Б 7.938-200 | Шарик | |
| М10(Т03/6g)х28 | М10(Т03/6g)х28 | Шпилька | |
| 3.2х25 | 3.2х25 | Шплинт | |
| 6х11 | 6х11 | Шпонка сегментная | |
| М10.6gх45 | М10.6gх45 | Болт | |
| М10.6gх95 | М10.6gх95 | Болт | |
| СМД2-2618 | СМД2-2618 | Ограничитель | |
| НШ50У-2-Л | НШ50У-2-Л | Насос шестеренный НШ50У-2-Л | |
| СМД2-2605Б | СМД2-2605Б | Муфта кулачковая | |
| СМД2-2601-1 | СМД2-2601-1 | Корпус привода | |
| СМД2-26С3-1 | СМД2-26С3-1 | Корпус | |
| СМД2-2623 | СМД2-2623 | Кольцо предохранительное | |
| СМД2-2604-2 | СМД2-2604-2 | Кольцо В72 | |
| 011-015-25-22 | 011-015-25-22 | Кольцо | |
| СМД2-2603-1Б | СМД2-2603-1Б | Колесо зубчатое привода гидронасоса | |
| 14-2619 | 14-2619 | Заглушка | |
| М16.6Н | М16.6Н | Гайка | |
| М10.6Н | М10.6Н | Гайка | |
| М8.6gх16 | М8.6gх16 | Болт | |
| СМД2-2606-1 | СМД2-2606-1 | Вилка | |
| СМД7-2602-1 | СМД7-2602-1 | Вал привода гидравлического насоса |
Содержащиеся в справочниках-каталогах запасные части и детали не предлагаются к продаже, а носят исключительно информационный характер