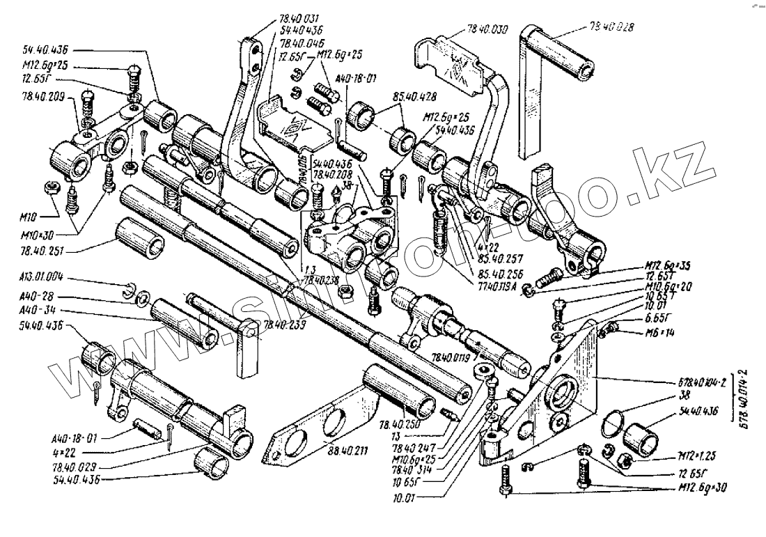
Каталог запасных частей к технике: ВгТЗ ДТ-75Н. Управление трактором. Рычаги, педали
10.01
10.01
А40-18-01
А40-18-01
78.40.031
78.40.030
78.40.046
77.40.119А
78.40.029
78.40.028
88.40.211А
78.40.314
85.40.256
85.40.257
6.65Г
10.65Г
10.65Г
12.65Г
12.65Г
12.65Г
12.65Г
А40-28
4х22
4х22
А40-34
М12х1,25
М10.6gх25
Болт М6Х14
85.40.248
М10.6gх20
М12.6gх25
М12.6gх25
М12.6gх25
М12.6gх30
М12.6gх35
78.40.239
78.40.238
78.40.0119
М10х30
78.40.250
78.40.251
54.40.436
54.40.436
54.40.436
54.40.436
54.40.436
54.40.436
54.40.436
М10
38
38
А13.01.004
Б78.40.014-2
78.40.026
Б78.40.104-2
78.40.209
78.40.208
1.3
1.3
| Позиция на иллюстрации | Заводской номер детали | Название детали | |
|---|---|---|---|
| 10.01 | 10.01 | Шайба ГОСТ 11371-78 | |
| А40-18-01 | А40-18-01 | Палец | |
| 78.40.031 | 78.40.031 | Педаль левая | |
| 78.40.030 | 78.40.030 | Педаль правая | |
| 78.40.046 | 78.40.046 | Подушка | |
| 77.40.119А | 77.40.119А | Пружина | |
| А13.01.002 | А13.01.002 | Рукоятка | |
| 78.40.029 | 78.40.029 | Рычаг левый | |
| 78.40.028 | 78.40.028 | Рычаг правый | |
| 88.40.211А | 88.40.211А | Уплотнитель | |
| 78.40.314 | 78.40.314 | Упор | |
| 85.40.256 | 85.40.256 | Ушко | |
| 85.40.257 | 85.40.257 | Палец | |
| 6.65Г | 6.65Г | Шайба ГОСТ 6402-70 | |
| 10.65Г | 10.65Г | Шайба ГОСТ 6402-70 | |
| 12.65Г | 12.65Г | Шайба ГОСТ 6402-70 | |
| А40-28 | А40-28 | Шайба рукоятки | |
| 3.2х18 | 3.2х18 | Шплинт | |
| 4х22 | 4х22 | Шплинт | |
| 85.40.247 | 85.40.247 | Шпонка | |
| А40-34 | А40-34 | Рукоятка | |
| М12х1,25 | М12х1,25 | Гайка | |
| М10.6gх25 | М10.6gх25 | Болт | |
| Болт М6Х14 | Болт М6Х14 | Болт М6Х14, ГОСТ 7798-52 | |
| 85.40.248 | 85.40.248 | Втулка | |
| М10.6gх20 | М10.6gх20 | Болт | |
| М12.6gх25 | М12.6gх25 | Болт | |
| М12.6gх30 | М12.6gх30 | Болт | |
| М12.6gх35 | М12.6gх35 | Болт | |
| 78.40.239 | 78.40.239 | Вал длинный | |
| 78.40.238 | 78.40.238 | Вал левой педали | |
| 78.40.0119 | 78.40.0119 | Валик короткий | |
| М10х30 | М10х30 | Винт | |
| 78.40.250 | 78.40.250 | Втулка | |
| 78.40.251 | 78.40.251 | Втулка | |
| 54.40.436 | 54.40.436 | Втулка | |
| М6.6gх14 | М6.6gх14 | Болт | |
| М10 | М10 | Гайка ГОСТ 5915-70 | |
| М12.gх25 | М12.gх25 | Гайка | |
| 38 | 38 | Заглушка | |
| А13.01.004 | А13.01.004 | Кольцо стопорное | |
| Б78.40.014-2 | Б78.40.014-2 | Кронштейн | |
| 78.40.026 | 78.40.026 | Кронштейн | |
| Б78.40.104-2 | Б78.40.104-2 | Кронштейн | |
| 78.40.209 | 78.40.209 | Кронштейн валиков | |
| 78.40.208 | 78.40.208 | Кронштейн малый | |
| 1.3 | 1.3 | Масленка |
Содержащиеся в справочниках-каталогах запасные части и детали не предлагаются к продаже, а носят исключительно информационный характер