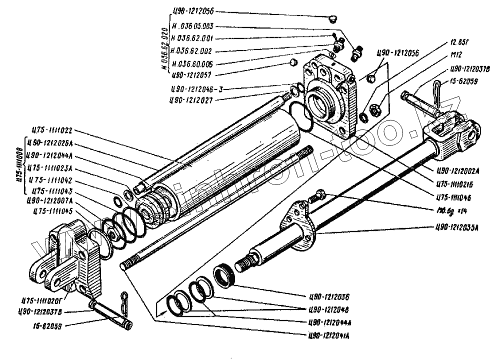
Каталог запасных частей к технике: ВгТЗ ДТ-75Н. Цилиндр выносной
Ц75-1111009
Ц75-1111023А
Ц75-1111042
Ц90-1212048
Ц90-1212036
Ц90-1212027
Ц90-1212037В
Ц90-1212037В
12.65Г
Ц90-1212041А
15-62059
15-62059
Н.036.62.001
Ц90-1212002-А
Н.036.05.003
Н.036.60.006
Ц90-1212046-3
Ц90-1212007-А
М12
Ц90-1212057
Ц90-1212056
Ц90-1212056
Н.036.62.020
Ц75-1111043
Ц75-1111045
Ц75-1111045
Ц90-1212044А
Ц90-1212044А
М6.6gх14
Ц75-1111С22
Н.036.62.002
Ц75-1111020-Г
Ц75-1111021-Б
Ц90-1212035А
Ц90-1212026А
| Позиция на иллюстрации | Заводской номер детали | Название детали | |
|---|---|---|---|
| 6.65Г | 6.65Г | Шайба ГОСТ 6402-70 | |
| Ц75-1111009 | Ц75-1111009 | Поршень в сборе | |
| Ц75-1111023А | Ц75-1111023А | Поршень | |
| Ц75-1111042 | Ц75-1111042 | Прокладка | |
| Ц90-1212048 | Ц90-1212048 | Прокладка | |
| Ц75-1111001-А | Ц75-1111001-А | Цилиндр в сборе | |
| 54.60.001А | 54.60.001А | Цилиндр выносной | |
| Ц90-1212036 | Ц90-1212036 | Чистик | |
| Ц90-1212027 | Ц90-1212027 | Шайба | |
| Ц90-1212037В | Ц90-1212037В | Палец | |
| 12.65Г | 12.65Г | Шайба ГОСТ 6402-70 | |
| Ц90-1212041А | Ц90-1212041А | Шпилька | |
| 15-62059 | 15-62059 | Шплинт пружинный | |
| Н.036.62.001 | Н.036.62.001 | Штифт | |
| Ц90-1212002-А | Ц90-1212002-А | Шток | |
| Н.036.05.003 | Н.036.05.003 | Штуцер ввертной | |
| Н.036.60.006 | Н.036.60.006 | Шайба клапана | |
| Ц90-1212046-3 | Ц90-1212046-3 | Кольцо уплотнительное | |
| Ц90-1212007-А | Ц90-1212007-А | Гайка в сборе | |
| М12 | М12 | Гайка ГОСТ 5915-70 | |
| Ц90-1212057 | Ц90-1212057 | Заглушка 1/2 | |
| Ц90-1212056 | Ц90-1212056 | Заглушка 1/4 | |
| Н.036.62.020 | Н.036.62.020 | Клапан замедлительный | |
| Ц75-1111043 | Ц75-1111043 | Кольцо | |
| Ц75-1111045 | Ц75-1111045 | Кольцо | |
| Ц90-1212044А | Ц90-1212044А | Кольцо | |
| М6.6gх14 | М6.6gх14 | Болт | |
| Ц75-1111С22 | Ц75-1111С22 | Корпус | |
| Н.036.62.002 | Н.036.62.002 | Корпус замедлительного клапана | |
| Ц75-1111020-Г | Ц75-1111020-Г | Крышка задняя | |
| Ц75-1111010-А | Ц75-1111010-А | Крышка передняя в сборе | |
| Ц75-1111021-Б | Ц75-1111021-Б | Крышка передняя | |
| Ц90-1212035А | Ц90-1212035А | Крышка чистиков | |
| Ц90-1212026А | Ц90-1212026А | Маслопровод |
Содержащиеся в справочниках-каталогах запасные части и детали не предлагаются к продаже, а носят исключительно информационный характер