Каталог запасных частей к технике: ВгТЗ ДТ-75Н. Тент
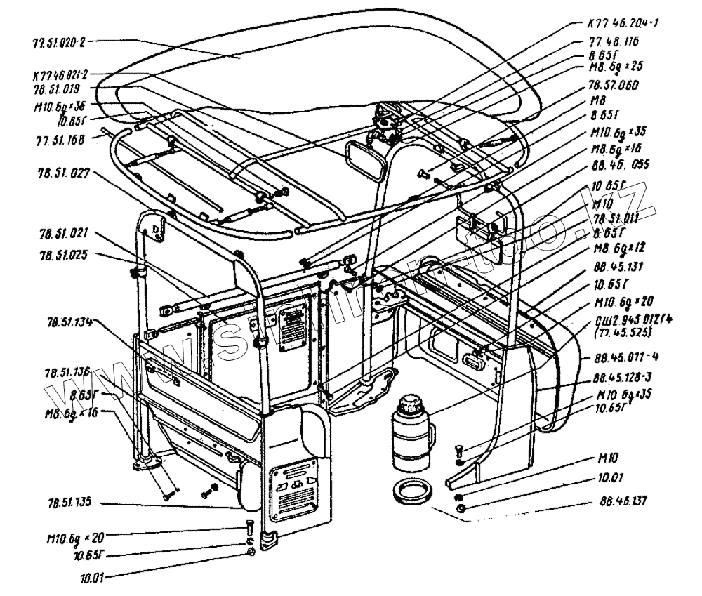
78.51.021
77.51.168
88.45.128-3
78.51.136
78.51.135
78.51.025
88.45.011-4
78.51.027
78.51.011
СШ2.945.012Г4
88.46.137
8.65Г
8.65Г
8.65Г
8.65Г
10.65Г
10.65Г
10.65Г
10.65Г
10.65Г
10.01
10.01
77.45.525
45 9412 1135
М8
М8.6gх25
М10.6gх20
М10.6gх20
М10.6gх35
М10.6gх35
М10.6gх35
К77.46.204-1
М8.6gх16
М8.6gх16
М10
М10
К77.46.021-2
78.51.019
88.46.055
77.48.116
78.51.134
78.57.060
88.45.131
77.51.020-2
| Позиция на иллюстрации | Заводской номер детали | Название детали | |
|---|---|---|---|
| 78.51.021 | 78.51.021 | Труба | |
| 77.51.168 | 77.51.168 | Пруток | |
| 88.45.128-3 | 88.45.128-3 | Рейка | |
| 78.51.136 | 78.51.136 | Связь левая | |
| 78.51.135 | 78.51.135 | Связь правая | |
| 78.51.025 | 78.51.025 | Стенка левая | |
| 88.45.011-4 | 88.45.011-4 | Стенка передняя в сборе | |
| 78.51.027 | 78.51.027 | Стойка задняя | |
| 78.51.011 | 78.51.011 | Стойка передняя | |
| 78.51.001 | 78.51.001 | Тент | |
| СШ2.945.012Г4 | СШ2.945.012Г4 | Термос | |
| 88.46.137 | 88.46.137 | Прокладка термоса | |
| 78.46.320 | 78.46.320 | Футляр аптечки | |
| 5.65Г | 5.65Г | Шайба ГОСТ 6402-70 | |
| 8.65Г | 8.65Г | Шайба ГОСТ 6402-70 | |
| 10.65Г | 10.65Г | Шайба ГОСТ 6402-70 | |
| 5.01 | 5.01 | Шайба | |
| 8.01 | 8.01 | Шайба | |
| 8.04 | 8.04 | Шайба | |
| 10.01 | 10.01 | Шайба ГОСТ 11371-78 | |
| 77.45.525 | 77.45.525 | Термос | |
| 45 9412 1135 | 45 9412 1135 | Болт М8.6gх12 | |
| М8 | М8 | Гайка | |
| М8.6gх20 | М8.6gх20 | Болт | |
| М8.6gх25 | М8.6gх25 | Болт | |
| М10.6gх20 | М10.6gх20 | Болт | |
| М10.6gх30 | М10.6gх30 | Болт | |
| М10.6gх35 | М10.6gх35 | Болт | |
| М10.6gх65 | М10.6gх65 | Болт | |
| В1М5.6gх12 | В1М5.6gх12 | Винт | |
| В1М5.6gх14 | В1М5.6gх14 | Винт | |
| К77.46.204-1 | К77.46.204-1 | Втулка | |
| М5 | М5 | Гайка | |
| М8.6gх16 | М8.6gх16 | Болт | |
| М10 | М10 | Гайка ГОСТ 5915-70 | |
| К77.46.021-2 | К77.46.021-2 | Зеркало заднего виде | |
| 78.51.019 | 78.51.019 | Каркас крыши | |
| 88.46.055 | 88.46.055 | Козырек снегозащитный | |
| 77.48.116 | 77.48.116 | Кольцо | |
| 78.51.134 | 78.51.134 | Кронштейн | |
| 78.57.060 | 78.57.060 | Маховичок | |
| 88.45.131 | 88.45.131 | Окантовка | |
| 77.51.020-2 | 77.51.020-2 | Полотнище в сборе |
Содержащиеся в справочниках-каталогах запасные части и детали не предлагаются к продаже, а носят исключительно информационный характер