Вернуться на главную
Поиск
Каталоги запчастей к технике
Сельхозтехника
ВгТЗ
ДТ-75Н
Сиденье. Сборка амортизатора
Каталог запасных частей к технике: ВгТЗ ДТ-75Н. Сиденье. Сборка амортизатора
zoom-in
zoom-out
enlarge
shrink
circle-right
circle-left
file-text2
info
cart
Тип техники
Не выбрано
Легковые автомобили
Грузовые автомобили и прицепы
Автобусы
Сельхозтехника
Спецтехника
Двигатели
Мототехника
Марка
Не выбрано
AGCO
Amity
CASE IH
DongFeng
Fortschritt
Foton
Franz Kleine
Gaspardo
Great Plains
KRONE
KUHN
Lemken
Lovol
MacDon
Massey Ferguson
New Holland
TIGARBO
Vaderstad
Versatile
Wirax
Агро
Агротехмаш
Бобруйскагромаш (ОАО «УКХ «Бобруйскагромаш»)
БЭМЗ
ВгТЗ
Воронежсельмаш
ВТЗ
Гомсельмаш
ДКЗ
ЗАО "Техника-сервис"
ЗиД
КЗК
Кировец-Ландтехник
Клевер
Красная Звезда
Лидагропроммаш
Лидсельмаш
ЛТЗ
Машстройхолдинг
Минитракторы
Мордовагромаш
МТЗ
Навигатор-Новое машиностроение
Нефтекамский автозавод
ПТЗ
Ремком
РСМ
Сибсельмаш
ТеКЗ
ТКЗ
ХЗТСШ
ХТЗ
ЮМЗ
Модель
Не выбрано
ВТ-100Д (2015)
ДТ-75
ДТ-75В, ДТ-75БВ, ДТ75Н
ДТ-75М (1996)
ДТ-75МВ (2002)
ДТ-75Н (1987)
Схема
>
Не выбрано
Кабина
Тент
Оборудование кабины. Омыватель переднего стекла
Кабина. Дверь кабины
Оборудование кабины
Сиденье
Сиденье. Сборка сиденья
Сиденье. Сборка амортизатора
Оборудование кабины. Обогрев кабины
Установка вентиляционная
Установка вентиляционная. Крыльчатка в сборе
Обшивка
Обшивка. Основание в сборе
Блок-картер
Картер
Патрубок маслоналивной
Трубка сливная
Картер шестерен
Опора передняя
Поршень с шатуном
Вал коленчатый
Маховик
Блок шестерен
Распределитель
Головка цилиндров
Механизм газораспределения
Корпус
Колпак
Сапун
Радиатор масляный
Крышка картера нижняя
Насос масляный
Центрифуга масляная полнопоточная
Ротор центрифуги
Клапан сливной
Управление дизелем
Управление запуском дизеля из кабины
Установка подогревателя ПЖБ-200
Установка дизеля
Фильтр
Установка генератора и счетчика моточасов
Воздухоочиститель
Предочиститель с обратным клапаном
Система топливная
Фильтр топливный тонкой очистки
Фильтр топливный грубой очистки Фг-25
Форсунка
Установка турбокомпрессора
Турбокомпрессор ТКР-11Н-2
Корпус средний
Корпус турбины
Турбокомпрессор ТКР-8,5Н-1
Корпус средний
Корпус турбины
Топливопроводы и арматура
Бак топливный
Система выхлопная
Труба водяная
Радиатор водяной
Шторка радиатора
Насос водяной
Установка термостата
Двигатель пусковой П10У-Д
Кривошипно-шатунный механизм
Агрегаты пускового двигателя
Регулятор пускового двигателя
Редуктор пускового двигателя
Муфта сцепления
Картер
Коробка передач
Коробка передач. Вал первичный и вал вторичный
Коробка передач. Вал заднего хода и вал дополнительный
Коробка передач. Вал первичный
Передача карданная
Мост задний
Мост задний. Лента в сборе
Мост задний. Механизм планетарный
Мост задний. Шестерня и уплотнение в сборе
Передача конечная
Ходоуменьшитель
Ходоуменьшитель. Вал промежуточный. Вал резервных скоростей
Ходоуменьшитель. Вал пониженных скоростей
Ходоуменьшитель. Вал ведущий
Реверс-редуктор
Реверс-редуктор. Валы
Рама трактора
Подвеска трактора
Колесо направляющее
Колесо направляющее с гидравлическим натяжителем гусеницы
Колесо направляющее с гидравлическим натяжителем гусеницы. Амортизатор
Ролик поддерживающий
Гусеницы
Управление трактором. Основание
Управление трактором. Рычаги, педали
Управление трактором. Тяги, рычаги
Электрооборудование и приборы. Схема
Электрооборудование. Пучки проводов
Стартер СТ362А
Генератор 5486.3701
Пульт подогревателя ПЖБ-200
Устройство тягово-сцепное
Вал отбора мощности. Вал ведущий
Вал отбора мощности. Вал ведомый
Установка гидронасоса НШ50У-2-Л
Установка гидронасоса НШ10Е-3-Л
Бак масляный
Установка распределителя гидросистемы
Установка распределителя гидросистемы. Корпус в сборе
Маслопроводы гидросистемы
Гидроусилитель управления
Гидроусилитель
Цилиндр основной
Цилиндр выносной
Цилиндр выносной. Шланги
Устройство навесное заднее. Раскос, растяжки и тяги
Устройство навесное заднее. Подъемник и стяжка
Устройство навесное заднее. Стойки и тяги
Муфта разрывная
Инструмент и приспособления
Комплект ЗИП. Ключи
Комплект ЗИП
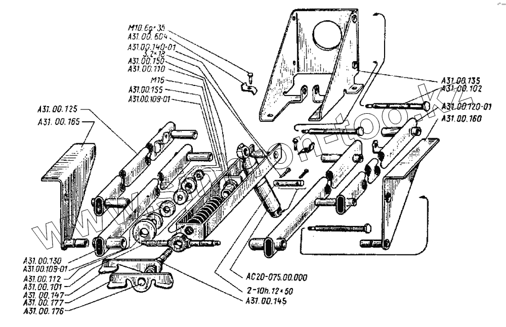
А31.00.102
3.2х18
А31.00.150
А31.00.112
А31.00.109-01
А31.00.109-01
А31.00.177
А31.00.147
А31.00.110
А31.00.604
А31.00.101
АС20-07500.000
2-10h12х50
А31.00.165
А31.00.160
А31.00.155
М16
А31.00.145
А31.00.176
М10.6gх35
Позиция на иллюстрации
Заводской номер детали
Название детали
А31.00.102
А31.00.102
Ось кронштейна
3.2х18
3.2х18
Шплинт
А31.00.150
А31.00.150
Шайба задняя
А31.00.112
А31.00.112
Шайба
А31.00.109-01
А31.00.109-01
Упор
А31.00.177
А31.00.177
Рукоятка
А31.00.147
А31.00.147
Рукоятка
А31.00.110
А31.00.110
Пружина
А31.00.604
А31.00.604
Планка
А31.00.101
А31.00.101
Ось фигурная
АС20-07500.000
АС20-07500.000
Амортизатор сиденья гидравлический
2-10h12х50
2-10h12х50
Ось
А31.00.165
А31.00.165
Опоре правая
А31.00.160
А31.00.160
Опора левая
А31.00.155
А31.00.155
Кольцо
М16
М16
Гайка
М12
М12
Гайка ГОСТ 5915-70
А31.00.145
А31.00.145
Втулка
А31.00.176
А31.00.176
Винт
М10.6gх35
М10.6gх35
Болт
Содержащиеся в справочниках-каталогах запасные части и детали не предлагаются к продаже, а носят исключительно информационный характер
Дополнительная информация
×
Название:
Номер:
Примечание: