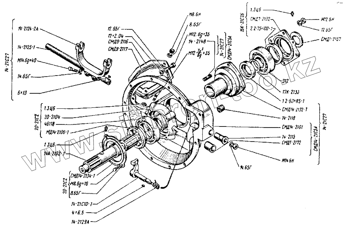
Каталог запасных частей к технике: ВгТЗ ДТ-75Н. Картер
12.65Г
12.65Г
2.2-75х100-1
1.2-60х85-1
1.3Ц6
1.3Ц6
1.3Ц6
20-21С2
20-21С2
312
46118
СМД9-2117
14-2129А
14-21С10-1
8.65Г
8.65Г
СМД9-2116
14.65Г
14.65Г
12х2.04
СМД1-2157
14-21.48
М12(Т03/6g)х35
4х6.5
6х13
14-2125-1
14-2124-2А
М14.6Н
М12.6gх35
М14.6gх40
14А-2103-1
СМД1-2172
СМД14-2106-1
14-2115
14-2118
45 9553 1055
М12.6Н
М8.6gх16
14-21С27
14-21С27
14-21С27
СМД14-21С5А
СМД14-21С5А
СМД14-2101
17К-2133
20-2104
СМД14-2132-1
15К-21С26
СМД14-2134-1
СМД7-2102
| Позиция на иллюстрации | Заводской номер детали | Название детали | |
|---|---|---|---|
| 12.65Г | 12.65Г | Шайба ГОСТ 6402-70 | |
| 2.2-75х100-1 | 2.2-75х100-1 | Манжета | |
| 1.2-60х85-1 | 1.2-60х85-1 | Манжета | |
| 1.3Ц6 | 1.3Ц6 | Масленка | |
| 20-21С2 | 20-21С2 | Муфта выключения | |
| 312 | 312 | Подшипник | |
| 46118 | 46118 | Подшипник | |
| СМД9-2117 | СМД9-2117 | Прокладка | |
| 14-2129А | 14-2129А | пружина рычага | |
| 14-21С10-1 | 14-21С10-1 | Рычаг | |
| 8.65Г | 8.65Г | Шайба ГОСТ 6402-70 | |
| СМД9-2116 | СМД9-2116 | Крышка смотрового окна | |
| 14.65Г | 14.65Г | Шайба | |
| 12х2.04 | 12х2.04 | Шайба | |
| СМД1-2157 | СМД1-2157 | Шайба замковая | |
| 14-21.48 | 14-21.48 | Шпилька | |
| М12(Т03/6g)х35 | М12(Т03/6g)х35 | Шпилька | |
| 4х6.5 | 4х6.5 | Шпонка сегментная | |
| 6х13 | 6х13 | Шпонка сегментная | |
| 14-2125-1 | 14-2125-1 | Валик вилки | |
| 14-2124-2А | 14-2124-2А | Вилка выключения | |
| М14.6Н | М14.6Н | Гайка ГОСТ 5915-70 | |
| М12.6gх35 | М12.6gх35 | Болт | |
| М14.6gх40 | М14.6gх40 | Болт | |
| 14А-2103-1 | 14А-2103-1 | Вал сцепления | |
| СМД1-2172 | СМД1-2172 | Втулка валика | |
| СМД14-2106-1 | СМД14-2106-1 | Втулка муфты выключения | |
| 14-2115 | 14-2115 | Втулка оси | |
| 14-2118 | 14-2118 | Втулка резьбовая | |
| 45 9553 1055 | 45 9553 1055 | Гайка М8-6Н | |
| М12.6Н | М12.6Н | Гайка | |
| М8.6gх16 | М8.6gх16 | Болт | |
| 14-21С27 | 14-21С27 | Картер муфты сцепления | |
| СМД14-21С5А | СМД14-21С5А | Картер муфты сцепления | |
| СМД14-2101 | СМД14-2101 | Картер муфты сцепления | |
| 17К-2133 | 17К-2133 | Кольцо | |
| 20-2104 | 20-2104 | Корпус муфты выключения | |
| СМД14-2132-1 | СМД14-2132-1 | Корпус подшипника | |
| 15К-21С26 | 15К-21С26 | Корпус сальника | |
| СМД14-2134-1 | СМД14-2134-1 | Крышка | |
| СМД7-2102 | СМД7-2102 | Крышка сальника |
Содержащиеся в справочниках-каталогах запасные части и детали не предлагаются к продаже, а носят исключительно информационный характер