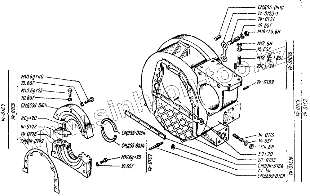
Каталог запасных частей к технике: ВгТЗ ДТ-75Н. Картер
СМД14-0138
СМД55-0410
10С3х25
8С3х20
14-0199
3.2х20
СМД55У-01С8
14-0121
14-0115
М12х35
14-0123-1
16.65Г
14.65Г
10.65Г
10.65Г
10.65Г
12.65Г
14-01С7
14-01С7
М10.6gх25
М10.6gх25
СМД55-0134
СМД55-0134
СМД4-0149
14-0148
КГ1/4
14-0176
СМД55У-0104
14-01С9
20-0103
14-01С16
14-01С16
14-01С5
14-01С3
М16х1,5.6Н
М14.6Н
М12.6Н
М10.6gх40
| Позиция на иллюстрации | Заводской номер детали | Название детали | |
|---|---|---|---|
| СМД14-0138 | СМД14-0138 | Уплотнение картера | |
| СМД55-0410 | СМД55-0410 | Штифт установочный | |
| 10С3х25 | 10С3х25 | Штифт | |
| 8С3х20 | 8С3х20 | Штифт | |
| 14-0199 | 14-0199 | Штифт | |
| 3.2х20 | 3.2х20 | Шплинт | |
| СМД55У-01С8 | СМД55У-01С8 | Шпилька установочная | |
| 14-0121 | 14-0121 | Шпилька картера маховика | |
| 14-0115 | 14-0115 | Шпилька картера маховика | |
| М12х35 | М12х35 | Шпилька | |
| 14-0123-1 | 14-0123-1 | Шайба специальная | |
| 16.65Г | 16.65Г | Шайба ГОСТ 6402-70 | |
| 14.65Г | 14.65Г | Шайба | |
| 10.65Г | 10.65Г | Шайба ГОСТ 6402-70 | |
| 12.65Г | 12.65Г | Шайба ГОСТ 6402-70 | |
| 14-01С7 | 14-01С7 | Уплотнение коленчатого вала | |
| М10.6gх25 | М10.6gх25 | Болт | |
| СМД55-0134 | СМД55-0134 | Сальник | |
| СМД4-0149 | СМД4-0149 | Прокладка | |
| 14-0148 | 14-0148 | Прокладка | |
| КГ1/4 | КГ1/4 | Пробка | |
| 14-0176 | 14-0176 | Корпус уплотнения нижний | |
| СМД55У-0104 | СМД55У-0104 | Корпус уплотнения верхний | |
| 14-01С9 | 14-01С9 | Корпус уплотнения | |
| 20-0103 | 20-0103 | Картер маховика | |
| 14-01С16 | 14-01С16 | Картер маховика | |
| 14-01С5 | 14-01С5 | Картер маховика | |
| 14-01С3 | 14-01С3 | Картер маховика | |
| М16х1,5.6Н | М16х1,5.6Н | Гайка | |
| М14.6Н | М14.6Н | Гайка ГОСТ 5915-70 | |
| М12.6Н | М12.6Н | Гайка | |
| М10.6gх40 | М10.6gх40 | Болт |
Содержащиеся в справочниках-каталогах запасные части и детали не предлагаются к продаже, а носят исключительно информационный характер