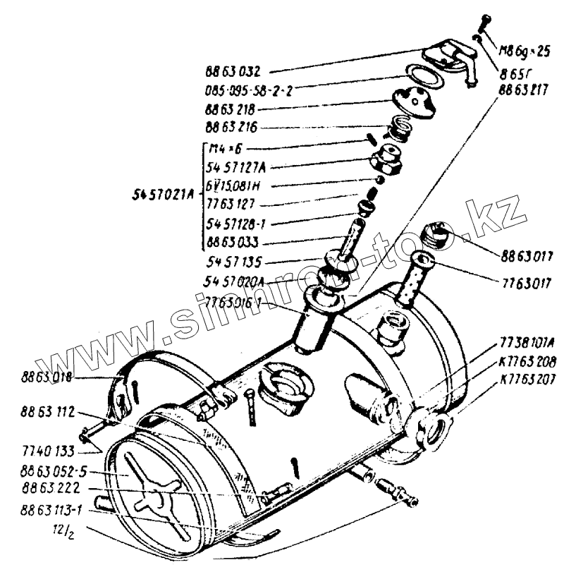
Каталог запасных частей к технике: ВгТЗ ДТ-75Н. Бак масляный
77.63.017
88.63.216
54.57.128-1
К77.63.208
88.63.222
54.57.021А
88.63.033
88.63.032
77.63.127
8.65Г
54.57.135
БV 15.081ммН
12/2
54.57.020А
М8.6gх25
54.57.127А
М4.6gх6
085-095-58-2-2
77.38.107А
88.63.217
88.63052-5
77.63.016-1
К77.63.207
88.65.018
88.63.218
77.40.133
88.63.113-1
88.63.112
88.63.017
| Позиция на иллюстрации | Заводской номер детали | Название детали | |
|---|---|---|---|
| 77.63.017 | 77.63.017 | Фильтр в сборе | |
| 88.63.216 | 88.63.216 | Пружина | |
| 54.57.128-1 | 54.57.128-1 | Стаканчик пружины | |
| К77.63.208 | К77.63.208 | Стекло масломерное | |
| 88.63.222 | 88.63.222 | Сухарь | |
| 54.57.021А | 54.57.021А | Трубка фильтра с клапаном в сборе | |
| 88.63.228 | 88.63.228 | Труба сливная задняя | |
| 88.63.033 | 88.63.033 | Труба фильтра | |
| 88.63.032 | 88.63.032 | Трубка сливная задняя | |
| 77.63.127 | 77.63.127 | Пружина | |
| 8.65Г | 8.65Г | Шайба ГОСТ 6402-70 | |
| 54.57.135 | 54.57.135 | Шайба отражательная | |
| БV 15.081ммН | БV 15.081ммН | Шарик | |
| 4х22 | 4х22 | Шплинт | |
| 4х32 | 4х32 | Шплинт | |
| 12/2 | 12/2 | Штуцер | |
| 54.57.020А | 54.57.020А | Элемент фильтрующий в сборе | |
| М8.6gх25 | М8.6gх25 | Болт | |
| 54.57.127А | 54.57.127А | Корпус клапана | |
| 88.63.002-5 | 88.63.002-5 | Бак масляный | |
| М8.6gх30 | М8.6gх30 | Болт | |
| М10.6gх90 | М10.6gх90 | Болт | |
| М4.6gх6 | М4.6gх6 | Винт | |
| 085-095-58-2-2 | 085-095-58-2-2 | Кольцо резиновое | |
| 77.38.107А | 77.38.107А | Кольцо уплотнительное | |
| 88.63.217 | 88.63.217 | Кольцо уплотнительное | |
| 88.63052-5 | 88.63052-5 | Корпус | |
| 88.63.051-5 | 88.63.051-5 | Бак | |
| 77.63.016-1 | 77.63.016-1 | Корпус фильтра | |
| К77.63.207 | К77.63.207 | Крышка | |
| 88.65.018 | 88.65.018 | Лента | |
| 88.63.218 | 88.63.218 | Отражатель | |
| 77.40.133 | 77.40.133 | Палец большой | |
| 88.63.113-1 | 88.63.113-1 | Подкладка | |
| 88.63.112 | 88.63.112 | Подкладка под ленту | |
| 88.63.017 | 88.63.017 | Пробка фильтра |
Содержащиеся в справочниках-каталогах запасные части и детали не предлагаются к продаже, а носят исключительно информационный характер