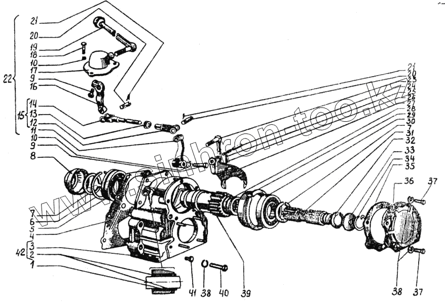
Каталог запасных частей к технике: ВгТЗ ДТ-75МВ. Вал отбора мощности
| Позиция на иллюстрации | Заводской номер детали | Название детали | |
|---|---|---|---|
| 78.41.001 | 78.41.001 | Вал отбора мощности | |
| 1 | 77.41.345 | Кольцо | |
| 2 | 77.41.302-2 | Втулка | |
| 3 | 77.41.301-1 | Корпус | |
| 4 | 77.41.334А | Прокладка корпуса ВОМ | |
| 5 | 50213 ГОСТ 2893-73 | Подшипник (65х120х23) | |
| 6 | 77.41.189А | Кольцо пружинное упорное | |
| 7 | 2В65 | Кольцо ГОСТ 13940-68 | |
| 8 | 77.41.360 | Шайба | |
| 9 | Болт М10.6gх38.58.016 ГОСТ 7796-70 | Болт М10.6gх38.58.016 ГОСТ 7796-70 | |
| 10 | Шайба 10.65Г.05 ГОСТ 6402-70 | Шайба 10.65Г.05 ГОСТ 6402-70 | |
| 11 | 77.41.338 | Рычаг переключения | |
| 12 | А40-17 | Вилка | |
| 13 | Гайка М12х1,25.8 - 016 ГОСТ 5916-70 | Гайка М12х1,25.8 - 016 ГОСТ 5916-70 | |
| 14 | 78.41.013 | Тяга с вилкой | |
| 15 | 78.41.012 | Тяга с вилкой | |
| 16 | 78.41.501 | Рычаг | |
| 17 | К77.41.044 | Крышка в сборе | |
| 18 | Болт М10.6gх20.58.016 ГОСТ 7796-70 | Болт М10.6gх20.58.016 ГОСТ 7796-70 | |
| 19 | К77.41.042 | Валик управления в сборе | |
| 20 | А40-18-01 | Палец | |
| 21 | Шплинт 4х22 ГОСТ 397-79 | Шплинт 4х22 ГОСТ 397-79 | |
| 22 | 78.41.011 | Управление | |
| 23 | 77.41.033-1 | Рычаг вилки в сборе | |
| 24 | 77.41.339-2 | Валик переключения | |
| 25 | БV.5.081 мм | Шарик ГОСТ 3722-60 | |
| 26 | 77.41315 | Пружина | |
| 27 | 77.41.032-1 | Вилка переключения | |
| 28 | 77.41.363 | Шестерня ведущая (540 об/мин.) | |
| 29 | 77.41.329-1 | Стакан подшипника верхний | |
| 30 | 60-2213КМ | Подшипник (65х20х23) ГОСТ 8328-75 | |
| 31 | 77.41.325-1 | Вал ведущий | |
| 32 | 2В35 | Кольцо ГОСТ 13940-68 | |
| 33 | 77.41.326-1 | Шайба упорная ведущего вала | |
| 34 | 77.41.337А | Кольцо запорное ведущего вала | |
| 35 | 77.41.332-1 | Прокладка | |
| 36 | 77.41.034-2 | Крышка подшипника верхняя | |
| 37 | Болт М12.6gх35.58.016 ГОСТ 7796-70 | Болт М12.6gх35.58.016 ГОСТ 7796-70 | |
| 38 | Шайба 10.65г.05 ГОСТ 6402-70 | Шайба 10.65г.05 ГОСТ 6402-70 | |
| 39 | 77.41.365 | Шестерня ведущая (1000 об/мин.) | |
| 40 | Болт М12.6gх70.58.016 ГОСТ 7796-70 | Болт М12.6gх70.58.016 ГОСТ 7796-70 | |
| 41 | Пробка КГ 1/8"-3 | Пробка КГ 1/8"-3 | |
| 42 | 77.41.048 | Корпус со втулками |
Содержащиеся в справочниках-каталогах запасные части и детали не предлагаются к продаже, а носят исключительно информационный характер