Вернуться на главную
Поиск
Каталоги запчастей к технике
Сельхозтехника
ВгТЗ
ДТ-75МВ
Тягово-сцепное устройство
Каталог запасных частей к технике: ВгТЗ ДТ-75МВ. Тягово-сцепное устройство
zoom-in
zoom-out
enlarge
shrink
circle-right
circle-left
file-text2
info
cart
Тип техники
Не выбрано
Легковые автомобили
Грузовые автомобили и прицепы
Автобусы
Сельхозтехника
Спецтехника
Двигатели
Мототехника
Марка
Не выбрано
AGCO
Amity
CASE IH
DongFeng
Fortschritt
Foton
Franz Kleine
Gaspardo
Great Plains
KRONE
KUHN
Lemken
Lovol
MacDon
Massey Ferguson
New Holland
TIGARBO
Vaderstad
Versatile
Wirax
Агро
Агротехмаш
Бобруйскагромаш (ОАО «УКХ «Бобруйскагромаш»)
БЭМЗ
ВгТЗ
Воронежсельмаш
ВТЗ
Гомсельмаш
ДКЗ
ЗАО "Техника-сервис"
ЗиД
КЗК
Кировец-Ландтехник
Клевер
Красная Звезда
Лидагропроммаш
Лидсельмаш
ЛТЗ
Машстройхолдинг
Минитракторы
Мордовагромаш
МТЗ
Навигатор-Новое машиностроение
Нефтекамский автозавод
ПТЗ
Ремком
РСМ
Сибсельмаш
ТеКЗ
ТКЗ
ХЗТСШ
ХТЗ
ЮМЗ
Модель
Не выбрано
ВТ-100Д (2015)
ДТ-75
ДТ-75В, ДТ-75БВ, ДТ75Н
ДТ-75М (1996)
ДТ-75МВ (2002)
ДТ-75Н (1987)
Схема
>
Не выбрано
Кабина
Оборудование кабины
Оборудование кабины. Омыватель переднего стекла
Обшивка трактора. Основание и опора
Дверь кабины
Установка сиденья
Сиденье водителя
Четырехзвенник
Оборудование кабины. Система обогрева
Установка вентиляционная
Установка вентиляционная. Крыльчатка
Обшивка трактора
Общий вид дизеля А-41 (вид справа)
Общий вид дизеля А-41 (вид слева)
Рисованное оглавление дизеля А-41
Блок-картер
Блок-картер
Картер шестерен
Поршень и шатун
Коленчатый вал
Механизм газораспределения
Головка цилиндров
Головка цилиндров
Крышка картера нижняя
Генератор и счетчик моточасов
Пусковое устройство
Пусковое устройство
Насос масляный
Насос масляный
Маслоочиститель полнопоточный центробежный
Механизм уравновешивания
Радиатор масляный
Управление дизелем
Управление запуском дизеля
Установка подогревателя ПЖБ-200
Пульт подогревателя ПЖБ-200
Установка дизеля
Воздухоочиститель
Топливная система
Топливная система
Топливный насос
Топливный насос
Топливоподкачивающий насос (помпа)
Регулятор топливного насоса
Форсунка
Арматура топливная и топливопроводы
Баки топливные
Выпускная система
Водяной насос и вентилятор
Радиатор водяной
Шторка радиатора
Муфта сцепления
Коробка передач. Крышка коробки передач
Коробка передач. Вал заднего хода и дополнительный
Коробка передач. Валы первичный и вторичный
Коробка передач. Валы первичный и вторичный
Передача карданная
Передача карданная (трактор, оборудованный ходоуменьшителем или реверс-редуктором)
Мост задний. Коробка управления. Рычаги
Мост задний. Шкивы
Мост задний. Водило в сборе
Мост задний
Передача конечная
Ходоуменьшитель. Крышка верхняя
Ходоуменьшитель. Вал пониженных скоростей
Ходоуменьшитель. Вал ведущий
Ходоуменьшитель. Вал промежуточный и резервных скоростей
Реверс-редуктор. Крышка верхняя
Реверс-редуктор. Валы и шестерни
Рама трактора
Каретка подвески
Колесо направляющее
Ролик поддерживающий
Гусеница
Управление трактором
Управление трактором. Тяги, рычаги.
Управление трактором. Тяга КПП
Электрооборудование трактора
Электрооборудование трактора. Приборы
Электрооборудование трактора. Приборы. Провода
Тягово-сцепное устройство
Установка сцепки СА-2
Устройство прицепное
Вал отбора мощности
Вал отбора мощности. Вал ведомый
Привод гидравлического насоса
Привод гидравлического насоса
Цилиндр основной
Цилиндр выносной
Цилиндр выносной. Шланги
Бак масляный
Установка распределителя. Рычаги
Установка распределителя. Распределитель
Маслопроводы гидросистемы
Гидроусилитель
Гидроусилитель управления
Механизм навески
Механизм навески. Тяги и растяжки
Механизм навески. Стяжка
Муфта разрывная
Комплект инструмента и приспособлений
Комплект инструмента и принадлежности. Ключи
Комплект инструмента и принадлежности
Общий вид трактора ДТ-75МВ
Рисованное оглавление шасси трактора ДТ-75МВ
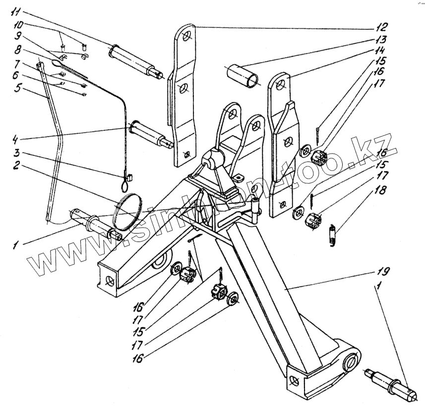
Позиция на иллюстрации
Заводской номер детали
Название детали
77.84.001
77.84.001
Тягово-сцепное устройство
Масленка 1.3 Ц6хр ГОСТ 19853-74
Масленка 1.3 Ц6хр ГОСТ 19853-74
Масленка 1.3 Ц6хр ГОСТ 19853-74
1
77.84.114
Колпак
2
Шайба 8 65Г 05 ГОСТ 6402-70
Шайба 8 65Г 05 ГОСТ 6402-70
3
Болт М8.6gх12.88.35.016 ГОСТ 7795-70
Болт М8.6gх12.88.35.016 ГОСТ 7795-70
4
Болт М20.6gх40.58.016 ГОСТ 7795-70
Болт М20.6gх40.58.016 ГОСТ 7795-70
5
Шайба 20 65Г 05 ГОСТ 6402-70
Шайба 20 65Г 05 ГОСТ 6402-70
7
77.84.011
Крюк буксирный
8
77.84.012
Крюк тяговый
9
Гайка М20х1,5.8.016 ГОСТ 5916-73
Гайка М20х1,5.8.016 ГОСТ 5916-73
10
77.84.105
Защелка
11
77.84.014
Цепь
12
Болт М8.6gх35.88.016 ГОСТ 7796-70
Болт М8.6gх35.88.016 ГОСТ 7796-70
13
77.84.013
Упор
14
77.84.106
Упор
15
77.84.113
Пружина
16
77.84.112
Ось
17
77.84.111
Ось
18
77.84.110
Гайка круглая
19
77.84.108
Фланец передний
20
77.84.107
Буфер
21
77.84.109
Фланец задний
22
77.84.102
Крышка
23
Шплинт 6,3х50 ГОСТ 397-78
Шплинт 6,3х50 ГОСТ 397-78
24
77.84.101
Корпус
Содержащиеся в справочниках-каталогах запасные части и детали не предлагаются к продаже, а носят исключительно информационный характер
Дополнительная информация
×
Название:
Номер:
Примечание: