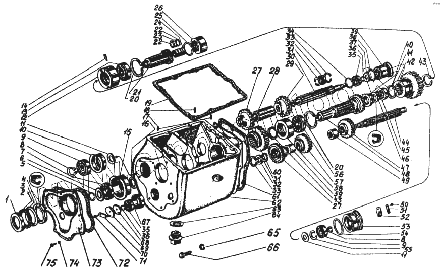
Каталог запасных частей к технике: ВгТЗ ДТ-75МВ. Реверс-редуктор. Валы и шестерни
| Позиция на иллюстрации | Заводской номер детали | Название детали | |
|---|---|---|---|
| 1 | 77.31.113 | Обойма | |
| 2 | Кольцо СП-93-69-10 ГОСТ 6308-71 | Кольцо СП-93-69-10 ГОСТ 6308-71 | |
| 3 | 77.31.106 | Кольцо дистанционное | |
| 4 | 1.1-70х95-2 | Манжета ГОСТ 8752-79 ОСТ 38 05146-78 | |
| 5 | 77.55.229 | Кольцо стопорное | |
| 6 | К77.58.104 | Шайба маслоотбойная | |
| 7 | Подшипник 311 (55х120х29) ГОСТ 8338-75 | Подшипник 311 (55х120х29) ГОСТ 8338-75 | |
| 8 | Кольцо В35 ГОСТ 13942-68 | Кольцо В35 ГОСТ 13942-68 | |
| 9 | Подшипник 407К (35х100х25) ГОСТ 8338-75 | Подшипник 407К (35х100х25) ГОСТ 8338-75 | |
| 10 | 77.37.108 | Стакан подшипника | |
| 11 | 77.37.157 | Шайба упорная | |
| 12 | 77.52.042 | Стакан с кольцом | |
| 13 | Подшипник 213 (65х120х23) ГОСТ 8338-75 | Подшипник 213 (65х120х23) ГОСТ 8338-75 | |
| 14 | 77.52.228 | Штифт установочный | |
| 15 | 77.52.218 | Стакан подшипника | |
| 16 | 77.52.217 | Кольцо упорное | |
| 17 | 77.38.287 | Штифт | |
| 18 | 77.52.221 | Штифт установочный | |
| 19 | 77.52.230 | Прокладка | |
| 20 | Кольцо 2В120 ГОСТ 13941-68 | Кольцо 2В120 ГОСТ 13941-68 | |
| 21 | 77.52.208-1 | Вал ведомый | |
| 22 | 77.55.145А | Кольцо уплотнительное | |
| 23 | 77.52.266 | Кольцо | |
| 24 | 77.52.264 | Втулка уплотнения | |
| 25 | 77.52.268 | Кольцо | |
| 26 | 77.52.229-1 | Муфта соединительная | |
| 27 | 77.58.117 | Шестерня ведомая | |
| 28 | К77.58.211-1 | Втулка распорная | |
| 29 | 77.58.102 | Шестерня вала реверса | |
| 30 | К77.58.210-1А | Вал реверса | |
| 31 | К77.58.220 | Полукольцо | |
| 32 | К77.58.219 | Колпачок защитный | |
| 33 | Кольцо 2В55 ГОСТ 13940-68 | Кольцо 2В55 ГОСТ 13940-68 | |
| 34 | 77.52.269 | Кольцо стопорное | |
| 35 | Подшипник 70-32605К (25х62х24) ГОСТ. 8328-75 | Подшипник 70-32605К (25х62х24) ГОСТ. 8328-75 | |
| 36 | 54.05.436 | Кольцо пружинное | |
| 37 | 77.52.265 | Шайба | |
| 38 | 77.38.184А | Кольцо уплотнительное | |
| 39 | 77.52.237-2 | Стакан подшипника | |
| 40 | 77.52.267 | Кольцо сальника | |
| 41 | Кольцо 2В80 ГОСТ 13941-68 | Кольцо 2В80 ГОСТ 13941-68 | |
| 42 | 77.52.216-1 | Шестерня ведомого вала | |
| 43 | Кольцо 2В65 ГОСТ 13940-68 | Кольцо 2В65 ГОСТ 13940-68 | |
| 44 | К77.58.218А | Вал пониженных скоростей | |
| 45 | Подшипник 292208К (50х80х18) ГОСТ 5377-79 | Подшипник 292208К (50х80х18) ГОСТ 5377-79 | |
| 46 | 1.1-45х65-2 | Манжета ГОСТ 8752-79 ОСТ 38 05146-78 | |
| 47 | 77.52.215 | Шестерня | |
| 48 | 77.52.031-1 | Вал ведущий | |
| 49 | К77.58.205-1 | Втулка распорная | |
| 50 | Болт М10.6gх30.58.016 ГОСТ 7796-70 | Болт М10.6gх30.58.016 ГОСТ 7796-70 | |
| 51 | 77.52.239 | Пластина замковая | |
| 52 | 77.52.238-1Б | Планка стопорная | |
| 53 | 77.52.235А | Стакан подшипника | |
| 54 | 77.41.202А | Кольцо | |
| 55 | Кольцо 2В100 ГОСТ 13941-68 | Кольцо 2В100 ГОСТ 13941-68 | |
| 56 | Подшипник 32213 КМ (65х120х23) ГОСТ 8328-75 | Подшипник 32213 КМ (65х120х23) ГОСТ 8328-75 | |
| 57 | 77.58.101 | Шестерня | |
| 58 | 77.52.220-1 | Стакан подшипника | |
| 59 | К77.58.217 | Втулка распорная | |
| 60 | 77.58.116 | Шестерня ведущая | |
| 61 | 77.55.190 | Прокладка корпуса увеличителя крутящего момента | |
| 62 | 77.58.110 | Корпус | |
| 63 | 77.37.203 | Прокладка пробки | |
| 64 | 77.37.019А | Пробка сливная с магнитом в сборе | |
| 65 | Шайба 1265Г05 ГОСТ 6402-70 | Шайба 1265Г05 ГОСТ 6402-70 | |
| 66 | Болт М12.6gх45.58.016 ГОСТ 7795-70 | Болт М12.6gх45.58.016 ГОСТ 7795-70 | |
| 67 | 77.52.232 | Стакан подшипника | |
| 68 | 77.52.241-2 | Пластина запорная | |
| 69 | 77.52.270 | Пластина стопорная | |
| 70 | 77.52.272-1 | Пластина замковая | |
| 71 | Болт М14х1,5.6gх35.88.40х.016 ГОСТ 7796-70 | Болт М14х1,5.6gх35.88.40х.016 ГОСТ 7796-70 | |
| 72 | 77.52.225-1 | Прокладка | |
| 73 | 77.52.203-2А | Крышка передняя | |
| 74 | Шайба 1065Г05 ГОСТ 6402-70 | Шайба 1065Г05 ГОСТ 6402-70 | |
| 75 | Болт М10.6gх40.58.016 ГОСТ 7795-70 | Болт М10.6gх40.58.016 ГОСТ 7795-70 |
Содержащиеся в справочниках-каталогах запасные части и детали не предлагаются к продаже, а носят исключительно информационный характер