Вернуться на главную
Поиск
Каталоги запчастей к технике
Сельхозтехника
ВгТЗ
ДТ-75МВ
Реверс-редуктор. Крышка верхняя
Каталог запасных частей к технике: ВгТЗ ДТ-75МВ. Реверс-редуктор. Крышка верхняя
zoom-in
zoom-out
enlarge
shrink
circle-right
circle-left
file-text2
info
cart
Тип техники
Не выбрано
Легковые автомобили
Грузовые автомобили и прицепы
Автобусы
Сельхозтехника
Спецтехника
Двигатели
Мототехника
Марка
Не выбрано
AGCO
Amity
CASE IH
DongFeng
Fortschritt
Foton
Franz Kleine
Gaspardo
Great Plains
KRONE
KUHN
Lemken
Lovol
MacDon
Massey Ferguson
New Holland
TIGARBO
Vaderstad
Versatile
Wirax
Агро
Агротехмаш
Бобруйскагромаш (ОАО «УКХ «Бобруйскагромаш»)
БЭМЗ
ВгТЗ
Воронежсельмаш
ВТЗ
Гомсельмаш
ДКЗ
ЗАО "Техника-сервис"
ЗиД
КЗК
Кировец-Ландтехник
Клевер
Красная Звезда
Лидагропроммаш
Лидсельмаш
ЛТЗ
Машстройхолдинг
Минитракторы
Мордовагромаш
МТЗ
Навигатор-Новое машиностроение
Нефтекамский автозавод
ПТЗ
Ремком
РСМ
Сибсельмаш
ТеКЗ
ТКЗ
ХЗТСШ
ХТЗ
ЮМЗ
Модель
Не выбрано
ВТ-100Д (2015)
ДТ-75
ДТ-75В, ДТ-75БВ, ДТ75Н
ДТ-75М (1996)
ДТ-75МВ (2002)
ДТ-75Н (1987)
Схема
>
Не выбрано
Кабина
Оборудование кабины
Оборудование кабины. Омыватель переднего стекла
Обшивка трактора. Основание и опора
Дверь кабины
Установка сиденья
Сиденье водителя
Четырехзвенник
Оборудование кабины. Система обогрева
Установка вентиляционная
Установка вентиляционная. Крыльчатка
Обшивка трактора
Общий вид дизеля А-41 (вид справа)
Общий вид дизеля А-41 (вид слева)
Рисованное оглавление дизеля А-41
Блок-картер
Блок-картер
Картер шестерен
Поршень и шатун
Коленчатый вал
Механизм газораспределения
Головка цилиндров
Головка цилиндров
Крышка картера нижняя
Генератор и счетчик моточасов
Пусковое устройство
Пусковое устройство
Насос масляный
Насос масляный
Маслоочиститель полнопоточный центробежный
Механизм уравновешивания
Радиатор масляный
Управление дизелем
Управление запуском дизеля
Установка подогревателя ПЖБ-200
Пульт подогревателя ПЖБ-200
Установка дизеля
Воздухоочиститель
Топливная система
Топливная система
Топливный насос
Топливный насос
Топливоподкачивающий насос (помпа)
Регулятор топливного насоса
Форсунка
Арматура топливная и топливопроводы
Баки топливные
Выпускная система
Водяной насос и вентилятор
Радиатор водяной
Шторка радиатора
Муфта сцепления
Коробка передач. Крышка коробки передач
Коробка передач. Вал заднего хода и дополнительный
Коробка передач. Валы первичный и вторичный
Коробка передач. Валы первичный и вторичный
Передача карданная
Передача карданная (трактор, оборудованный ходоуменьшителем или реверс-редуктором)
Мост задний. Коробка управления. Рычаги
Мост задний. Шкивы
Мост задний. Водило в сборе
Мост задний
Передача конечная
Ходоуменьшитель. Крышка верхняя
Ходоуменьшитель. Вал пониженных скоростей
Ходоуменьшитель. Вал ведущий
Ходоуменьшитель. Вал промежуточный и резервных скоростей
Реверс-редуктор. Крышка верхняя
Реверс-редуктор. Валы и шестерни
Рама трактора
Каретка подвески
Колесо направляющее
Ролик поддерживающий
Гусеница
Управление трактором
Управление трактором. Тяги, рычаги.
Управление трактором. Тяга КПП
Электрооборудование трактора
Электрооборудование трактора. Приборы
Электрооборудование трактора. Приборы. Провода
Тягово-сцепное устройство
Установка сцепки СА-2
Устройство прицепное
Вал отбора мощности
Вал отбора мощности. Вал ведомый
Привод гидравлического насоса
Привод гидравлического насоса
Цилиндр основной
Цилиндр выносной
Цилиндр выносной. Шланги
Бак масляный
Установка распределителя. Рычаги
Установка распределителя. Распределитель
Маслопроводы гидросистемы
Гидроусилитель
Гидроусилитель управления
Механизм навески
Механизм навески. Тяги и растяжки
Механизм навески. Стяжка
Муфта разрывная
Комплект инструмента и приспособлений
Комплект инструмента и принадлежности. Ключи
Комплект инструмента и принадлежности
Общий вид трактора ДТ-75МВ
Рисованное оглавление шасси трактора ДТ-75МВ
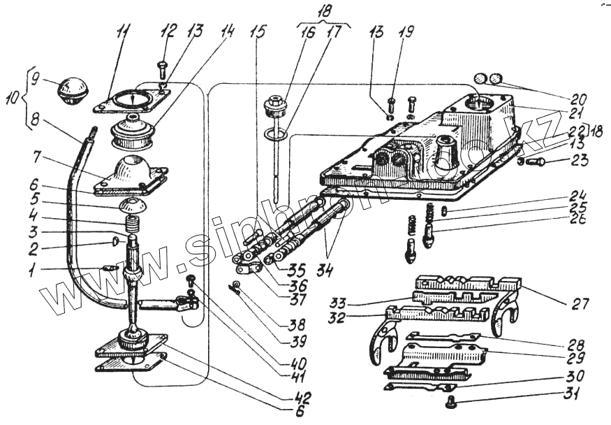
Позиция на иллюстрации
Заводской номер детали
Название детали
78.58.011
78.58.011
Крышка реверс-редуктора в сборе
1
77.37.116-1
Штифт рычага
2
Шпонка 5х9 ГОСТ 24071-80
Шпонка 5х9 ГОСТ 24071-80
3
К77.58.214
Рычаг
4
77.37.117
Пружина рычага
5
77.37.118
Шайба сферическая
6
77.37.114
Прокладка фланца
7
77.52.231
Колпак
8
78.58.114
Рычаг
9
А13.04.000А
Рукоятка
10
78.58.017
Рычаг
11
77.37.122
Кольцо прижимное
12
Болт М10.6gх30.58.016 ГОСТ 7796-70
Болт М10.6gх30.58.016 ГОСТ 7796-70
13
Шайба 1065Г05 ГОСТ 6402-70
Шайба 1065Г05 ГОСТ 6402-70
14
77.37.121
Чехол
15
77.37.165
Палец валика блокировки переднего
16
78.58.016
Щуп
17
77.38.203
Прокладка пробки
18
78.58.001
Реверс-редуктор
19
Болт М10.6gх40.58.016 ГОСТ 7795-70
Болт М10.6gх40.58.016 ГОСТ 7795-70
20
Заглушка 28-08 кп ГОСТ 3111-67
Заглушка 28-08 кп ГОСТ 3111-67
21
78.58.109
Крышка верхняя
22
77.52.230
Прокладка
23
77.37.218
Болт стопорный
24
77.52.276
Штифт
25
77.52.256
Пружина
26
77.52.255
Фиксатор
27
77.58.014-1
Вилка ведущего вала
28
77.52.222
Пластина замковая
29
77.58.115
Обойма
30
77.52.254
Пластина замковая
31
Болт М10.6gх20.58.016 ГОСТ 7796-70
Болт М10.6gх20.58.016 ГОСТ 7796-70
32
77.52.034
Вилка ведомого вала
33
К77.58.206
Планка распределительная
34
77.37.143А
Кольцо уплотнительное
35
77.52.257
Валик передний
36
77.52.258
Валик задний
37
77.37.162
Серьга
38
Шайба 10.01 ГОСТ 11371-78
Шайба 10.01 ГОСТ 11371-78
39
Шплинт 3,2х18 ГОСТ 397-79
Шплинт 3,2х18 ГОСТ 397-79
40
Болт М12.6gх35.58.016 ГОСТ 7796-70
Болт М12.6gх35.58.016 ГОСТ 7796-70
41
Шайба 1265Г05 ГОСТ 6402-70
Шайба 1265Г05 ГОСТ 6402-70
42
77.52.260-1
Фланец
Содержащиеся в справочниках-каталогах запасные части и детали не предлагаются к продаже, а носят исключительно информационный характер
Дополнительная информация
×
Название:
Номер:
Примечание: