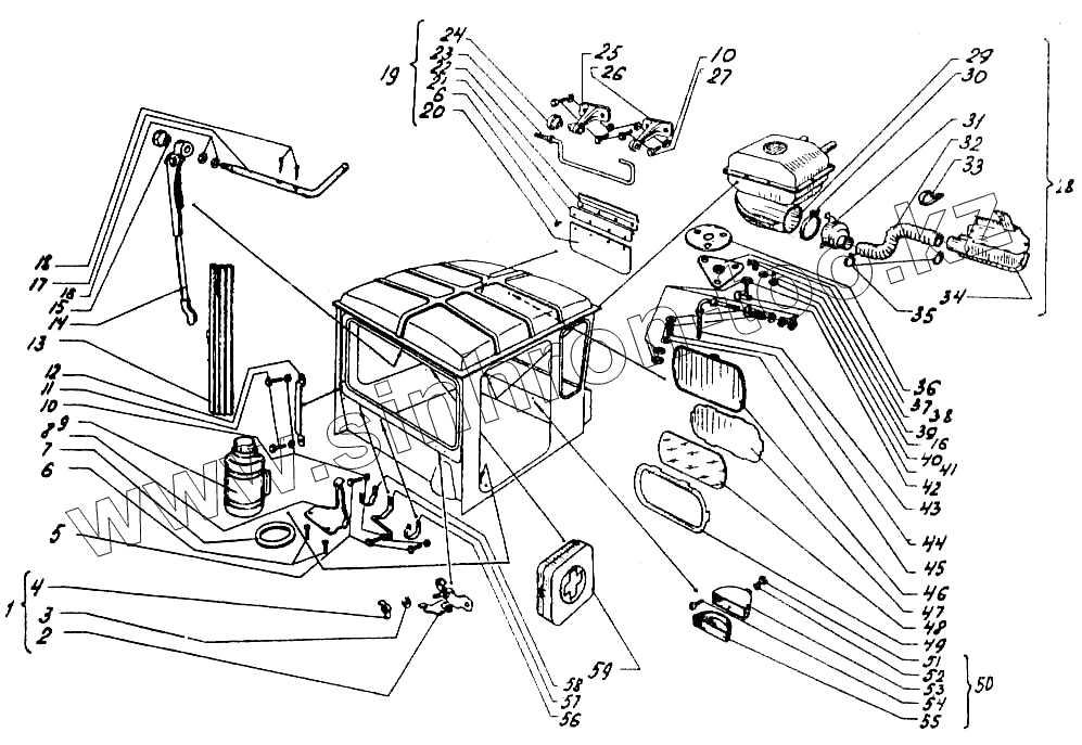
Каталог запасных частей к технике: ВгТЗ ДТ-75МВ. Оборудование кабины
1
2
3
4
5
6
6
7
8
9
10
10
11
12
13
14
15
16
16
17
18
19
20
21
22
23
24
25
26
27
29
30
30
31
32
33
34
35
36
37
37
38
39
40
41
42
43
44
45
46
47
48
49
51
52
53
54
55
56
57
58
59
| Позиция на иллюстрации | Заводской номер детали | Название детали | |
|---|---|---|---|
| 88.46.003 | 88.46.003 | Оборудование кабины | |
| 1 | А30.06.100 | Хомут | |
| 2 | А30.06.200 | Хомут | |
| 3 | Шайба 10.01 ГОСТ 11371-78 | Шайба 10.01 ГОСТ 11371-78 | |
| 4 | Гайка М12х1.25.8.016 ГОСТ 5916-70 | Гайка М12х1.25.8.016 ГОСТ 5916-70 | |
| 5 | Болт М8.6gх16.88.35.016 ГОСТ 7796-70 | Болт М8.6gх16.88.35.016 ГОСТ 7796-70 | |
| 6 | Винт М5.6gх12.58.016 ГОСТ 17473-72 | Винт М5.6gх12.58.016 ГОСТ 17473-72 | |
| 7 | 88.46.137 | Прокладка термоса | |
| 8 | 88.46.136-1 | Фиксатор | |
| 9 | СШ2.945.012Г4 | Термос | |
| 10 | Шайба 8 65Г 05 ГОСТ 6402-70 | Шайба 8 65Г 05 ГОСТ 6402-70 | |
| 11 | Болт М8.6gх 12.88.35.016 ГОСТ 7796-70 | Болт М8.6gх 12.88.35.016 ГОСТ 7796-70 | |
| 12 | А30.06.001 | Скоба | |
| 13 | СЛ1/1-У39 | Щетка | |
| 14 | СЛ12-5205500 | Узел рычага | |
| 15 | СЛ12-5205013 | Гайка специальная | |
| 16 | Шайба 8.01 ГОСТ 11371-78 | Шайба 8.01 ГОСТ 11371-78 | |
| 17 | 88.46.182 | Ось | |
| 18 | Шплинт 2х20 РОСТ 397-79 | Шплинт 2х20 РОСТ 397-79 | |
| 19 | 88.46.055-1 | Козырек солнцезащитный | |
| 20 | 88.46.269 | Козырек | |
| 21 | 88.46.267 | Планка наружная | |
| 22 | 78.46.060 | Отопитель | |
| 23 | 88.46.039 | Дуга | |
| 24 | 78.57.060 | Маховичок | |
| 25 | 88.46.056 | Кронштейн | |
| 26 | 88.46.271 | Кронштейн | |
| 27 | Болт М8.6gх20.88.35.016 ГОСТ 7796-70 | Болт М8.6gх20.88.35.016 ГОСТ 7796-70 | |
| 28 | 88.46.017 | Система обогрева кабины | |
| 29 | 88.46.049 | Отопитель | |
| 30 | 88.46.061 | Пепельница | |
| 30 | 88.46.033 | Хомутик | |
| 31 | 88.46.030 | Патрубок | |
| 32 | 85.26.142 | Шланг воздухоподводящий | |
| 33 | 88.46.167 | Лента | |
| 34 | 88.46.071 | Воздухораспределитель | |
| 35 | 77.06.027 | Хомут (хСВ-43) | |
| 36 | К77.46.202 | Пластина декоративная | |
| 37 | К77.46.022 | Пластина опорная | |
| 38 | К77.46.204-1 | Втулка | |
| 39 | 77.48.116 | Кольцо | |
| 40 | Болт М8.6gх25.88.35.016 ГОСТ 7796-70 | Болт М8.6gх25.88.35.016 ГОСТ 7796-70 | |
| 41 | Гайка М10.6.016 ГОСТ 5915-70 | Гайка М10.6.016 ГОСТ 5915-70 | |
| 42 | К77.46.040 | Опора | |
| 43 | К77.47.038-1 | Кронштейн зеркала в сборе | |
| 44 | 77.52.256 | Пружина | |
| 45 | Шайба 12.01 ГОСТ 11371-78 | Шайба 12.01 ГОСТ 11371-78 | |
| 46 | К77.46.039-1 | Основание | |
| 47 | А30.05.003 | Прокладка | |
| 48 | А30.05.001 | Зеркало заднего вида | |
| 49 | А30.05.004 | Окантовка | |
| 51 | Гайка М6.6.016 ГОСТ 5915-70 | Гайка М6.6.016 ГОСТ 5915-70 | |
| 52 | Шайба 6 65Г 05 ГОСТ 6402-70 | Шайба 6 65Г 05 ГОСТ 6402-70 | |
| 53 | А30.06.031 | Гнездо | |
| 54 | Винт М6.6gх16-58.016 ГОСТ 17473-72 | Винт М6.6gх16-58.016 ГОСТ 17473-72 | |
| 55 | А30.06.038 | Коробка | |
| 56 | 88.46.173-1 | Кронштейн | |
| 57 | 88.46.168-1 | Кронштейн | |
| 58 | 88.46.172-1 | Клипс | |
| 59 | 411.00.00.00 | Футляр аптечки |
Содержащиеся в справочниках-каталогах запасные части и детали не предлагаются к продаже, а носят исключительно информационный характер