Вернуться на главную
Поиск
Каталоги запчастей к технике
Сельхозтехника
ВгТЗ
ДТ-75МВ
Генератор и счетчик моточасов
Каталог запасных частей к технике: ВгТЗ ДТ-75МВ. Генератор и счетчик моточасов
zoom-in
zoom-out
enlarge
shrink
circle-right
circle-left
file-text2
info
cart
Тип техники
Не выбрано
Легковые автомобили
Грузовые автомобили и прицепы
Автобусы
Сельхозтехника
Спецтехника
Двигатели
Мототехника
Марка
Не выбрано
AGCO
Amity
CASE IH
DongFeng
Fortschritt
Foton
Franz Kleine
Gaspardo
Great Plains
KRONE
KUHN
Lemken
Lovol
MacDon
Massey Ferguson
New Holland
TIGARBO
Vaderstad
Versatile
Wirax
Агро
Агротехмаш
Бобруйскагромаш (ОАО «УКХ «Бобруйскагромаш»)
БЭМЗ
ВгТЗ
Воронежсельмаш
ВТЗ
Гомсельмаш
ДКЗ
ЗАО "Техника-сервис"
ЗиД
КЗК
Кировец-Ландтехник
Клевер
Красная Звезда
Лидагропроммаш
Лидсельмаш
ЛТЗ
Машстройхолдинг
Минитракторы
Мордовагромаш
МТЗ
Навигатор-Новое машиностроение
Нефтекамский автозавод
ПТЗ
Ремком
РСМ
Сибсельмаш
ТеКЗ
ТКЗ
ХЗТСШ
ХТЗ
ЮМЗ
Модель
Не выбрано
ВТ-100Д (2015)
ДТ-75
ДТ-75В, ДТ-75БВ, ДТ75Н
ДТ-75М (1996)
ДТ-75МВ (2002)
ДТ-75Н (1987)
Схема
>
Не выбрано
Кабина
Оборудование кабины
Оборудование кабины. Омыватель переднего стекла
Обшивка трактора. Основание и опора
Дверь кабины
Установка сиденья
Сиденье водителя
Четырехзвенник
Оборудование кабины. Система обогрева
Установка вентиляционная
Установка вентиляционная. Крыльчатка
Обшивка трактора
Общий вид дизеля А-41 (вид справа)
Общий вид дизеля А-41 (вид слева)
Рисованное оглавление дизеля А-41
Блок-картер
Блок-картер
Картер шестерен
Поршень и шатун
Коленчатый вал
Механизм газораспределения
Головка цилиндров
Головка цилиндров
Крышка картера нижняя
Генератор и счетчик моточасов
Пусковое устройство
Пусковое устройство
Насос масляный
Насос масляный
Маслоочиститель полнопоточный центробежный
Механизм уравновешивания
Радиатор масляный
Управление дизелем
Управление запуском дизеля
Установка подогревателя ПЖБ-200
Пульт подогревателя ПЖБ-200
Установка дизеля
Воздухоочиститель
Топливная система
Топливная система
Топливный насос
Топливный насос
Топливоподкачивающий насос (помпа)
Регулятор топливного насоса
Форсунка
Арматура топливная и топливопроводы
Баки топливные
Выпускная система
Водяной насос и вентилятор
Радиатор водяной
Шторка радиатора
Муфта сцепления
Коробка передач. Крышка коробки передач
Коробка передач. Вал заднего хода и дополнительный
Коробка передач. Валы первичный и вторичный
Коробка передач. Валы первичный и вторичный
Передача карданная
Передача карданная (трактор, оборудованный ходоуменьшителем или реверс-редуктором)
Мост задний. Коробка управления. Рычаги
Мост задний. Шкивы
Мост задний. Водило в сборе
Мост задний
Передача конечная
Ходоуменьшитель. Крышка верхняя
Ходоуменьшитель. Вал пониженных скоростей
Ходоуменьшитель. Вал ведущий
Ходоуменьшитель. Вал промежуточный и резервных скоростей
Реверс-редуктор. Крышка верхняя
Реверс-редуктор. Валы и шестерни
Рама трактора
Каретка подвески
Колесо направляющее
Ролик поддерживающий
Гусеница
Управление трактором
Управление трактором. Тяги, рычаги.
Управление трактором. Тяга КПП
Электрооборудование трактора
Электрооборудование трактора. Приборы
Электрооборудование трактора. Приборы. Провода
Тягово-сцепное устройство
Установка сцепки СА-2
Устройство прицепное
Вал отбора мощности
Вал отбора мощности. Вал ведомый
Привод гидравлического насоса
Привод гидравлического насоса
Цилиндр основной
Цилиндр выносной
Цилиндр выносной. Шланги
Бак масляный
Установка распределителя. Рычаги
Установка распределителя. Распределитель
Маслопроводы гидросистемы
Гидроусилитель
Гидроусилитель управления
Механизм навески
Механизм навески. Тяги и растяжки
Механизм навески. Стяжка
Муфта разрывная
Комплект инструмента и приспособлений
Комплект инструмента и принадлежности. Ключи
Комплект инструмента и принадлежности
Общий вид трактора ДТ-75МВ
Рисованное оглавление шасси трактора ДТ-75МВ
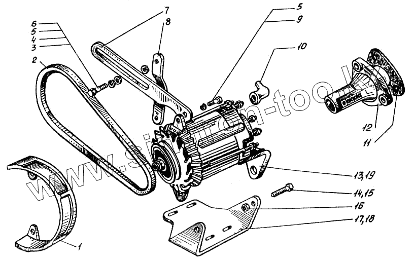
Позиция на иллюстрации
Заводской номер детали
Название детали
1
01-14С5
Щиток
2
1-8.5х8х933
Ремень ГОСТ 5813-76
3
М8.4Н.8.35.013
Гайка ГОСТ 2524-70
4
8.37
Шайба ГОСТ 11371-78
5
8.65Г.05
Шайба ГОСТ 6402-70
6
М8-6gх25.88.35.013
Болт ГОСТ 7796-70
7
03А-1403
Натяжитель
8
03А-1404
Кронштейн натяжителя
9
М8-6gх16.88.35.013
Болт ГОСТ 7796-70
10
У5-1460
Колпачок
11
01-1407
Прокладка
12
01-14С2
Счетчик моточасов СЧ 100Б
14
03А-1407
Болт
16
М10.6Н.6.1Д.013
Гайка ГОСТ 5927-70
17
03А-1406
Кронштейн генератора
Содержащиеся в справочниках-каталогах запасные части и детали не предлагаются к продаже, а носят исключительно информационный характер
Дополнительная информация
×
Название:
Номер:
Примечание: