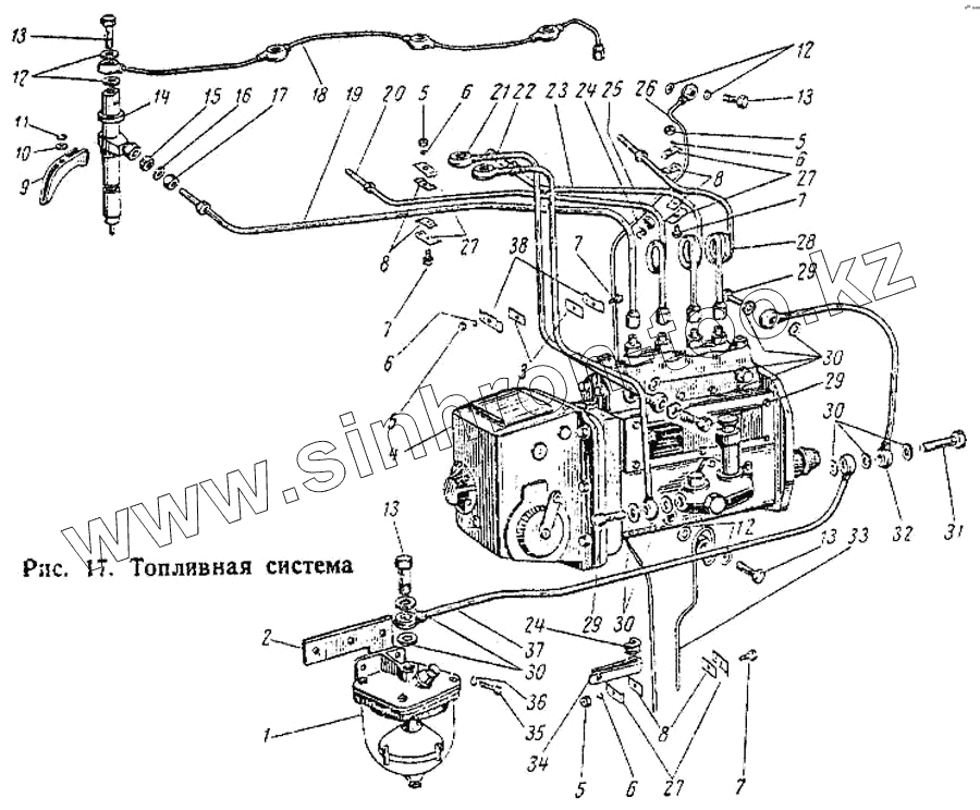
Каталог запасных частей к технике: ВгТЗ ДТ-75М. Топливная система
1
2
3
4
4
5
5
5
5
6
6
6
6
7
7
7
7
8
8
8
9
10
11
12
12
12
13
13
13
13
14
15
16
17
18
19
20
21
22
23
24
24
25
26
27
27
27
28
29
29
29
30
30
30
30
31
32
33
34
35
36
37
38
| Позиция на иллюстрации | Заводской номер детали | Название детали | |
|---|---|---|---|
| 1 | ФП-С1-1 | Фильтр грубой очистки | |
| 2 | 41-1523-1 | Кронштейн фильтра грубой очистки | |
| 3 | 03-1556 | Прокладка | |
| 4 | 41-16с1 | Насос топливный | |
| 4 | 41-16с1 | Насос топливный | |
| 5 | Гайка М8 кл. 2-055, ГОСТ 2524-62 | Гайка М8 кл. 2-055, ГОСТ 2524-62 | |
| 6 | Шайба пружинная 8Н 65Г, ГОСТ 6402-61 | Шайба пружинная 8Н 65Г, ГОСТ 6402-61 | |
| 7 | Болт М8Х25 кл. 2-015, ГОСТ 7796-62 | Болт М8Х25 кл. 2-015, ГОСТ 7796-62 | |
| 8 | 14-1567-1 | Прокладка | |
| 9 | 01-А1533 | Скоба крепления форсунки | |
| 10 | 01-А1532 | Шайба скобы крепления форсунки | |
| 11 | Шайба пружинная 12Н 65Г, ГОСТ 6402-61 | Шайба пружинная 12Н 65Г, ГОСТ 6402-61 | |
| 12 | 41-1526 | Прокладка | |
| 13 | СМД7-1590 | Болт зажимной | |
| 14 | 6А1-20с1 | Форсунка | |
| 15 | 01-1542 | Кольцо резиновое | |
| 16 | 01-А1548 | Шайба | |
| 17 | Гайка М18Х1,5 кл. 2-055, ГОСТ 2526-62 | Гайка М18Х1,5 кл. 2-055, ГОСТ 2526-62 | |
| 18 | 41-15с13А | Топливопровод слива | |
| 19 | 41-15с18-1 | Топливопровод к IV цилиндру | |
| 20 | 41-15с17-1 | Топливопровод к III цилиндру | |
| 21 | 41-15с23-1 | Топливопровод от фильтров к насосу | |
| 22 | 41-15с24-1 | Топливопровод от помпы к фильтрам | |
| 23 | 41-15с16-1 | Топливопровод ко II цилиндру | |
| 24 | 01-А1551 | Прокладка | |
| 25 | 01-1540 | Хомут | |
| 26 | 41-15с14-1 | Топливопровод слива с головки цилиндров в бак | |
| 27 | 14-1540-1 | Планка зажима | |
| 28 | 41-15с15-1 | Топливопровод к I цилиндру | |
| 29 | 16-110 | Болт поворотного угольника | |
| 30 | СМД7-1539 | Прокладка | |
| 31 | СМД7-1536 | Болт поворотного угольника | |
| 32 | 41-15с25-2 | Топливопровод от насоса к помпе | |
| 33 | 41-15с27-1 | Трубка дренажная | |
| 34 | 41-1560 | Хомут | |
| 35 | Болт М10 кл. 2-015, ГОСТ 7796-62 | Болт М10 кл. 2-015, ГОСТ 7796-62 | |
| 36 | Шайба пружинная 10Н 65Г, ГОСТ 6402-61 | Шайба пружинная 10Н 65Г, ГОСТ 6402-61 | |
| 37 | 41-15с28-1 | Топливопровод от фильтра грубой очистки к помпе | |
| 38 | 01-1555 | Планка зажимная |
Содержащиеся в справочниках-каталогах запасные части и детали не предлагаются к продаже, а носят исключительно информационный характер