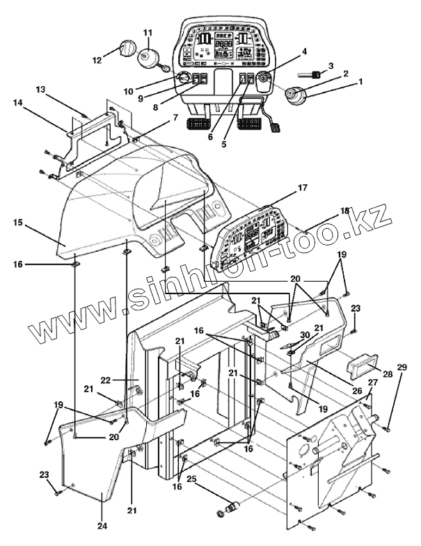
Каталог запасных частей к технике: Versatile серии HHT. 8FCP01 Передняя панель и рулевая колонка
1
2
3
4
5
6
7
8
9
10
11
12
13
14
15
16
16
16
16
16
17
18
19
19
19
20
20
21
21
21
21
21
21
22
23
23
24
25
26
27
27
27
28
29
30
| Позиция на иллюстрации | Заводской номер детали | Название детали | |
|---|---|---|---|
| 1 | 86500903 | Переключатель зажигания в сборе | |
| 2 | 86502200 | Гайка | |
| 3 | 86502201 | Ключ | |
| 4 | 86507706 | Информационная табличка 4-хпозиционного переключателя | |
| 5 | 9824815 | Переключатель остановки двигателя | |
| 6 | 9993091 | Заглушка | |
| 7 | 9628100 | Гайка M4х0.7 | |
| 8 | 86500302 | Переключатель включения проблескового маяка, 12В | |
| 9 | 9993093 | Переключатель включения сигнала аварийного состояния | |
| 10 | 86033186 | Информационная табличка переключателя | |
| 11 | 9824811 | Переключатель главный LT 4 PSN | |
| 12 | 9848710 | Кнопка электронного управления панелью приборов | |
| 13 | 86500925 | Болт M6x12 Cl-8.8 | |
| 14 | 86508072 | Кронштейн приборной панели | |
| 15 | 86500308 | Крышка панели управления передняя | |
| 16 | 86508354 | Гайка M8х1.25 | |
| 17 | 86035128SRV | Модуль комбинации приборов с ПО | |
| 18 | 86050228 | Крепежный винт с плоскоконической головкой M4x60 | |
| 19 | 86503049 | Болт M6x30, Cl-4.8 Pl | |
| 20 | 9804260 | Болт M8x30 Cl-8.8 Pl | |
| 21 | 9844267 | Гайка U М6х1.0 | |
| 22 | 86034742 | Рама | |
| 23 | 86502680 | Болт с крестообразной головкой M6x20 | |
| 24 | 86500309 | Накладка левая приборной панели | |
| 25 | 86507086 | Сигнализация звуковая (0 - 20dBa) | |
| 26 | 86500310 | Накладка правая приборной панели | |
| 27 | 86031694 | Экран HHP-L4wd | |
| 27 | 86034577 | Экран HHP | |
| 28 | 9824826 | Пепельница Genesis & L4wd | |
| 29 | 9671714 | Болт шестигранный FLG M 8x25 8.8PL | |
| 30 | 86033257 | Кронштейн |
Содержащиеся в справочниках-каталогах запасные части и детали не предлагаются к продаже, а носят исключительно информационный характер