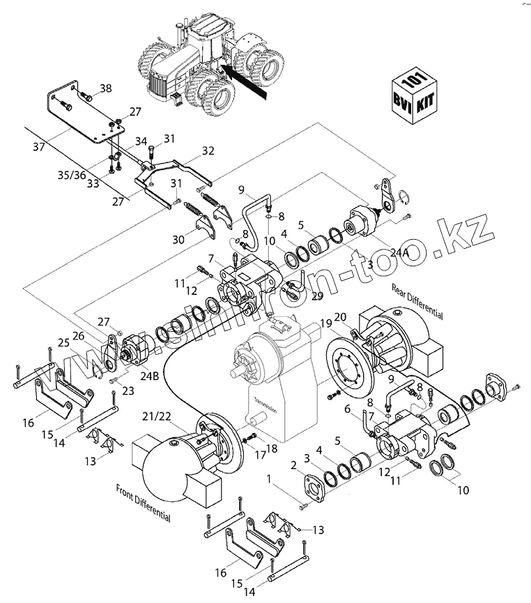
Каталог запасных частей к технике: Versatile серии HHT. 7BRK01 Тормозной диск в сборе
1
2
6
6
7
7
9
9
10
10
11
11
14
14
16
16
17
18
19
20
21
22
23
24А
24В
25
26
27
27
27
29
29
30
31
31
32
33
34
35
36
37
38
| Позиция на иллюстрации | Заводской номер детали | Название детали | |
|---|---|---|---|
| 1 | 86033461 | Комплект деталей крепления кожуха | |
| 2 | 86034542 | Крышка тормозного цилиндра L4WD | |
| 6 | 86033060 | Трубопровод заднего тормоза, ННР L4wd | |
| 6 | 86034016 | Трубка, Сталь ZN-Рl, задняя тормозная магистраль | |
| 7 | 9705814 | Суппорт тормоза | |
| 7а | 86031986 | Суппорт тормоза, HHP-L4wd | |
| 7b | 86031987 | Суппорт тормоза, HHP-L4wd | |
| 9 | 86033400 | Комплект трубок | |
| 10 | 86000351 | Пыльник | |
| 11 | 86000349 | Предохранительный клапан, L4WD | |
| 14 | 86000346 | Пальцы со шплинтами | |
| 16 | 86033399 | Набор - тормозные колодки | |
| 17 | 44183 | Шайба 13.00X24.00X2.5 HDN PL | |
| 18 | 87689 | Болт шестигранный 0.50x1.50GR5 PL | |
| 19 | 9707252 | Диск тормозной в сборе 508х19 L4WD | |
| 20 | 86033849 | Фланец | |
| 21 | 88556 | Болт 0.62х2.25 Gr-5 Рl | |
| 22 | 9672419 | Шайба 16.00х28.00х3.00, Нdn, Вl, сталь | |
| 23 | 86033463 | Комплект болтов L4WD | |
| 24А | 86033395 | Привод HHP-L4WD | |
| 24В | 86033396 | Привод HHP-L4WD | |
| 25 | 86000341 | Стопорное кольцо диам.1.375dm | |
| 26 | 86000347 | Рычаг L4WD | |
| 27 | 9670023 | Контргайка с нейлоновой вставкой M8 класс 8 PL | |
| 29 | 86033059 | Трубопровод переднего тормоза, HHP L4wd | |
| 29 | 86034022 | Трубка, Сталь ZN-Pl, передняя тормозная магистраль | |
| 30 | 86000345 | Комплект деталей рамы подвески сидения | |
| 31 | 9671714 | Болт шестигранный FLG M 8x25 8.8PL | |
| 32 | 86027817 | Кронштейн тормозного привода (красный) | |
| 33 | 86511442 | Болт шестигранный FLG USR M 6x20 PL | |
| 34 | 86032527 | Трос стояночного тормоза HHP -L4WD | |
| 35 | 86000001 | Фиксатор кабеля 12.8 | |
| 36 | 86000002 | Стыковая прокладка | |
| 37 | 86032383 | Кронштейн тяги стояночного тормоза | |
| 38 | 86511042 | Крепежный винт с плоскоконической головкой M4x16 | |
| 101A | 86033398 | Набор пыльников и прокладок | |
| 101B | 86033462 | Комплект стопорныхколец и рычаг | |
| 101C | 86033397 | Поршни, пыльники и уплотнения |
Содержащиеся в справочниках-каталогах запасные части и детали не предлагаются к продаже, а носят исключительно информационный характер