Вернуться на главную
Поиск
Каталоги запчастей к технике
Сельхозтехника
Versatile
Versatile серии HHT
5TRN01 Верхняя крышка КПП
Каталог запасных частей к технике: Versatile серии HHT. 5TRN01 Верхняя крышка КПП
zoom-in
zoom-out
enlarge
shrink
circle-right
circle-left
file-text2
info
cart
Тип техники
Не выбрано
Легковые автомобили
Грузовые автомобили и прицепы
Автобусы
Сельхозтехника
Спецтехника
Двигатели
Мототехника
Марка
Не выбрано
AGCO
Amity
CASE IH
DongFeng
Fortschritt
Foton
Franz Kleine
Gaspardo
Great Plains
KRONE
KUHN
Lemken
Lovol
MacDon
Massey Ferguson
New Holland
TIGARBO
Vaderstad
Versatile
Wirax
Агро
Агротехмаш
Бобруйскагромаш (ОАО «УКХ «Бобруйскагромаш»)
БЭМЗ
ВгТЗ
Воронежсельмаш
ВТЗ
Гомсельмаш
ДКЗ
ЗАО "Техника-сервис"
ЗиД
КЗК
Кировец-Ландтехник
Клевер
Красная Звезда
Лидагропроммаш
Лидсельмаш
ЛТЗ
Машстройхолдинг
Минитракторы
Мордовагромаш
МТЗ
Навигатор-Новое машиностроение
Нефтекамский автозавод
ПТЗ
Ремком
РСМ
Сибсельмаш
ТеКЗ
ТКЗ
ХЗТСШ
ХТЗ
ЮМЗ
Модель
Не выбрано
Versatile серии 2000 (2008)
Versatile серии GENESIS (2008)
Versatile серии HHT (2008)
Схема
>
Не выбрано
5AXL01 Ось и планетарная ступица Okubo
5AXL02 Ось и планетарная ступица Eaton в сборе
5CLP01 Тяги муфты сцепления 12 скоростной АКПП
5CLP02 Тяги муфты сцепления 16 скоростной АКПП
5CLS01 Тяги муфты сцепления 12 скоростной МКПП
5DIF01 HH L4WD Дифференциал в сборе без блокировки
5DIF02 HH L4WD Дифференциал с блокировкой в сборе
5DIF03 Дифференциал Okubo в сборе STD HHP-L4WD
5DRL01 Карданные передачи
5TRN01 Верхняя крышка КПП
5TRN02 Управляющий клапан
5TRN03 Первичный вал в сборе
5TRN03a Муфта сцепления в сборе
5TRN04 Вал промежуточный 2-й в сборе
5TRN05 Вторичный вал в сборе
5TRN06 Вал промежуточный 1-й в сборе
5TRN07 Нижняя крышка КПП в сборе
5TRN10 Внешний вид деталей КПП HHP
5TRN10a Сетчатый фильтр всасывающего патрубка
5TRN11 Крепление КПП
2FRM02 Рама с продольной рулевой тягой в сборе
2FRM01 Рама с деталями шарнирного соединения в сборе
2FEN01 Задняя опора капота с передними крыльями в сборе
4STR01 Рулевая гидросистема
4STV01 Насос-дозатор в сборе
4STR02 Гидроцилиндр рулевой
7BRK01 Тормозной диск в сборе
7TBV01 Клапан и соединительные трубки тормозной системы прицепа
7BRK04 Педаль тормоза с тягой клапана в сборе
7BRK03 Тормозной клапан с суппортом и аккумулятором в сборе
7BRK02 Обслуживание тормозного клапана (Dual-S6)
8ACL01 Педаль акселератора с тягой в сборе
8CAB01 Кабина в сборе с окнами и дверью
8CAB02 Дверь кабины в сборе
8DCL01 HHP Информационные таблички
8DCL02 HHP Идентификационные бирки
8FCP01 Передняя панель и рулевая колонка
8HAC01 Агрегат подогрева и кондиционирования воздуха
8HAC01a Система автоматического контроля воздуха
8HAC02 Система подогрева и кондиционирования воздуха
8INT01 Герметизация и звукоизоляция кабины
8INT02 Установка деталей внутренней части кабины
8INT03 Электрические приборы задний нижней внутренней части кабины
8OPC01 Приборы контроля на главной панели
8OPC02 Приборы контроля в верхней части кабины
8OPC03 Пульт правой стороны
8OPC03a Справочник пульта гидравлики
8OPC03b Панель рычажного механизма переключения
8OPC03c Пульт контроля расхода
8OPC04 Пульт гидравлики
8RHA01 Крыша кабины и система микроклимата в сборе
8RHL01 Оборудование крыши кабины и системы контроля в сборе
8RSA01 Крыша кабины и звуковая система в сборе
8STA01 Сиденье в сборе, базового и опционального
8STB01 Сиденье оператора в сборе
8STT01 Сиденье помощника в сборе
8STB02 Основание сидения с амортизатором в сборе
8STD02a Амортизатор сидения
8STD02b Рама подъемного механизма улучшенного сидения
8WPR01 Привод стеклоочистителя в сборе, передний/задний
1CLG01 Радиаторная решетка с радиаторами в сборе
1CLG03 Радиатор с кожухом в сборе
1CLG02 Опорная рама радиатора в сборе
1DCL01 Механизм управления акселератором в сборе
1ENG01 Выпускная и впускная система двигателя, HHP-L4WD
1ENG02Ls Двигатель Qsx-15 в сборе, левая сторона
1ENG02Rs Двигатель Qsx-15 в сборе, правая сторона
6CPL01 Секции гидромуфты с/без PO-Check
6CPL03 Пыльники гидромуфты
6HCC01 Подключение масляного радиатора
6HFS01 Фильтр гидравлической системы, установка и подключение
6HTC01 Схема подключения гидробака
HTP01 Подключение гидравлического насоса
6HTP02 Подключение гидравлического насоса
6HYD01 Схема перемещения жидкости в гидравлической системе
6HYD01a Гидравлическая система передней части рамы
6HYD02 Гидравлические клапаны с соединительным приспособлением в сборе
6HYD02a Система гидравлического оборудования задней части рамы, Mechanical
6HYD02b Система гидравлического электрооборудования задней части рамы, EHR
6HYD03 Соединительная перемычка в сборе
6HYD04a Гидравлический клапан навесного оборудования, секция 4 и 6
6HYD04c Гидравлический клапан навесного оборудования, секция 6
6HYD04d Электрогидравлический клапан навесного оборудования, секция 4 и 6
6MCB01 Управляющий модуль
6MCB01a Установка и соединение управляющего модуля
6VLV01 Клапан гидравлический, 4 секция Standard
6VLV02 Клапан гидравлический, 4 секция W/Hpl
6VLV03 Клапан гидравлический, 4 секция EHR-L/Hpl
6VLV04 Клапан гидравлический, 4 секция EHR-W/Hpl
6VLV05 Клапан гидравлический, 6 секция Standard
6VLV06 Клапан гидравлический, 6 секция HiFlow
6VLV07 Клапан гидравлический, 6 секция EHR-L/Hpl
6VLV08 Клапан гидравлический, 6 секция EHR / HiFlow
6VLV09 Клапан гидравлический, 6 секция EHR-W/hpl
6VLV10 Клапан гидравлический, 8 секция EHR W/HiFlow
6VLV30bf Клапан дросселирующий в сборе
6VLV30bl Клапан гидравлический блокировочный в сборе
6VLV31bf Клапан дросселирующий в сборе
6VLV31bl Клапан гидравлический блокировочный в сборе
6VLV32bl Клапан гидравлический блокировочный в сборе
6VLV33bl Клапан гидравлический блокировочный в сборе
6VLV34bl Клапан гидравлический блокировочный в сборе
6VLV35bl Клапан гидравлический блокировочный в сборе
3BAT01 Аккумуляторный ящик в сборе
3ELC06 Жгут МКПП
3ELC02 Жгут крыши кабины HHP
3ELC01 Жгут кабины, главный, HHP
3ELC03 Жгут задней части рамы HHP
3ELC04 Жгут передний, двигатель QSX15
3ELC07 Жгут 1407 12АКПП
3LTS01 Световые приборы решетки радиатора
3ELC08 Жгут TA-22 16АКПП
3LTS02 Световые приборы задних крыльев
3LTS03 Световые приборы крыши кабины
3STR01 Стартер в сборе
9ATT01 Редуктор понижающий механизма отбора мощности в сборе BUH HH-L4WD
9ATT02 Грузы передние - HHP L4WD
9ATT03 Подвижное сцепное устройство и каркас в сборе
9ATT03a Комплект усиления сцепного устройства
9ATW01 Конфигурации колес
9MIR01 Зеркало заднего вида, стандартное
9PBM01 Силовой жгут и навесное оборудование
9RADIO Модели устанавливаемых магнитол, май 2007
9TLB01 Инструментальный ящик передний и задний в сборе
9WTS01 Груза и сопутствующие компоненты
1
1
2
2
3
3
4
4
5
5
6
7
8
9
10
11
12
13
14
15
16
17
18
19
20
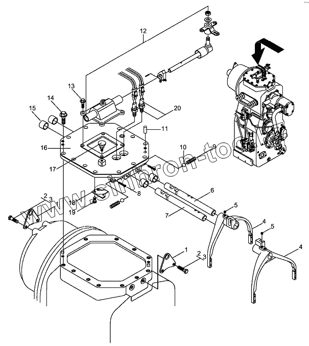
Позиция на иллюстрации
Заводской номер детали
Название детали
86033309
86033309
ТМ88 12МКПП ННР
86031867
86031867
Трансмиссия
1
86001253
Кронштейн
2
300388
Болт M12x1.75x25 8.8 Pl
3
86511324
Шайба 13.27X24.00X2.500 PL
4
86019037
Вилка переключения передач А и В
5
86001282
Болт M10x1.5x10
6
86019035
Балка переключения А
7
86019036
Балка переключения В
8
88350
Фиксатор 0.15х1.50dm
9
86001288
Пружина направляющей механизма переключения передач, длина 42мм
10
511112
Шарик стальной d.13/32dm
11
86508495
Штифт 12.0x24.0
12
86033611
Переключатель в сборе, КПП HHP-L4WD
13
86019038
Болт
14
9670066
Болт M12x1.75x30 Cl-8.8
15
86019006
Втулка балки трансмиссии с'емная
16
86019034
Крышка механизма переключения, 12КПП, L4WD
17
V12179
Пробка 3/8-18
18
86019039
Направляющая пластина
19
336199
Болт M8x1.25x12 Cl-8.8
20
86031605
Наконечник выключателя блокировки
Содержащиеся в справочниках-каталогах запасные части и детали не предлагаются к продаже, а носят исключительно информационный характер
Дополнительная информация
×
Название:
Номер:
Примечание: