Каталог запасных частей к технике: Versatile серии GENESIS. 05A04 Насос поршневой в сборе
1
1
1
1A
2
3
4
5
6
7
8
9
10
11
11
11
13
14
15
16
17
18
19
20
21
22
23
24
25
25
25
26
27
28
29
30
31
33
34
35
36
36
37
37
37
37
37
37
38
38
39
39
40
41
41
42
42
43
44
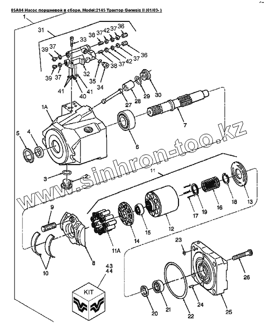
| Позиция на иллюстрации | Заводской номер детали | Название детали | |
|---|---|---|---|
| 1 | 86026364 | Насос плунжерный | |
| 1 | 86026365 | Плунжерный насос | |
| 1A | NS | Левая боковина в сборе | |
| 2 | 86508737 | Пробка 7/8 - 14unf | |
| 3 | 167269 | Кольцо уплотнительное вн. O 0.8xтолщина 0.09 N | |
| 4 | 86017909 | Сальник | |
| 5 | 86503179 | Манжета | |
| 6 | 86503185 | Подшипник роликовый | |
| 7 | 86503184 | Вал, 15 шлицев | |
| 8 | 86017918 | Наклонная шайба | |
| 9 | 86503195 | Пружина | |
| 10 | 86018146 | Подшипник наклонной шайбы | |
| 11 | 86503176 | Роторная группа плунжерного насоса | |
| 11 | 86503177 | Роторная группа плунжерного насоса | |
| 13 | 86011613 | Блок | |
| 14 | 86011614 | Блок | |
| 15 | 86011615 | Шайба | |
| 16 | 86011616 | Пружина | |
| 17 | 86011617 | Штифт | |
| 18 | 86011640 | Стопорное кольцо | |
| 19 | 86011618 | Шайба | |
| 20 | 86503190 | Регулировочное кольцо | |
| 21 | 86503191 | Подшипник роликовый | |
| 22 | 86507415 | Уплотнительное кольцо внут.диам.2.5 | |
| 23 | 86507414 | Уплотнительное кольцо, внут.диам.7.0мм толщина 2.0мм | |
| 24 | 86503192 | Штифт | |
| 25 | 86017911 | Крышка | |
| 25 | 86503193 | Крышка | |
| 26 | 86508426 | Болт М12x45 12.9р1 | |
| 27 | 86503181 | Стержень | |
| 28 | 86503182 | Поршень | |
| 29 | 86017920 | Уплотнительное кольцо, внут.диам.23.6мм толщина 2.65мм | |
| 30 | 86017911 | Крышка | |
| 31 | 86503178 | Модуль управления плунжерным насосом | |
| 33 | 86512136 | Болт С1 10.9, М6х1х30 | |
| 34 | 9672438 | Пробка 7/16 - 20 | |
| 35 | 165202 | Кольцо уплотнительное вн. O 0.351xтолщина 0.072 | |
| 36 | 86508424 | Гайка М8х1 | |
| 37 | 86503197 | Уплотнительное кольцо плунжерного насоса | |
| 38 | 86503198 | Регулировочный винт | |
| 39 | 86024359 | Пробка М8х1.0 | |
| 40 | 86507413 | Кольцо уплотнительное, 4x1.5мм | |
| 41 | 9825770 | Кольцо уплотнительное 0.301 IDX0.070 THK 90DU | |
| 42 | 86011609 | Гайка М10х1 | |
| 43 | 86018165 | Комплект подшипников | |
| 44 | 86018164 | Комплект уплотнений |
Содержащиеся в справочниках-каталогах запасные части и детали не предлагаются к продаже, а носят исключительно информационный характер