Каталог запасных частей к технике: Versatile серии GENESIS. 04A01 Корпус центральный задней оси
1
1
1
2
2
2
3
4
5
5
7
8
8
8
8
9
10
11
12
12
13
14
16
16
17
18
18
18
18
18
19
20
21
22
23
24
25
26
27
27
27
28
29
30
31
32
33
34
35
36
37
38
39
40
41
41
41
41
41
42
43
44
45
47
49
50
51
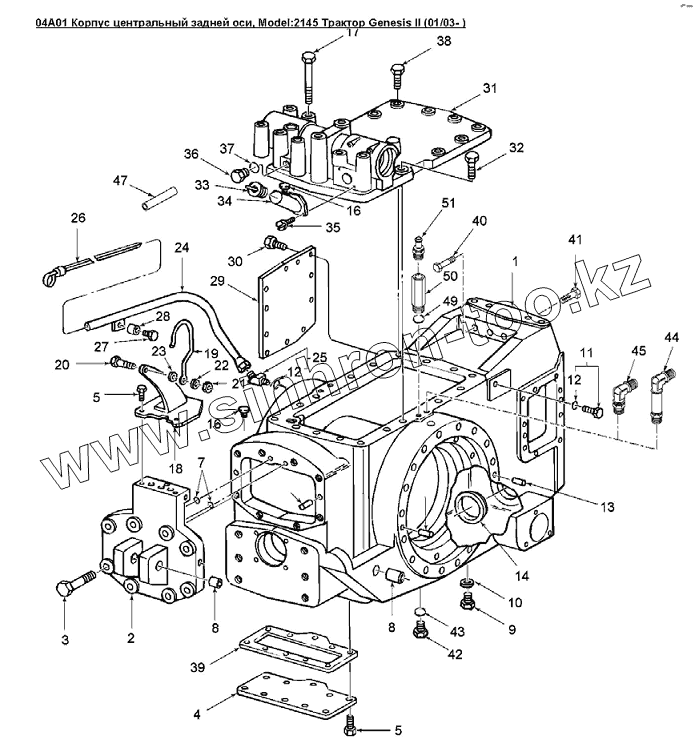
| Позиция на иллюстрации | Заводской номер детали | Название детали | |
|---|---|---|---|
| 9993141 | 9993141 | Кольцо уплотнительное 0.364 IDX0.070 THK BUNA | |
| 86509334 | 86509334 | Штифт 10.0x20.0мм | |
| 1 | 9848950 | Центральный корпус в сборе 145HP | |
| 1 | 9840400 | Корпус | |
| 2 | 86002590 | Крепление механизма отбора мощности | |
| 2 | 86002589 | Крышка 540/1000 Rpm | |
| 3 | 9843495 | Болт шестигранный M20x60 10.9PL | |
| 4 | 9840464 | Крышка | |
| 5 | 43138 | Болт M10x1.5x20 Cl 8.8 | |
| 7 | 128999 | Кольцо уплотнительное 0.424 IDX0.103 THK BUNA | |
| 8 | 291548 | Втулка | |
| 8 | 9991250 | Втулка диам.внутр.1.266 наруж. 1.499 длина 1.53dm | |
| 9 | 9848947 | Пробка 1.0x18 | |
| 10 | 86010325 | Прокладка внутр. o 1, внешн. O 1,25, W 06 | |
| 11 | 278548 | Пробка 7/16 - 20 orb | |
| 12 | 165202 | Кольцо уплотнительное вн. O 0.351xтолщина 0.072 | |
| 13 | 86505265 | Штифт 0.63х1.85 | |
| 14 | 9840418 | Пробка | |
| 16 | 9636958 | Сапун 0.375 - 18npt | |
| 17 | 9840670 | Болт M16х180 | |
| 18 | 86502922 | Кронштейн | |
| 18 | 86014099 | Кронштейн | |
| 18 | 86502921 | Кронштейн | |
| 19 | 86507089 | Крюк фиксатор | |
| 20 | 9706687 | Болт шестигранный M12 X 30 8.8PL | |
| 21 | 337475 | Гайка M12х1.75 | |
| 22 | 25939 | Шайба | |
| 23 | 86504725 | Втулка диам.наруж. 25.4 внутр.13.50 длина 10.30 | |
| 24 | 9841505 | Указатель уровня | |
| 25 | 330346 | Фитинг 45°, 9/16jic x 9/16orb | |
| 26 | 9840605 | Щуп масляный | |
| 27 | 16043224 | Болт CL 8.8, M8 x 1.25 x 16 | |
| 27 | 120062 | Болт M6х70 8.8pl | |
| 28 | 86012709 | Втулка | |
| 29 | 9841211 | Крышка муфты | |
| 30 | 9861444 | Болт M10х20 10.9PL | |
| 31 | 86014201 | Крышка в сборе | |
| 32 | 379280 | Болт M16х65 10.9pl | |
| 33 | 9841297 | Пробка | |
| 34 | 86018802 | Трубка масляного фильтра | |
| 35 | 120104 | Болт M8х20 8.8Plt | |
| 36 | 163410 | Пробка 1-1/16orb | |
| 37 | 167266 | Кольцо уплотнительное вн. O 0.924xтолщина 0.116 | |
| 38 | 9843611 | Болт M16x55 Cl-10.9 | |
| 39 | 9843705 | Прокладка крышки дифференциала | |
| 40 | 9849411 | Болт | |
| 41 | 412398 | Болт M16x50 Cl-10.9 | |
| 41 | 9847703 | Болт | |
| 41 | 337563 | Болт шестигранный M12x40 10.9PL | |
| 42 | 9625178 | Пробка 9/16dm, сталь | |
| 43 | 9617873 | Кольцо уплотнительное 9/16 IDX11/16 THK NITRI | |
| 44 | 9840601 | Фитинг 90°, Orb-9/16 Ofs-11/16 | |
| 45 | 9840543 | Фитинг 90, 9/16orbx11/16ofs | |
| 47 | 86529262 | Рукав 30R6 5/16dmx990мм | |
| 49 | 9617873 | Кольцо уплотнительное 9/16 IDX11/16 THK NITRI | |
| 50 | 9840380 | Дроссель | |
| 51 | 81820047 | Жиклер | |
| 99 | 9823501 | Штифт 15.72x146.3 |
Содержащиеся в справочниках-каталогах запасные части и детали не предлагаются к продаже, а носят исключительно информационный характер