Вернуться на главную
Поиск
Каталоги запчастей к технике
Сельхозтехника
Versatile
Versatile серии GENESIS
02D02 Шкив компрессора пневматического тормоза
Каталог запасных частей к технике: Versatile серии GENESIS. 02D02 Шкив компрессора пневматического тормоза
zoom-in
zoom-out
enlarge
shrink
circle-right
circle-left
file-text2
info
cart
Тип техники
Не выбрано
Легковые автомобили
Грузовые автомобили и прицепы
Автобусы
Сельхозтехника
Спецтехника
Двигатели
Мототехника
Марка
Не выбрано
AGCO
Amity
CASE IH
DongFeng
Fortschritt
Foton
Franz Kleine
Gaspardo
Great Plains
KRONE
KUHN
Lemken
Lovol
MacDon
Massey Ferguson
New Holland
TIGARBO
Vaderstad
Versatile
Wirax
Агро
Агротехмаш
Бобруйскагромаш (ОАО «УКХ «Бобруйскагромаш»)
БЭМЗ
ВгТЗ
Воронежсельмаш
ВТЗ
Гомсельмаш
ДКЗ
ЗАО "Техника-сервис"
ЗиД
КЗК
Кировец-Ландтехник
Клевер
Красная Звезда
Лидагропроммаш
Лидсельмаш
ЛТЗ
Машстройхолдинг
Минитракторы
Мордовагромаш
МТЗ
Навигатор-Новое машиностроение
Нефтекамский автозавод
ПТЗ
Ремком
РСМ
Сибсельмаш
ТеКЗ
ТКЗ
ХЗТСШ
ХТЗ
ЮМЗ
Модель
Не выбрано
Versatile серии 2000 (2008)
Versatile серии GENESIS (2008)
Versatile серии HHT (2008)
Схема
>
Не выбрано
07A01a Картер КПП
07A02 Вал первичный и муфты
07A03 Муфта обгонная в сборе, 2/A
07A04 Муфта обгонная в сборе, 1/C
07A05 Муфта обгонная в сборе, 3/B
07A06 Муфта в сборе, F2
07B01 Управляющий клапан в сборе
07A07 Муфта в сборе, F1 и механизм реверса
07C01 Педаль тормоза
07D01 Рычаг переключения передач
07D01a Установка рычага переключения передач
07E01 Муфта и клапан механизма отбора мощности
07E02 Шестерни привода и вторичный вал механизма отбора мощности
07E03 Клапан механизма отбора мощности в сборе
07E04 Стойка муфты механизма отбора мощности
07H01 Клапан в сборе
07G01 Коробка перемены передач в сборе
9RADIO Модели устанавливаемых магнитол, май 2007
15A01 Каркас жесткости кабины
15A02 Крыша в сборе
15A03 Покрытия пола
15A04 Опоры кабины и родственные элементы
15B01 Переднее и заднее окна и родственные элементы
15B02 Дверь в сборе
15B03 Боковые стекла и родственные детали
15C02 Детали внутренней отделки кабины
15C03 Верхняя часть кабины
15C04 Передняя панель
15C05 Коврики и звукоизоляция
15D01 Ступеньки кабины
15D02 Ступеньки кабины
15E01 Передние и задние стеклоочистители
15F02 Каркас и лицевая панель правой панели управления
15F02a Переключатели правой панели управления
15F02b Переключатели главной панели управления
15G01 Испаритель в сборе
15G02 Климат контроль, рукава и прилегающие к ним части
15G03 Климат контроль, конденсатор и фильтр осушитель
15G04 Компрессор воздушного кондиционера
15G05 Кронштейн воздушного компрессора
15H01 Зеркала
17D01 Радио
03A01 Ось передняя регулируемая 2WD
03A02 Тяга рулевая 2WD
03A03 Рулевой цилиндр 2WD
03B01 Картер ведущего моста
03B02 Поворотный кулак рулевого цилиндра
03B03 Комплект установки конического зубчатого колеса
03B04 Дифференциал блокирующийся
03B05 Дифференциал самоблокирующийся
03B06 Двойной шарнир
03B08 Потенциометр
03B09 Соединительная тяга
03C01 Карданный вал и корпус
03D01 Гидравлика рулевого управления
03E01 Двигатель рулевого управления
03F01 Опора рулевого управления - STANDARD STEER
03F01 Опора рулевого управления - ULTRASTEER
03G01 Колонка рулевая
03G01 Корпус верхней части рулевой колонки
03H01 Клапан приоритетный в сборе
04C01 Сцепление переднего привода колеса
13A01 Подушки сидения
13A02 Поворотный механизм сидения, направляющие
13A03 Подвеска сидения
13A04 Сиденье оператора, серия SST
02A01 Педаль тормоза
02A02 Трубка тормозная
02A03 Цилиндр тормозной главный
02B01 Тормоз стояночный
02B02 Кронштейн стояночного тормоза
02B03 Рычаг тормозной в сборе
02C01 Клапан тормоза прицепа в сборе
02C02 Трубки и рукава тормоза цилиндра
02C03 Клапан тормоза прицепа
02C04 Тормоз прицепа (только для Италии)
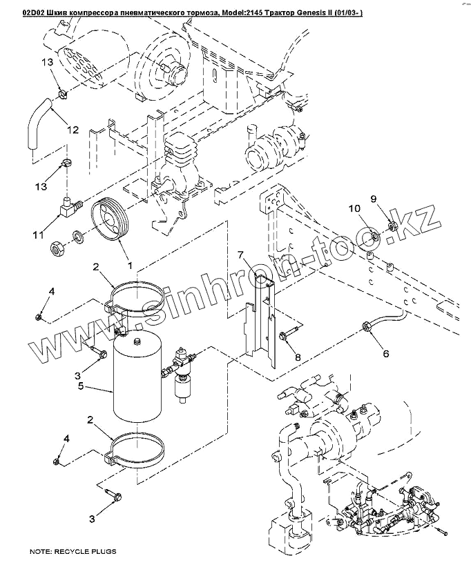
02D02 Шкив компрессора пневматического тормоза
02D03 Комплект для установки компрессора пневматического тормоза
02D04 Трубопровод пневматических тормозов
02D05 Ресивер с клапаном
02D06 Трубка-кожух
02D07 Кронштейн клапана пневматического тормоза
02D08 Компрессор пневматического тормоза
04D01 Система охлаждения тормозов
09A01 Топливный бак
09A02 Верхний топливный бак
09B04 Топливная система двигателя - Genesis II
09C02 Привода дросселя электронный
08D01 Водяной фильтр
08D02 Водяной фильтр газовых тормозов
09D01 Воздушный фильтр
09F03 Топливный фильтр
07F01 Трубки системы масляного охлаждения
08A01 Радиатор
08B01A Водяной насос и термостат
08B02 Промежуточный охладитель и масляный радиатор
08C01 Ремень вентилятора
05A01 Привод гидравлического насоса
05A02 Привод гидравлического насоса
05A03 Насос шестеренный в сборе
05A04 Насос поршневой в сборе
05A05 Гидравлика стандартная низкого давления
05A06 Детали высокого давления
05A07 Всасывающие детали стандартной гидравлики
05A08 Трубопроводы стандартной гидравлики
05A09 Система гидравлическая низкого давления
05A10 Система гидравлическая
05A11 HYDRAFLOW PLUS HYDRAULICS, REMOTE TUBING
05A12 Подъемный цилиндр
05B01 Подъемный рычаг
05B02 Подъемная тяга в сборе
05B03 Тяга подъемная
05B04 Кулиса подъемная в сборе
05B06 Цилиндр подъемный в сборе 4
05B07 Наконечник ручки подъемной
05B09 Цилиндр подъемный в сборе 4
05C01 Пульт гидравлики
05D01 Блок разрывных муфт
05D02 COUPLER ASSEMBLY w/o CHECK VALVE
05D03 COUPLER ASSEMBLY c/w CHECK VALVE
05E01 Клапан перепускной
05E01a Клапан обводной линии охладителя
05F02 Клапан дистанционного управления в сборе 4-х секционный
05F04 OUTLET, REMOTE HYDRAULIC VALVE
05F03 Клапан дистанционного управления в сборе 5-х секционный
05F05 Секция распределителя
05F06 Секция распределителя №2
05F07 Секция распределителя №1
05F08 Секция распределителя №2
05F09 Секция распределителя №3 & 4
05F10 Клапан блокировки
05G03 Прицепное устройство
05G03a Прицепное устройство усиленное
05G04 Поворотная сцепка
17E01 Крепление нижней тяги-стабилизатора
17E02 Нижняя тяга-стабилизатор - EUROPE
17G01 Прицепное устройство, ползун и сцепная серьга - EUROPE
17G01A Шарнирный движок в сборе, AUTO - EUROPE
17G02 Вертлюжное соединение, AUTO - EUROPE
02D01 Электропроводка пневматического тормоза в сборе
11A02 Жгут передних фар и звукового сигнала
11A08 Жгут крыши кабины
11A09 Жгут тормозов прицепа
11A10 Переключатель управления гидросистемы
11A11 Жгут главный передний
11A12 Жгут трансмиссии и заднего гидрооборудования
11A13 Жгут кабины нижний
11A14 Жгут передней панели кабины
11A15 Жгут кабины верхний
11A16 Жгут правой панели
11A20 Контрольные блоки EHR/VCU/ECU/CCM
11A21 Маршрут жгута блокировки дифференциала
11B01 Передние рабочие фары
11B02 Рабочие фары верхние, передние и задние
11B03 Рабочие фары задних крыльев
11B04 Проблесковый маяк
11B06 Передние фары и звуковой сигнал
11B07 Передние фары - EUROPE
11B08 Фара сигнала поворотов в сборе
11B09 Кронштейн-удлинитель
11B10 Фара в сборе
11B11 Крепежный кронштейн фар
11В12 Габаритные фары
11B13 Фара задняя в сборе, стоп/задний ход/поворот
11C01 Аккумуляторная батарея и ящик
11D01 Генератор в сборе
11E01 Стартер в сборе
11F01 Набор для установки фары-мигалки
11G01 Розетка прицепа
11G02 Розетка прицепа
11H01 Набор радара
11J01 Коммутационный ящик
11J02 Блок предохранителей главный
12A01 Приборный модуль
06A05 Блок и головка цилиндров в сборе, Модель: 2145
06A06 Блок и головка цилиндров в сборе, Модель: 2160
06A07 Блок и головка цилиндров в сборе, Модель: 2180
06A08 Блок и головка цилиндров в сборе, Модель: 2210
06A05b Подогреватель, Модель: 2145
06A05b Подогреватель, Модель: 2160, 2180, 2210
06B03 Коленчатый вал и маховик, Модель 2145
06B04 Коленчатый вал и маховик, Модель: 2160, 2180, 2210
06A05a Датчик числа оборотов коленчатого вала
06A09 Блок цилиндров
06C02 Вал распределительный, коромысла, клапаны и прилегающие детали
06E02 Масляный насос и поддон
06D06 Впускной/выпускной коллекторы
06D03 Система выпуска отработавших газов
06F02 Масляный охладитель в сборе
06G02 Поршень и шатун
09E01 Система для запуска холодного двигателя
04A01 Корпус центральный задней оси
04A02 Трубопровод от центрального корпуса к блокировке дифференциала
04B01 Дифференциал оси задний
01A01 Диск колеса переднего
01B01 Диск колеса заднего
01B02 Диск заднего колеса двойной
01C01 Противовес для задних колес
01D01 Противовес передний
14A01 Капот и родственные элементы
14A02 Замок капота, тяги в сборе с рамой
14B01 Передние крылья
14B02 Задние крылья
14C01 Боковые балки
14D01 Инструментальный ящик в сборе
17A01 Прицепное устройство
17C01 Набор для подогрева двигателя и КПП
17B01 Эмблема SMV
17F01 Противооткатные башмаки - GERMANY
1
2
2
3
3
4
4
5
6
7
8
9
10
11
12
13
13
Позиция на иллюстрации
Заводской номер детали
Название детали
1
86011008
Шкив компрессора GENESI
2
86013671
Хомут 253.2
3
9804264
Винт с гексагональной головкой с фланцами Cl-8.8 P
4
100037
Гайка стопорная CL-8 M10
5
86002578
Ресивер
6
86030609
Трубка, от компрессора до разгрузочного клапана
7
86015814
Кронштейн
8
374889
Болт M16x2.0x100.0 Cl-8.8
9
86000441
Контргайка М16
10
140020
Шайба
11
86010353
Фитинг 90°, Barb-3/8 x 3/8Npt
12
86012341
Рукав 25.4x37.5 100R4
13
82012725
Хомут
Содержащиеся в справочниках-каталогах запасные части и детали не предлагаются к продаже, а носят исключительно информационный характер
Дополнительная информация
×
Название:
Номер:
Примечание: