Каталог запасных частей к технике: Versatile серии 2000. 14B02 Крылья и родственные элементы
1
2
3
4
5
5
5
6
7
7
7
8
8
9
10
11
12
13
13
14
15
15
16
17
18
19
19
20
20
21
22
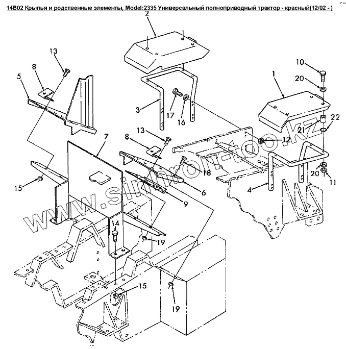
| Позиция на иллюстрации | Заводской номер детали | Название детали | |
|---|---|---|---|
| 86029136 | 86029136 | Втулка UHMW | |
| 1 | 86027801 | Ограждающий щиток левый задний | |
| 2 | 86027802 | Ограждающий щиток правый задний | |
| 3 | 86027931 | Крепление заднего правого щитка, красное | |
| 4 | 86027930 | Крепление заднего левого щитка, красное | |
| 5 | 86030106 | Крыло переднее правое, L4WD | |
| 5 | 86035134 | Правый оградительный щиток | |
| 6 | 9704084 | Крыло переднее левое, L4WD | |
| 7 | 86030127 | Задний упор капота, двигатель QSM-11 L4WD | |
| 7 | 86032948 | Опора капота задняя, двигатель Qsm-11 Tier-Ill, L4WD | |
| 8 | 9707659 | Уголок | |
| 9 | 86000286 | Перегородка для проводов ламп переднего щитка | |
| 10 | 120074 | Болт M10x1.50x90 Cl-8.8 Pl | |
| 11 | 412141 | Контргайка M10 Cl-8 Pl | |
| 12 | 86012007 | Контргайка с нейлоновой вставкой M16 CLASS10 P | |
| 13 | 43776 | Болт CL 8.8, M12 x 1.75 x 30 | |
| 14 | 9804268 | Болт M12x40 Cl-8.8 | |
| 15 | 43436 | Гайка M12 Usr Pl | |
| 16 | 87365 | Шайба диам.внут.5/8dm, наруж.1.31dm, толщина 0.095dm | |
| 17 | 86511847 | Болт шестигранный M16 X 90 8.8PL | |
| 18 | 9804271 | Болт M16x2x40 Cl-8.8 | |
| 19 | 86512498 | Гайка шестигранная FLG M16 класс 10 PL | |
| 20 | 86505938 | Шайба 0.406X1.375X0.083 PL | |
| 21 | 86000534 | Прокладка внешн o 32,00, внутр. O 11,00, длина 15, | |
| 22 | 86511084 | Уплотнительное кольцо, нитриловое, внутр. O 3/8, т |
Содержащиеся в справочниках-каталогах запасные части и детали не предлагаются к продаже, а носят исключительно информационный характер