Каталог запасных частей к технике: Versatile серии 2000. 07D04 Вал промежуточный 1-ый
1
1
1
2
3
4
5
5
5
6
7
7
8
8
9
9
9
10
11
12
13
15
16
17
17
17
17A
17A
17A
18
18
18
19
20
20
20
21
22
23
23
23
24
25
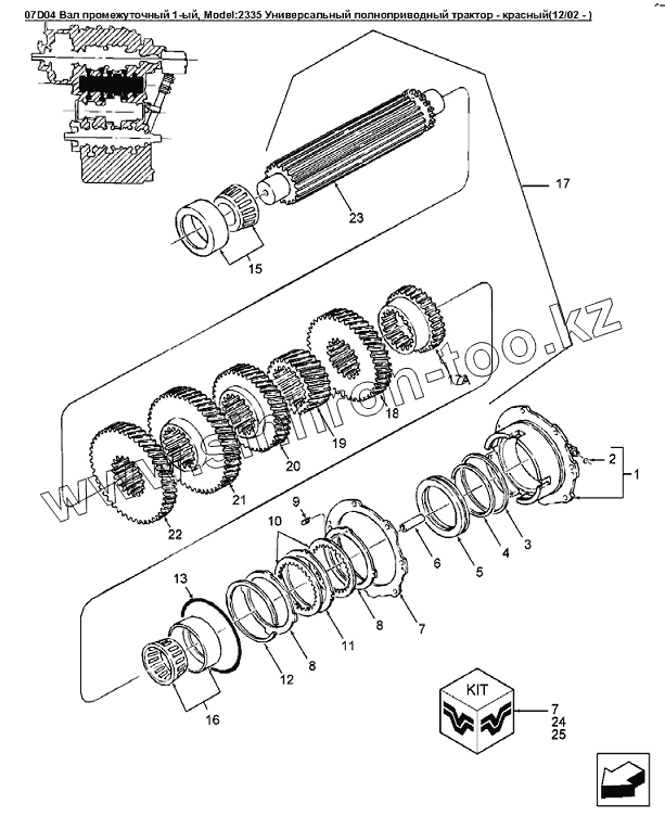
| Позиция на иллюстрации | Заводской номер детали | Название детали | |
|---|---|---|---|
| 1 | 86011719 | Корпус муфты | |
| 1 | 86025268 | Крышка | |
| 2 | 86001347 | Дроссель M8х1.25 - 8 диам.1.8 | |
| 3 | 86001297 | Стопор внеш. 1-го промежуточного вала | |
| 4 | 86001296 | Стопор внут. 1-го промежуточного вала | |
| 5 | 86001352 | Поршень тормоза сцепления | |
| 5 | 86025269 | Поршень | |
| 6 | 86001348 | Стержень | |
| 7 | 86001298 | Набор прокладок для трансмиссии | |
| 8 | 86001351 | Пластина стальная dmВdm фрикционная пластина | |
| 9 | 86001295 | Возвратная пружина тормозной муфты, 15мм | |
| 9 | 86025270 | Возвратная пружина 2мм | |
| 10 | 86001349 | Диск фрикционный | |
| 11 | 86001350 | Пластина стальная dmАdm тормоза сцепления | |
| 12 | 86001057 | Стопорное кольцо | |
| 13 | 86001299 | Кольцо уплотнительное вн. O 151.99xтолщина 3.53 | |
| 15 | 86509784 | Подшипник 55.0IDX120.0ODX31.50 | |
| 16 | 86500890 | Подшипник 55.00IDX100ODX35.0 | |
| 17 | 86020166 | Вал промежуточный 1-ый | |
| 17 | 86025265 | Контрпривод (первый) и зубчатые колеса в сборе | |
| 17A | 86001345 | Ступица тормоза сцепления | |
| 17A | 86025266 | Ступица тормоза сцепления для 86032767 | |
| 18 | 86001342 | Шестерня 1-го промежуточного вала, 42 зуба | |
| 18 | 86032766 | Колесо зубчатое z=42 | |
| 19 | 86020167 | Колесо зубчатое с антикор. покрытием z=25 | |
| 20 | 86001343 | Шестерня 1-го промежуточного вала, 39 зубьев | |
| 20 | 86032765 | Колесо зубчатое z=39 | |
| 21 | 86001340 | Колесо зубчатое z=48 | |
| 22 | 86011718 | Колесо зубчатое z=45 | |
| 23 | 86011717 | Вал трансмиссии первичный | |
| 23 | 86032767 | Вал трансмиссии первичный | |
| 24 | 86001269 | Набор уплотнений тормоза сцепления | |
| 25 | 86020168 | Набор уплотнений и прокладок |
Содержащиеся в справочниках-каталогах запасные части и детали не предлагаются к продаже, а носят исключительно информационный характер