Каталог запасных частей к технике: Versatile серии 2000. 07A12 Привод 12 МКПП
1
1
1
1
1
2
2
2
2
2
3
4
4
4
5
5
5
6
6
6
7
7
7
7
7
7
7
8
9
10
11
11
11
12
12
12
12
13
14
15
16
17
18
19
20
21
21
21
21
22
23
24
25
26
27
28
28
29
30
31
31
32
32
32
32
32
33
33
33
34
34
34
35
36
37
38
39
40
41
41
41
42
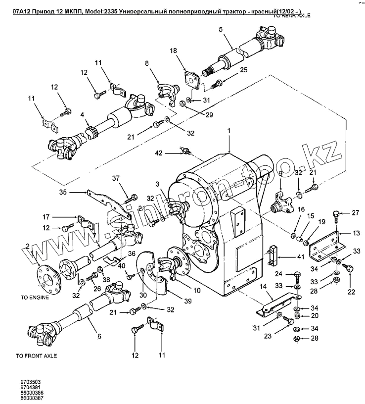
| Позиция на иллюстрации | Заводской номер детали | Название детали | |
|---|---|---|---|
| 1 | 86025253 | МКПП без ВОМ L4WD | |
| 1 | 86025252 | МКПП с ВОМ L4WD | |
| 1 | 86032586 | Коробка передач в сборе SYN TM78 12-ти скоростная | |
| 2 | 86017513 | Фланец DYNAFLEX 600 SER | |
| 2 | 86017514 | Фланец DYNAFLEX 400 SER | |
| 2 | 86017515 | Фланец | |
| 3 | 9706530 | СКОБА | |
| 4 | 86001004 | Карданный вал в сборе, серия 1610 (синий) | |
| 4 | 86027862 | Вал карданный, серия 1610 | |
| 5 | 86028084 | Карданный вал, серия 1610 | |
| 5 | 9707104 | Карданный вал в сборе, серия 1610 неокрашенный | |
| 6 | 86027858 | Вал карданный, серия 1610 | |
| 6 | 9704379 | Карданный вал в сборе, серия 1610 | |
| 7 | 86027866 | Вал карданный в сборе, длина 637мм, серия 1610 | |
| 7 | 9704294 | Карданный вал в сборе 1610 SERIES | |
| 7 | 86029957 | Вал карданный, серия 1610 535М | |
| 7 | 86027856 | Вал карданный в сборе, серия 1610 | |
| 8 | 9706530 | СКОБА | |
| 9 | 9707250 | Вилка рычага серии 1610 | |
| 10 | 86030622 | Вилка карданного вала серии 1610 | |
| 11 | V88469 | Кронштейн карданного вала 1610 | |
| 12 | 86000226 | Болт 0.375NFX0.750 P&O | |
| 13 | 9705891 | Кронштейн КПП L4WD | |
| 14 | 9705231 | Кронштейн | |
| 15 | 9704762 | Кольцо | |
| 16 | 9704764 | Втулка внутр.диам. 25.4мм, длина 43.0, резина | |
| 17 | V88469 | Кронштейн карданного вала 1610 | |
| 18 | 86018363 | Уплотнитель, креп. 4 болтами, внутр. O 55,50 | |
| 19 | 9704761 | Резиновая прокладка крепления трансмиссии | |
| 20 | V60614 | Изолятор | |
| 21 | V106543 | Болт Gr-5, 0.625dm-18UNFx1.25dm | |
| 22 | 88747 | Болт G5 3/4dm-10x3.25dm | |
| 23 | 88062 | Болт Gr-5 0.625dm-11x1.50dm | |
| 24 | 280210 | Болт G5 3/4dm-10x4dm | |
| 25 | 120091 | Болт M16x2x60 Cl-8.8 | |
| 26 | 280853 | Болт G8 0.50х1.25 | |
| 27 | 9707515 | Болт G5 5/16dm-18x1-3/4dm | |
| 28 | 86534279 | Гайка шестигранная FLG 0.75 10 GR8 PL | |
| 29 | 86012007 | Контргайка с нейлоновой вставкой M16 CLASS10 P | |
| 30 | 44183 | Шайба 13.00X24.00X2.5 HDN PL | |
| 31 | V44253 | Шайба 17.00x30.00x3.00 Hdn Pl, сталь | |
| 32 | 9671405 | ШАЙБА | |
| 33 | 86503612 | Шайба 21.00X37.00X3.00 HDN | |
| 34 | 86050249 | Стальная шайба 0.781 | |
| 35 | 9706859 | Кольцо уплотнительное | |
| 36 | 9706860 | Опора карданного вала | |
| 37 | 86512260 | Болт шестигранный FLG USR M12 X 50 PL | |
| 38 | 43436 | Гайка M12 Usr Pl | |
| 39 | 9672899 | Диск тормозной 508x19 | |
| 40 | 87689 | Болт шестигранный 0.50x1.50GR5 PL | |
| 41 | 86035430 | Указатель уровня жидкости | |
| 41 | 9705718 | Стекло смотровое уровня масла | |
| 42 | V55699 | Датчик нейтрального положения рыгала переключения передач |
Содержащиеся в справочниках-каталогах запасные части и детали не предлагаются к продаже, а носят исключительно информационный характер