Каталог запасных частей к технике: Versatile серии 2000. 06A03 Установка двигателя
1
2
2
3
3
4
4
5
5
6
7
7
7
7
8
8
9
9
10
11
12
12
13
13
14
15
16
16
17
18
19
19
20
21
22
23
24
25
26
26
27
27
28
29
30
31
32
33
34
36
37
37
38
39
39
40
40
41
42
43
44
45
46
47
48
49
50
50
50
51
52
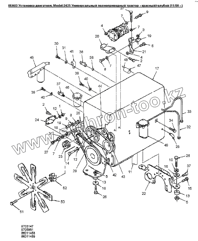
| Позиция на иллюстрации | Заводской номер детали | Название детали | |
|---|---|---|---|
| 629781 | 629781 | Фитинг 90° | |
| 1 | 80566 | Контргайка 0.50nc Gr5 Pl | |
| 2 | 86512175 | Болт 3/8dm-16x1-1/2dm | |
| 3 | 86500689 | Гайка M10 | |
| 4 | 86514720 | Контргайка с нейлоновой вставкой M10 CLASS10PL | |
| 5 | 86512499 | Гайка шестигранная FLG M20 класс 10 PL | |
| 6 | 9804264 | Винт с гексагональной головкой с фланцами Cl-8.8 P | |
| 7 | 86511323 | Шайба 10.77X20.00X2.00 PL | |
| 8 | 86017709 | Болт M10x35 Cl-8.8 Pl | |
| 9 | 86508621 | Болт M10x130 10.9PL | |
| 10 | 86503612 | Шайба 21.00X37.00X3.00 HDN | |
| 11 | 9790676 | Рукав 0.625 | |
| 12 | V65319 | Шайба | |
| 13 | 9672975 | Опора двигателя резиновая | |
| 14 | 9627857 | Болт 0.50dmx6.50GR5 PL | |
| 15 | V106543 | Болт Gr-5, 0.625dm-18UNFx1.25dm | |
| 16 | 9703328 | Шайба плоская диам.внут.21, наруж.95.0, толщина 6.35мм сталь | |
| 17 | PL | Топливный цилиндр | |
| 18 | 9706449 | Кронштейн | |
| 19 | 9706450 | Фиксатор регулировочного винта, М10х1.5х18мм | |
| 20 | 9706636 | Кронштейн компрессора | |
| 21 | 9706637 | Кронштейн компрессора ADJ 14L | |
| 22 | 9706979 | Кронштейн | |
| 23 | 9707242 | Шкив генератора стальной V-обр. | |
| 24 | 9707243 | Кронштейн генератора | |
| 25 | 86020846 | Ремень генератора | |
| 26 | 9780073 | Болт M20x2.5x110 Cl 8.8 | |
| 27 | 9780099 | Болт M10x1.5x150 Cl 8.8/9.8 | |
| 28 | 86512947 | Фитинг 90°, 7/16mjic 7/16mnpt | |
| 29 | 88287 | Болт G5 7/16dm-20x3-1/4dm | |
| 30 | 9627879 | Болт G5 1/2dm-13x3/4dm | |
| 31 | 87364 | Шайба диам.внутр.0.50dm Pl, сталь | |
| 32 | 86018424 | Шланг в сборе 1/2 X 765 100R1 | |
| 33 | 86020381 | Рукав 1/2dmх625мм 100r6 Ht | |
| 34 | 9673072 | Болт 380nf x 75 Gr-5 | |
| 36 | 87572 | Фитинг 1/2npt x 3/8npt | |
| 37 | 274247 | Болт M10x16 | |
| 38 | 83961305 | Кран отопителя | |
| 39 | 88434 | Болт G5 3/8dm-16x3/4dm | |
| 40 | 87016 | Шайба Sae 0.380 Pl, сталь | |
| 41 | V86529 | Хомут 1.00dm | |
| 42 | 86020845 | Ремень вентилятора | |
| 43 | 86514599 | Ремень компрессора | |
| 44 | 86514607 | Ремень водяного насоса | |
| 45 | 86029144 | Элемент фильтрующий масляной системы двигателя | |
| 46 | 86029145 | Элемент фильтрующий водяной | |
| 47 | 86013631 | Подогреватель N14-Cummins | |
| 48 | 9706671 | Жгут подогревателя | |
| 49 | 86029143 | Элемент фильтрующий топливный | |
| 50 | 86010514 | Крыльчатка, диам.32dm, 3.50dm | |
| 50 | 86012200 | Вентилятор в сборе 33.0 IN 3.50 PW | |
| 51 | 87997 | Болт G5 1/2dm-13x5dm | |
| 52 | 86018811 | Фланец |
Содержащиеся в справочниках-каталогах запасные части и детали не предлагаются к продаже, а носят исключительно информационный характер