Каталог запасных частей к технике: Versatile серии 2000. 04A01 Мост ведущих колес
1
1
1
1
1
1
1
1
1
1
1
1
1
1
1
1
1
1
1
1
1
1
1
2
2
2
3
3
3
4
4
4
5
5
5
6
6
6
6
7
7
7
8
8
8
9
9
9
9
10
10
10
11
11
11
12
12
12
12
13
13
13
13
14
15
16
16
16
17
17
17
18
18
18
18
18
19
19
20
20
20
21
21
21
21
21
22
23
24
24
24
24
24
25
25
25
25
26
26
26
26
27
28
28
28
29
29
29
29
29
29
29
29
29
30
30
30
30
30
30
30
30
30
30
31
31
32
33
34
35
36
36
37
38
38
38
39
39
39
40
41
42
42
42
43
44
45
46
47
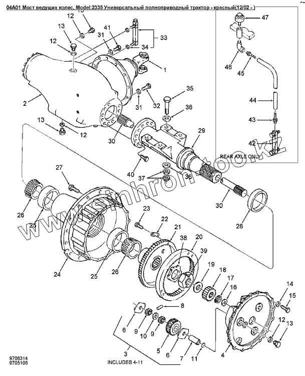
| Позиция на иллюстрации | Заводской номер детали | Название детали | |
|---|---|---|---|
| 1 | 86011951 | Дифференциал в сборе 22130 | |
| 1 | 86011950 | Дифференциал в сборе 22130 | |
| 1 | 86011961 | Водило левое косозубое | |
| 1 | 86011960 | Водило правое косозубое | |
| 1 | 86011959 | Дифференциал | |
| 1 | 86011958 | Дифференциал 23130 RHSPR SP | |
| 1 | 86011957 | Водило левое | |
| 1 | 86011955 | Дифференциал 23130 левый | |
| 1 | 86011956 | Водило правое | |
| 1 | 86011952 | Дифференциал в сборе 22430 | |
| 1 | 86011954 | Дифференциал 23130 правый | |
| 1 | 86011953 | Дифференциал в сборе 22430 | |
| 2 | 9704725 | Корпус дифференциала | |
| 2 | 9705803 | Корпус дифференциала L4WD | |
| 3 | 9705804 | Водило в сборе | |
| 3 | 9706080 | Водило в сборе | |
| 4 | 86023755 | Опора планетарной шестерни | |
| 4 | 9705795 | Водило | |
| 5 | 9672293 | Шестерня Z=29 планетарного редуктора | |
| 5 | 9672588 | Шестерня 34T | |
| 6 | V63259 | Шайба планетарной шестерни | |
| 6 | V63697 | Шайба планетарной шестерни | |
| 7 | 9672294 | Палец планетарной передачи | |
| 7 | 9672590 | Палец планетарной шестерни | |
| 8 | 87406 | Пружинный штифт диам.0.25, длина 1.5 | |
| 8 | 9672411 | Штифт диам.8мм длина 40мм | |
| 9 | 9672296 | Игла подшипника 6.35DIAX25.40LG | |
| 9 | 9672586 | Игольчатый подшипник, внутр. O 7,94, длина 27 | |
| 10 | 86012473 | Прокладка внутр o 69,0, внешн o 81,30, толщина 6,7 | |
| 10 | 9672297 | Прокладка 2.067 X 2.500 X 0.055 | |
| 11 | 14460080 | Уплотнительное кольцо | |
| 11 | 374545 | Кольцо уплотнительное 1.862 IDX0.103 THK BUNA | |
| 12 | 86541153 | Уплотнение | |
| 13 | 9848947 | Пробка 1.0x18 | |
| 14 | 44183 | Шайба 13.00X24.00X2.5 HDN PL | |
| 15 | 337563 | Болт шестигранный M12x40 10.9PL | |
| 16 | 86050186 | Шайба диам.внутр.0.50, сталь | |
| 16 | 9672581 | Шайба полуоси | |
| 17 | 27503 | Стопорное кольцо диам.46.99 | |
| 17 | 86050337 | Стопорное кольцо o 2,31 | |
| 18 | 86000858 | Шестерня солнечная Z=16 | |
| 18 | 86011198 | Шестерня солнечная z=21 | |
| 18 | 9672589 | Шестерня солнечная, 21 зуб | |
| 19 | 9673129 | Шайба толщина 11 мм, сталь | |
| 19 | V68773 | Шайба | |
| 20 | 9672292 | Коронная шестерня Z=74 | |
| 20 | 86010576 | Зубчатое кольцо 90Т | |
| 21 | 9704946 | Ступица шестерни коронной | |
| 21 | 9706079 | Ступица венцовой шестерни | |
| 21 | 9706078 | Ступица коронной шестерни | |
| 22 | 86010923 | Стопорное кольцо | |
| 23 | 86000226 | Болт 0.375NFX0.750 P&O | |
| 24 | 9704727 | Ступица L4wd | |
| 24 | 9705805 | Ступица L4WD | |
| 24 | V78136 | Ступица L4WD | |
| 25 | 86050185 | Кольцо подшипника наружное ID-127.0mm OD-182.5mmTh | |
| 25 | 9672524 | Кольцо подшипника наружное 225.42ODX42.8THK | |
| 26 | 86050184 | Подшипник конический однорядный ID-127.0mm Thk-38 | |
| 26 | 9672525 | Подшипник конический 165.10IDX42.8THK | |
| 27 | 9780074 | Болт колеса | |
| 28 | 9672314 | Уплотнение ступицы колеса | |
| 28 | 9672579 | Уплотнение масляное внут. O7,84 х внеш. O10,23 х 0 | |
| 29 | 86011281 | Корпус полуоси, серия 80/82/84 + BVI | |
| 29 | 86012399 | Корпус полуоси, 4WD | |
| 29 | 86012400 | Корпус полуоси, длина 737мм, L4WD | |
| 29 | 9704726 | Труба полуоси | |
| 29 | 9705792 | Корпус полуоси, длина 675.5мм, L4WD | |
| 30 | 9706083 | Полуось, длина 1080мм L4WD | |
| 30 | 9704957 | Полуось, длина 1141мм L4WD | |
| 30 | 86033782 | Полуось, L4WD | |
| 30 | 86000859 | Мост L4WD | |
| 30 | 86032703 | Полуось короткая | |
| 31 | 9672419 | Шайба 16.00х28.00х3.00, Нdn, Вl, сталь | |
| 32 | 86050189 | Винт 5/8dm-11UNCх1.75 | |
| 33 | 86002544 | Маслоуказатель | |
| 34 | 14457281 | Кольцо уплотнительное, внут.диам.15.54 толщина2.62 | |
| 35 | 44139 | Винт с гексагональной головкой M30 x 120 10.9PL | |
| 36 | 86015466 | Шайба 1.25 X 2.25 X 0.156 | |
| 37 | 86509266 | Гайка шестигранная M30 класс 10 PL | |
| 38 | 86050187 | Контргайка полуоси | |
| 38 | V60072 | Шайба фиксирующая, | |
| 39 | 86024124 | Контргайка трубчатой балки оси | |
| 39 | 86050188 | Контргайка | |
| 40 | 88557 | Болт шестигранный 0.75x2.00GR5 PL | |
| 41 | 88556 | Болт 0.62х2.25 Gr-5 Рl | |
| 42 | 86002544 | Маслоуказатель | |
| 42 | 9706802 | Датчик уровня масла с фильтром | |
| 43 | 20864 | Фитинг 5/16х1/8 | |
| 44 | V100406 | Рукав 0.312x680 | |
| 45 | 20864 | Фитинг 5/16х1/8 | |
| 46 | 229144 | Фитинг 90, 1/4NPT | |
| 47 | 86002555 | Сапун 1/4 NPT |
Содержащиеся в справочниках-каталогах запасные части и детали не предлагаются к продаже, а носят исключительно информационный характер