Каталог запасных частей к технике: Versatile серии 2000. 02A01 Механизм тормозной
1
2
2
3
3
3
4
5
5
6
6
7
8
9
10
11
12
12
13
14
15
16
17
18
19
19
20
20
21
22
23
24
25
25
26
26
27
28
29
30
31
31
32
32
33
33
34
35
36
36
36
36
37
37
37
38
39
40
41
42
43
44
45
46
47
48
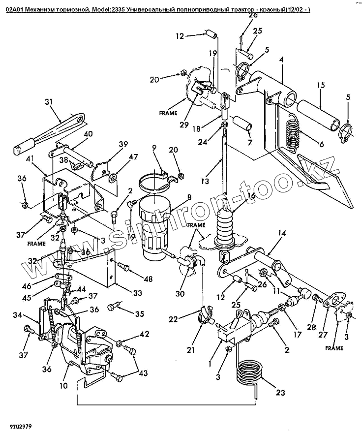
| Позиция на иллюстрации | Заводской номер детали | Название детали | |
|---|---|---|---|
| 1 | 9704710 | Цилиндр тормозной главный | |
| 2 | 9840672 | Болт M10x1.50x30 | |
| 3 | 43435 | Гайка M10 Usr Pl | |
| 4 | 9706372 | Педаль тормоза | |
| 5 | 25121 | Стопорное кольцо диам.1.00dm | |
| 6 | 86024297 | Пружина растяжения 31.7 внешн. диам., 125 длина | |
| 6 | 9790661 | Пружина диам.наруж. 1.25dm длина 4.92dm, педаль сцепления/тормоза | |
| 7 | 9703405 | Фиксатор педали сцепления/тормоза | |
| 8 | 9704613 | Бачок | |
| 9 | 9706150 | Хомут | |
| 10 | 9705927 | Суппорт тормоза | |
| 11 | 86011737 | Наконечник 3/8 24UNF | |
| 12 | V14841 | Втулка диам.внутр.0.509dm | |
| 13 | 9706258 | Тяга регулируемая | |
| 14 | 9706260 | Рычаг коленчатый | |
| 15 | 515308 | Втулка бронзовая, диам.внутр.1.003 наруж. 1.128 длина 1.0dm | |
| 16 | 9706251 | Чехол | |
| 17 | 87308 | Гайка 3/8dm-24 | |
| 18 | V20453 | Вилка штока тормозной тяги | |
| 19 | 86511477 | Болт шестигранный FLG USR M 5 X 16 PL | |
| 20 | 43416 | Гайка M5 | |
| 21 | 244358 | Хомут | |
| 22 | 9706262 | Трубка 6.3ммx546мм | |
| 23 | 9706263 | Трубка тормозная | |
| 24 | 87309 | Гайка G2, 1/2dm-20 | |
| 25 | 20446 | Палец 1/2dm | |
| 26 | 130004 | Скрепка 3.2x25мм | |
| 27 | V75121 | Крышка подшипника диам.внут.7/8dm | |
| 28 | 274249 | Болт шестигранный USR M10x20 PL | |
| 29 | 9706898 | Кронштейн переключателя L4WD | |
| 30 | V33491 | Кольцо уплотнительное, диам.внут. 5/8 наруж. 1/4 толщина 3/16dm | |
| 31 | 86021838 | Рычаг стояночного тормоза | |
| 31 | 86030463 | Рычаг стояночного тормоза | |
| 32 | 9704828 | Трос стояночного тормоза | |
| 33 | 86002348 | Кронштейн | |
| 33 | 86002420 | Кронштейн | |
| 34 | 86027817 | Кронштейн тормозного привода (красный) | |
| 35 | 86505259 | Болт M12x70 10.9 Pl | |
| 36 | 9670023 | Контргайка с нейлоновой вставкой M8 класс 8 PL | |
| 37 | 9671714 | Болт шестигранный FLG M 8x25 8.8PL | |
| 38 | 9511051 | Штифт 6.0х30мм | |
| 39 | 86502785 | Рычажные зубья | |
| 40 | 86000769 | Ось стояночного тормоза WA | |
| 41 | 86000763 | Кронштейн рычага стояночного тормоза, L4WD | |
| 42 | V44253 | Шайба 17.00x30.00x3.00 Hdn Pl, сталь | |
| 43 | 9627896 | Болт G5 5/8dm-11 x 1-3/4dm | |
| 44 | 86511842 | Болт M8x1.25x40 Cl 8.8 | |
| 45 | 86000001 | Фиксатор кабеля 12.8 | |
| 46 | 86000002 | Стыковая прокладка | |
| 47 | 277604 | Шайба стальная | |
| 48 | 9804272 | Болт M16x2x50 Cl-8.8 |
Содержащиеся в справочниках-каталогах запасные части и детали не предлагаются к продаже, а носят исключительно информационный характер