Каталог запасных частей к технике: Vaderstad RAPID RD 500F, 600F, 800F. Fan RD 500-600F
1
1
2
2
3
3
4
5
6
7
8
8
9
10
10
11
12
13
14
15
16
16
17
17
18
19
20
21
22
23
24
25
26
27
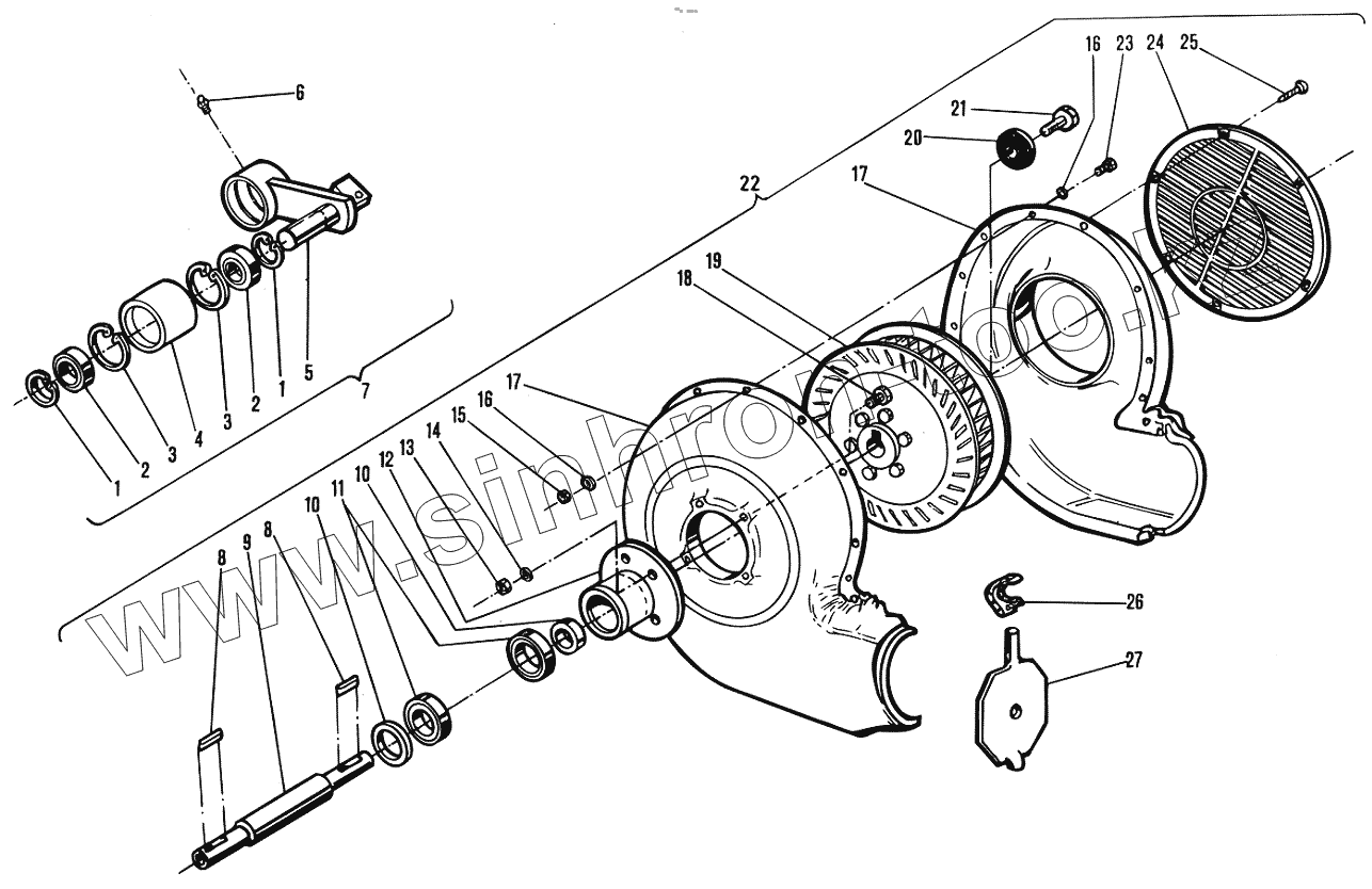
| Позиция на иллюстрации | Заводской номер детали | Название детали | |
|---|---|---|---|
| 1 | 54002500094 | Circlip | |
| 2 | 412322 | Bearing | |
| 3 | 54014700094 | Circlip | |
| 4 | 412323 | Tensioning roller | |
| 5 | 412324 | Arm | |
| 6 | 407661 | Lubricating nipple | |
| 7 | 412300 | Arm with tensioning roller | |
| 8 | 412325 | Key | |
| 9 | 412330 | Axle | |
| 10 | 412331 | Spacer | |
| 11 | 412332 | Bearing | |
| 12 | 412333 | Hub | |
| 13 | 51011000021 | Lock nut | |
| 14 | 52001000041 | Washer | |
| 15 | 51010600021 | Lock nut | |
| 16 | 52000600041 | Washer | |
| 17 | 425261 | Fan housing | |
| 18 | 50011004021 | Screw | |
| 19 | 412328 | Fan wheel | |
| 20 | 412339 | Washer | |
| 21 | 50000802521 | Screw | |
| 22 | 412304 | Fan | |
| 23 | 50000603021 | Screw | |
| 24 | 412329 | Grating, fan housing | |
| 25 | 412326 | Screw for sheet | |
| 26 | 412336 | Spring | |
| 27 | 412335 | Draught valve |
Содержащиеся в справочниках-каталогах запасные части и детали не предлагаются к продаже, а носят исключительно информационный характер