Каталог запасных частей к технике: Vaderstad Carrier CR420-820. Pneumatic brakes CR 420-820
1
2
3
3
4
5
6
7
7
8
8
9
9
10
11
12
13
14
15
15
15
15
15
16
16
16
16
16
16
16
17
18
19
20
21
22
22
23
23
24
24
24
25
26
26
27
28
29
30
31
32
32
32
32
32
33
34
35
36
37
38
39
40
41
42
43
44
45
46
47
48
49
50
51
52
53
53
54
55
56
57
58
59
60
61
62
63
63
64
65
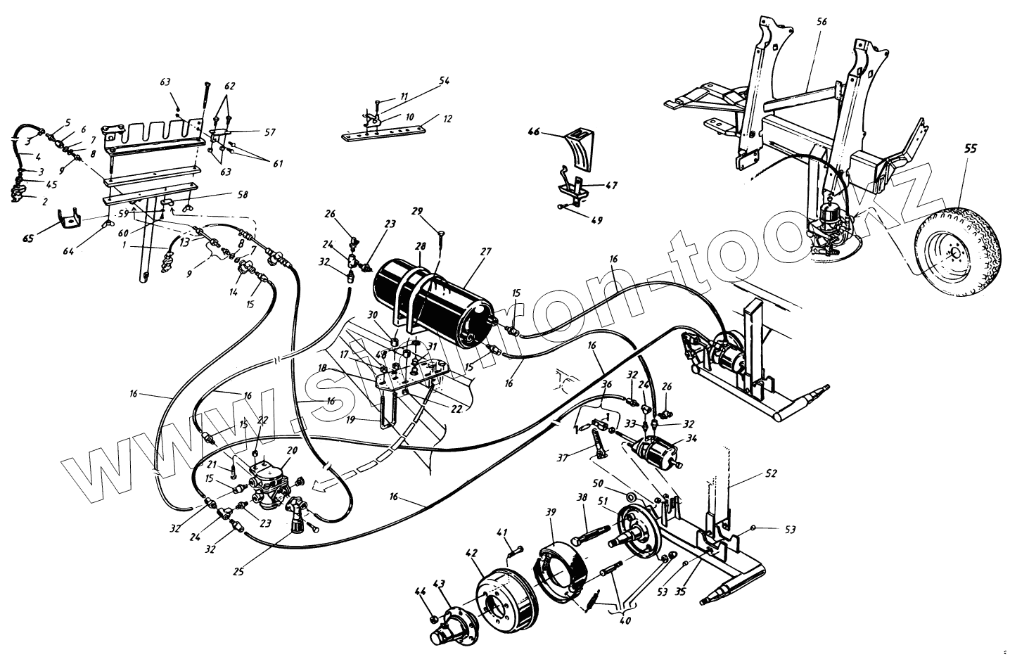
| Позиция на иллюстрации | Заводской номер детали | Название детали | |
|---|---|---|---|
| 1 | 419500 | Socket for feed tube (red) | |
| 2 | 419501 | Socket for controls hose (yellow) | |
| 3 | 419540 | Hose clamp | |
| 4 | 419523 | Air hose | |
| 5 | 419528 | Hose nipple | |
| 6 | 419543 | Sleeve | |
| 7 | 419544 | O-ring | |
| 8 | 419545 | Stay ring | |
| 9 | 419526 | Pipe fitting | |
| 10 | 419513 | Blind connection | |
| 11 | 50000601021 | Screw | |
| 12 | 422016 | Plate | |
| 13 | 419542 | Hydraulic tubing | |
| 14 | 419502 | Pipe filter | |
| 15 | 419530 | Push-in fitting | |
| 16 | 609165 | Plastic tubing, per metre | |
| 17 | 51021600021 | Lock nut | |
| 18 | 422351 | Bracket | |
| 19 | 417130 | Clamp | |
| 20 | 419503 | Brake valve | |
| 21 | 50011004021 | Screw | |
| 22 | 51011000021 | Lock nut | |
| 23 | 419536 | Adapter | |
| 24 | 419537 | T-tube | |
| 25 | 422684 | Valve | |
| 26 | 419512 | Test screw | |
| 27 | 422685 | Air tank | |
| 28 | 422687 | Tank fixings | |
| 29 | 50011009021 | Screw | |
| 30 | 422702 | Spacer | |
| 31 | 419506 | Bleed valve | |
| 32 | 419529 | Push-in fitting | |
| 33 | 422683 | Adapter | |
| 34 | 422690 | Spring brake ram | |
| 35 | 421701 | Bogie cradle | |
| 35 | 421700 | Bogie cradle | |
| 36 | 422694 | Fork batch | |
| 37 | 422281 | Lever arm | |
| 38 | 422282 | Camshaft | |
| 39 | 422285 | Brake shoes | |
| 40 | 422286 | Spring kit | |
| 41 | 422287 | Rim screw | |
| 42 | 422284 | Brake drum | |
| 43 | 422275 | Hub, see Fig. 3 | |
| 44 | 428723 | Nut | |
| 45 | 419527 | Hose nipple | |
| 46 | 419317 | Key | |
| 47 | 419338 | Bracket | |
| 48 | 419525 | Copper washer | |
| 49 | 50000801221 | Screw | |
| 50 | 423725 | Sealing, camshaft | |
| 51 | 423314 | Back plate | |
| 52 | 307613 | Wheel undercarriage | |
| 53 | 407613 | Bearing | |
| 54 | 52000600041 | Washer | |
| 55 | 428254 | Wheel, 14-ply | |
| 56 | 456363 | Wheel section, pneumatic brakes | |
| 56 | 456362 | Wheel section, pneumatic brakes | |
| 56 | 450787 | Wheel section, pneumatic brakes | |
| 56 | 450788 | Wheel section, pneumatic brakes | |
| 56 | 440566 | Wheel section, brake | |
| 56 | 440567 | Wheel section, brake | |
| 57 | 431294 | Bracket | |
| 58 | 427220 | Hose Clamp | |
| 59 | 52030600091 | Spring washer | |
| 60 | 50000601221 | Screw | |
| 61 | 50000601621 | Screw | |
| 62 | 50000801621 | Screw | |
| 63 | 51010600021 | Lock nut | |
| 64 | 51050800021 | Wing nut | |
| 65 | 447239 | Clamp |
Содержащиеся в справочниках-каталогах запасные части и детали не предлагаются к продаже, а носят исключительно информационный характер