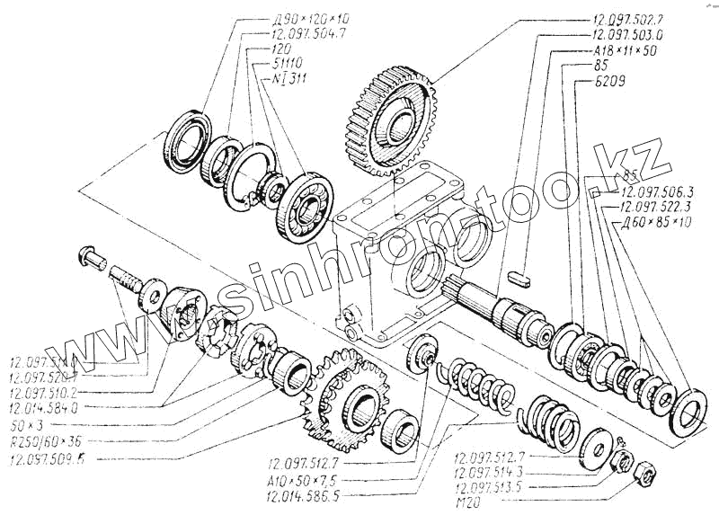
Каталог запасных частей к технике: ТКЗ КС-6Б. Редуктор. Вал и шестерни
Д60х85х10
12.097.514.3
А18х11х50
12.097.522.3
12.097.512.7
12.097.512.7
12.014.584.0
12.097.520.7
12.097.510.2
12.014.586.5
А10х50х7,5
N1311
51110
6209
12.097.511.0
Д90х120х10
120
85
85
50х3
12.097.506.3
12.097.504.7
12.097.502.2
12.097.509.6
12.097.513.5
М20
R250/60х36
12.097.503.0
| Позиция на иллюстрации | Заводской номер детали | Название детали | |
|---|---|---|---|
| Д60х85х10 | Д60х85х10 | Манжета | |
| 12.097.514.3 | 12.097.514.3 | Штифт | |
| А18х11х50 | А18х11х50 | Шпонка | |
| 12.097.522.3 | 12.097.522.3 | Шайба регулировочная | |
| 12.097.512.7 | 12.097.512.7 | Шайба опорная | |
| 12.014.584.0 | 12.014.584.0 | Диск зубчатый 5665-3053055/04 | |
| 12.097.520.7 | 12.097.520.7 | Шайба | |
| 12.097.510.2 | 12.097.510.2 | Ступица шлицевая | |
| 12.014.586.5 | 12.014.586.5 | Пружина | |
| А10х50х7,5 | А10х50х7,5 | Пружина | |
| N1311 | N1311 | Подшипник | |
| 51110 | 51110 | Подшипник | |
| 6209 | 6209 | Подшипник | |
| 12.097.511.0 | 12.097.511.0 | Болт стяжной | |
| Д90х120х10 | Д90х120х10 | Манжета | |
| 120 | 120 | Кольцо стопорное | |
| 85 | 85 | Кольцо стопорное | |
| 50х3 | 50х3 | Кольцо резиновое | |
| 12.097.506.3 | 12.097.506.3 | Втулка распорная | |
| 12.097.504.7 | 12.097.504.7 | Кольцо подшипника | |
| 12.097.502.2 | 12.097.502.2 | Колесо цилиндрическое | |
| 12.097.509.6 | 12.097.509.6 | Звездочка двойная | |
| 12.097.513.5 | 12.097.513.5 | Гайка корончатая | |
| М20 | М20 | Гайка | |
| R250/60х36 | R250/60х36 | Втулка | |
| 12.097.503.0 | 12.097.503.0 | Вал ведомый |
Содержащиеся в справочниках-каталогах запасные части и детали не предлагаются к продаже, а носят исключительно информационный характер