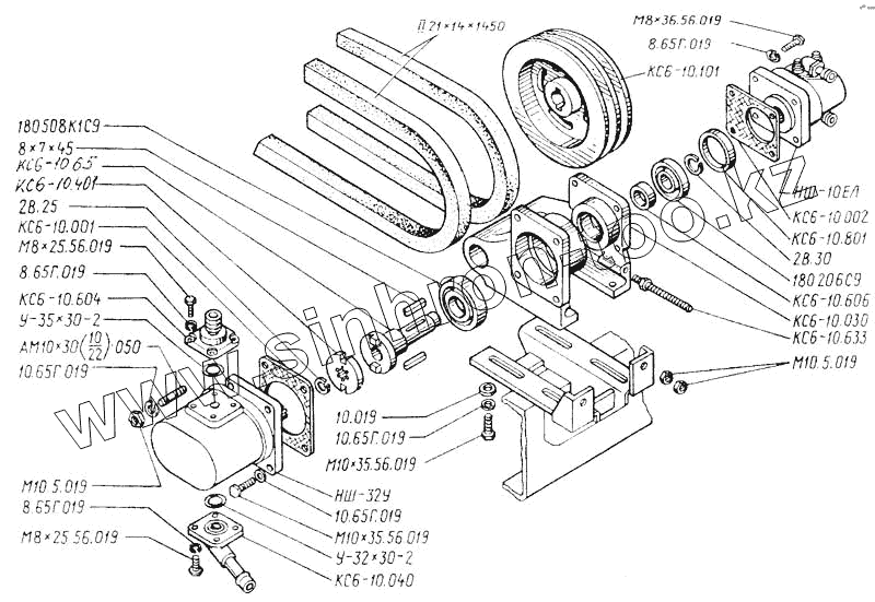
Каталог запасных частей к технике: ТКЗ КС-6Б. Привод гидронасосов
НШ-10ЕЛ
М8х36.56.019
8х7х45
АМ10х30х х(10/22)х050
КС6-10.633
КС6-10.101
8.65Г.019
8.65Г.019
8.65Г.019
10.65Г.019
10.65Г.019
10.65Г.019
10.019
1121х14х1450
КС6-10.001
КС6-10.002
180206С9
180508К1С9
НШ-32У
М8х25.56.019
М8х25.56.019
КС6-10.604
КС6-10.401
КС6-10.040
КС6-10.030
2В30
КС6-10.606
У-35х30-2
У-35х30-2
2В25
М10.5.019
М10.5.019
КС6-10.801
КС6-10.605
М10х35.56.019
М10х35.56.019
| Позиция на иллюстрации | Заводской номер детали | Название детали | |
|---|---|---|---|
| НШ-10ЕЛ | НШ-10ЕЛ | Насос | |
| М8х36.56.019 | М8х36.56.019 | Болт | |
| 8х7х45 | 8х7х45 | Шпонка | |
| АМ10х30х х(10/22)х050 | АМ10х30х х(10/22)х050 | Шпилька | |
| КС6-10.633 | КС6-10.633 | Шпилька | |
| КС6-10.101 | КС6-10.101 | Шкив | |
| 8.65Г.019 | 8.65Г.019 | Шайба пружинная | |
| 10.65Г.019 | 10.65Г.019 | Шайба пружинная | |
| 10.019 | 10.019 | Шайба | |
| 1121х14х1450 | 1121х14х1450 | Ремень | |
| КС6-10.001 | КС6-10.001 | Прокладка | |
| КС6-10.002 | КС6-10.002 | Прокладка | |
| 180206С9 | 180206С9 | Подшипник | |
| 180508К1С9 | 180508К1С9 | Подшипник | |
| НШ-32У | НШ-32У | Насос правый | |
| М8х25.56.019 | М8х25.56.019 | Болт | |
| КС6-10.604 | КС6-10.604 | Муфта прямая | |
| КС6-10.401 | КС6-10.401 | Муфта | |
| КС6-10.040 | КС6-10.040 | Муфта | |
| КС6-10.030 | КС6-10.030 | Корпус | |
| 2В30 | 2В30 | Кольцо. | |
| КС6-10.606 | КС6-10.606 | Кольцо распорное | |
| У-35х30-2 | У-35х30-2 | Кольцо | |
| 2В25 | 2В25 | Кольцо | |
| М10.5.019 | М10.5.019 | Гайка | |
| КС6-10.801 | КС6-10.801 | Втулка переходная | |
| КС6-10.605 | КС6-10.605 | Вал привода гидронасосов | |
| М10х35.56.019 | М10х35.56.019 | Болт | |
| М8х35.56.019 | М8х35.56.019 | Болт |
Содержащиеся в справочниках-каталогах запасные части и детали не предлагаются к продаже, а носят исключительно информационный характер