Вернуться на главную
Поиск
Каталоги запчастей к технике
Сельхозтехника
ТеКЗ
БМ-6А (2005)
Вал в сборе (БМД59330, БМД59330)
Каталог запасных частей к технике: ТеКЗ БМ-6А (2005). Вал в сборе (БМД59330, БМД59330)
zoom-in
zoom-out
enlarge
shrink
circle-right
circle-left
file-text2
info
cart
Тип техники
Не выбрано
Легковые автомобили
Грузовые автомобили и прицепы
Автобусы
Сельхозтехника
Спецтехника
Двигатели
Мототехника
Марка
Не выбрано
AGCO
Amity
CASE IH
DongFeng
Fortschritt
Foton
Franz Kleine
Gaspardo
Great Plains
KRONE
KUHN
Lemken
Lovol
MacDon
Massey Ferguson
New Holland
TIGARBO
Vaderstad
Versatile
Wirax
Агро
Агротехмаш
Бобруйскагромаш (ОАО «УКХ «Бобруйскагромаш»)
БЭМЗ
ВгТЗ
Воронежсельмаш
ВТЗ
Гомсельмаш
ДКЗ
ЗАО "Техника-сервис"
ЗиД
КЗК
Кировец-Ландтехник
Клевер
Красная Звезда
Лидагропроммаш
Лидсельмаш
ЛТЗ
Машстройхолдинг
Минитракторы
Мордовагромаш
МТЗ
Навигатор-Новое машиностроение
Нефтекамский автозавод
ПТЗ
Ремком
РСМ
Сибсельмаш
ТеКЗ
ТКЗ
ХЗТСШ
ХТЗ
ЮМЗ
Модель
Не выбрано
БМ-6А
БМ-6А (2005) (2005)
Схема
>
Не выбрано
Щитки
Машина ботвоуборочная БМ-6А
Рама (БМД5100)
Прицеп (БМД20.020)
Ось задняя со ступицами и ходовыми колесами (БМД19000)
Колесо опорное (БМД52530, БМД52530-01)
Система контроля (БМД75000)
Система контроля (БМД75000)
Гидроуправление (БМД77000)
Гидроуправление (БМД77000)
Гидроуправление (БМД77000)
Гидроуправление (БМД77000)
Трансмиссия (БМД59000-01)
Передача карданная очистителя головок (БМД59040)
Передача карданная очистителя головок (БМД59040)
Редуктор центральный (БМД59260)
Редуктор центральный (валы и шестерни) (БМД59260)
Редуктор центральный (валы и шестерни) (БМД59260)
Вал нижний (БМД59100)
Устройство натяжное (БМД59240, БМД59240-01)
Вал приводной (БМД59270)
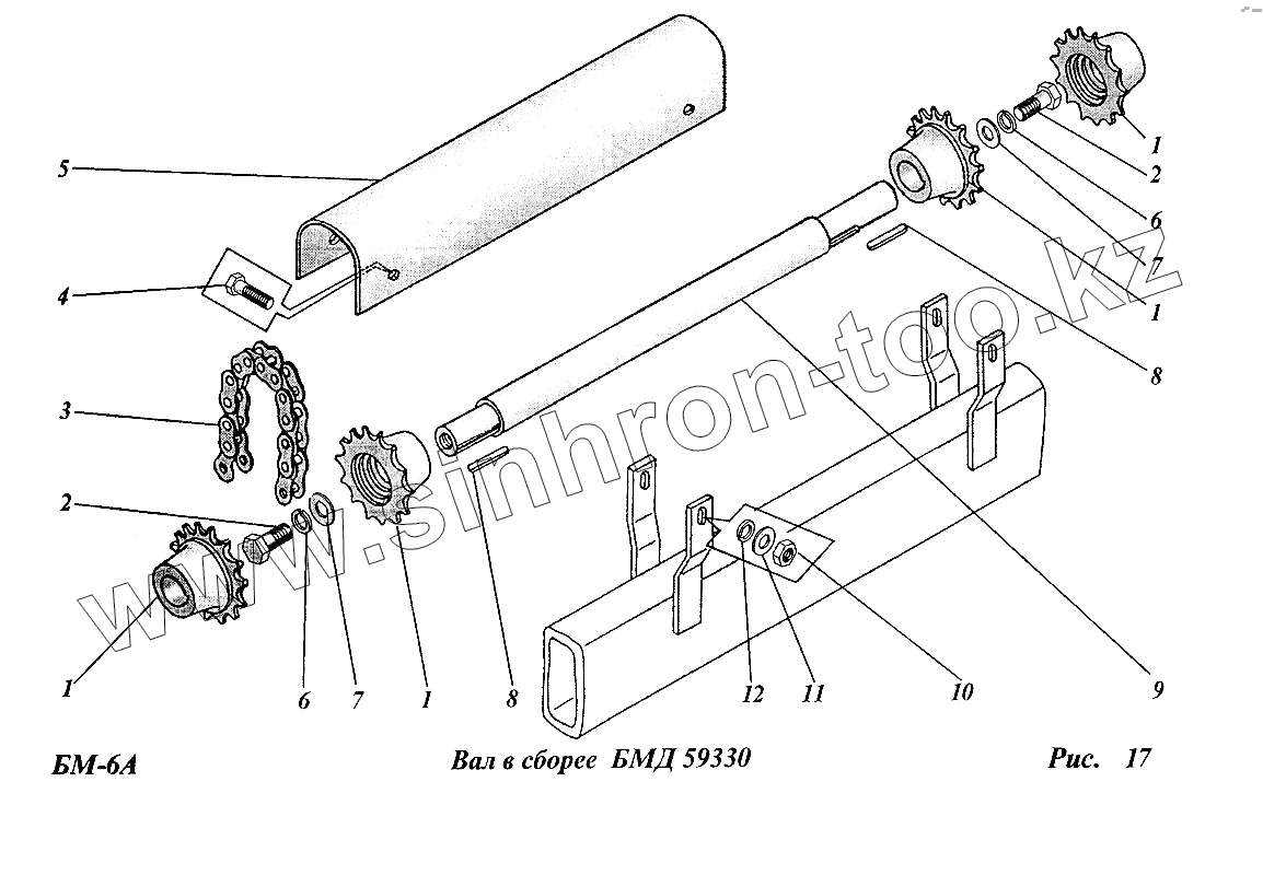
Вал в сборе (БМД59330, БМД59330)
Вал в сборе (БМД59330-01)
Шарнир с трубой (Н.081.02.060-04)
Редуктор (Н090.20.000-213)
Редуктор (Н090.20.000-213)
Редуктор (Н090.20.000-313)
Редуктор (Н090.20.000-313)
Редуктор (СДК50070)
Редуктор (СДК50070-01, СДК50070-02)
Редуктор (СДК50100-01, СДК50100-02)
Редуктор (СДК50100-01, СДК50100-02)
Редуктор (СДК50100-03, СДК50100-04)
Редуктор (СДК50100-03, СДК50100-04)
Диск делительный (БМД12050, БМД12050-01)
Ботворез правый (БМД52000)
Вал верхний правый (БМД52570)
Полотно наклонного транспортера (БМД52670)
Полотно наклонного транспортера (БМД52670)
Полотно наклонного транспортера (БМД52670)
Рама ботвореза правая (БМД 52590)
Механизм копирующий (БМД52820)
Транспортер горизонтальный (БМД 54000)
Транспортер горизонтальный (БМД54000)
Битер (БМД54180)
Битер (БМД54180-01)
Битер (БМД54180-02)
Вал ведущий (БМД54210)
Вал привода (БМД64310)
Рама очистителя головок корней (БМД 64400)
Вал очистителя головок корней (БМД64400)
Ворошитель (БМД68000)
Транспортер погрузочный (БМД71000)
Транспортер погрузочный (БМД71000)
Вал ведущий погрузочного транспортера (БМД77010)
Рама погрузочного транспортера (БМД71050)
Полотно погрузочного транспортера (БМД71210)
Полотно погрузочного транспортера (БМД71210)
Устройство копирующее (БМД 77010)
Битер наклонного транспортера (БМД80080)
Аппарат режущий (БМД84100, БМД84070)
Аппарат режущий (СДК500010Б, СДК500020Б)
Инструмент
Нормали
Нормали
Нормали
Подшипники
1
1
1
1
2
2
3
4
5
6
6
7
7
8
8
9
10
11
12
Позиция на иллюстрации
Заводской номер детали
Название детали
1
КТ19631
Полумуфта
2
М12х30.58.019
Болт
3
СПРЛ25,4-5000
Цепь (13 звеньев)
4
М8х30.58.019
Болт
5
БМД59421
Щиток
6
12.65Г.05
Шайба ГОСТ 6402-70
7
КТ4032
Шайба
8
8х7х32
Шпонка
9
БМД59629
Вал
10
М8.6.019
Гайка
11
8.65Г.05
Шайба
12
8х1,4
Шайба
Содержащиеся в справочниках-каталогах запасные части и детали не предлагаются к продаже, а носят исключительно информационный характер
Дополнительная информация
×
Название:
Номер:
Примечание: