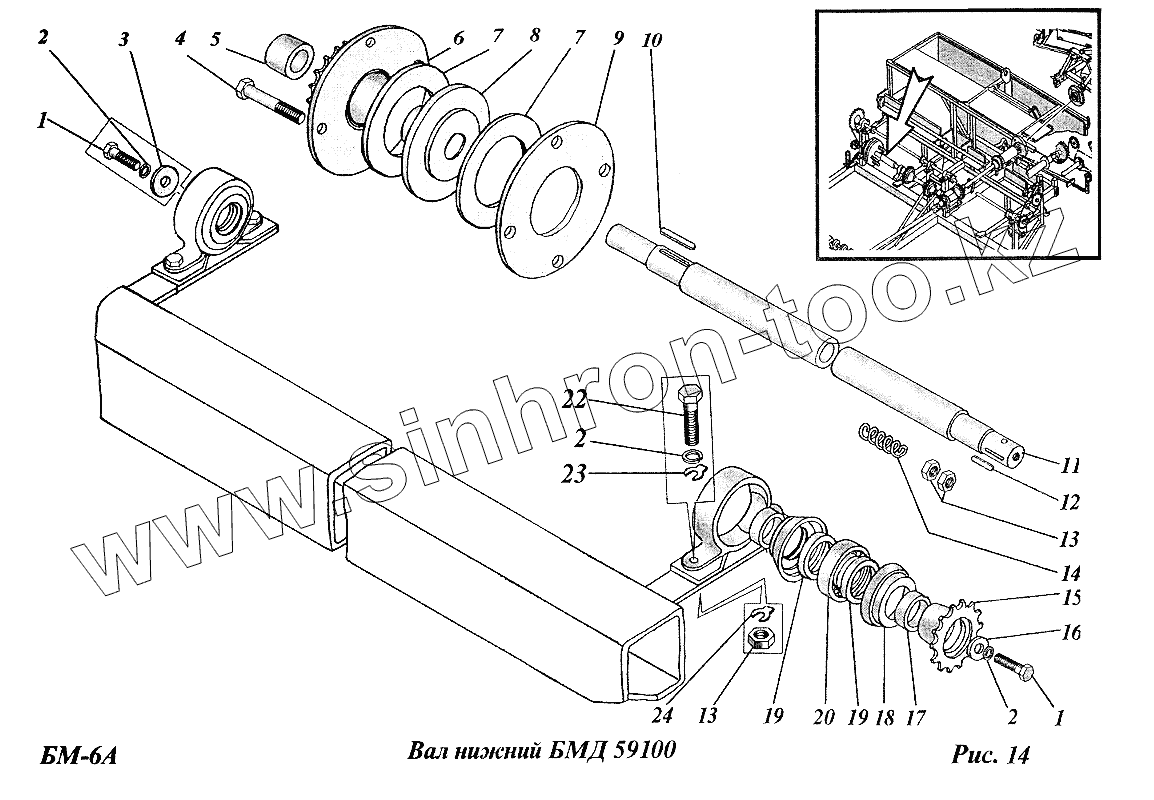
Каталог запасных частей к технике: ТеКЗ БМ-6А (2005). Вал нижний (БМД59100)
1
1
2
2
2
3
4
5
6
7
7
8
9
10
11
12
13
13
14
15
16
17
18
18
19
19
20
22
23
24
| Позиция на иллюстрации | Заводской номер детали | Название детали | |
|---|---|---|---|
| 1 | М12х30.58.019 | Болт | |
| 2 | 12.65Г.05 | Шайба ГОСТ 6402-70 | |
| 3 | КТ4032 | Шайба | |
| 4 | М12х90.58.019 | Болт | |
| 5 | П45хА4х32 | Втулка | |
| 6 | БМД59290 | Звездочка | |
| 7 | НСФ2.150х90х4 | Накладка сцепления | |
| 8 | БМД59628 | Ступица | |
| 9 | БМД15411 | Диск | |
| 10 | 10х8хх45 | Шпонка | |
| 11 | БМД59609 | Вал | |
| 12 | 8х7х36 | Шпонка | |
| 13 | М12.6.019 | Гайка ГОСТ 5915-70 | |
| 14 | М038.04.005 | Пружина | |
| 15 | КТ19631 | Полумуфта | |
| 16 | КТ4055 | Шайба специальная | |
| 17 | П45х35А4х16,5 | Втулка | |
| 18 | СДК6375-02 | Вкладыш | |
| 18 | БМД54250-02 | Вкладыш | |
| 19 | СП57-44-5 | Кольцо | |
| 20 | 180207 | Подшипник ГОСТ 8882-75 | |
| 21 | КТ20306 | Корпус | |
| 22 | М12х35.58.019 | Болт ГОСТ 7796-70 | |
| 23 | 12х1,0 | Прокладка | |
| 24 | 12х1,4 | Прокладка |
Содержащиеся в справочниках-каталогах запасные части и детали не предлагаются к продаже, а носят исключительно информационный характер