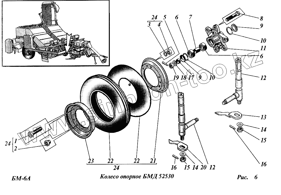
Каталог запасных частей к технике: ТеКЗ БМ-6А (2005). Колесо опорное (БМД52530, БМД52530-01)
1
2
3
4
5
6
6
7
8
9
9
10
10
11
12
12
13
14
14
15
15
16
16
17
18
19
20
21
22
22
23
24
24
24
| Позиция на иллюстрации | Заводской номер детали | Название детали | |
|---|---|---|---|
| 1 | 071.003 | Гайка | |
| 2 | М8х16.58.019 | Болт | |
| 3 | 8.65Г.05 | Шайба | |
| 4 | М8.6.10.019 | Гайка | |
| 5 | 4х36.019 | Шплинт | |
| 6 | 180206С17 | Подшипник шариковый | |
| 7 | П42х30А5Н12х54,5 | Втулка | |
| 8 | 092.61.021 | Болт | |
| 9 | КТ48404 | Шайба защитная | |
| 10 | 2В62 | Кольцо | |
| 11 | БМД52102-01 | Ступица | |
| 12 | БМД52420 | Стойка в сборе | |
| 13 | БМД52300-01 | Чистик | |
| 14 | 24.02.019 | Шайба | |
| 15 | М24.6.019 | Гайка | |
| 16 | 4х40.001 | Шплинт | |
| 17 | П42х30А5Н12х5 | Втулка | |
| 18 | 20.02.019 | Шайба | |
| 19 | М20.6.019 | Гайка | |
| 20 | БМД52300 | Чистик | |
| 21 | БМД52427 | Диск колеса правый | |
| 22 | 100-254 | Шина | |
| 23 | БМД52428 | Диск колеса левый | |
| 24 | БМД52520 | Обод с шиной |
Содержащиеся в справочниках-каталогах запасные части и детали не предлагаются к продаже, а носят исключительно информационный характер