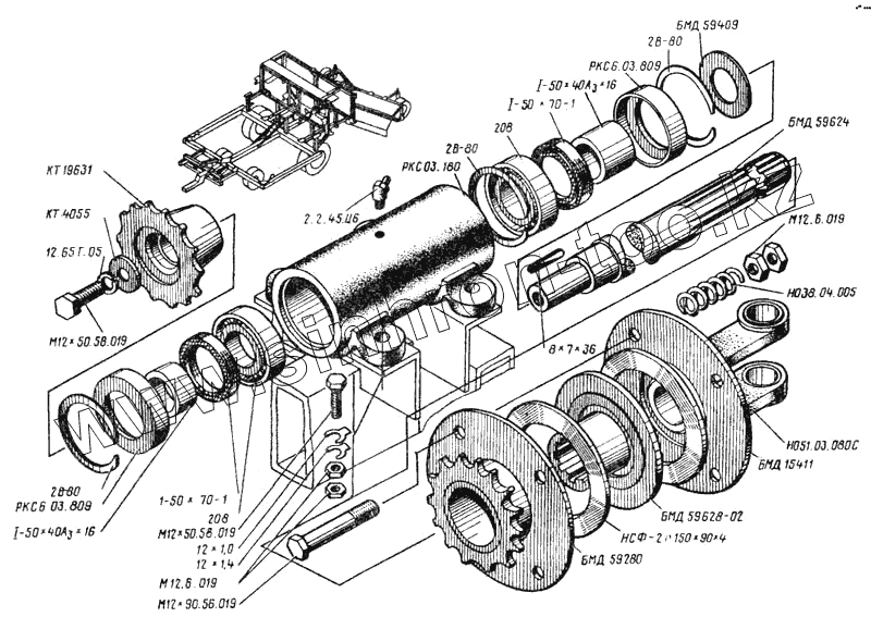
Каталог запасных частей к технике: ТеКЗ БМ-6А. Вал приводной
1-50х70-1
1-50х70-1
8х7х36
КТ 4055
12.65Г.05
БМД 59409
БМД 59628-02
Н 038.04.005
12х1,4
12х1,0
КТ 19631
208
208
150х90х4
2.2.45.Ц6
РКС 03809
РКС 03809
РКС 03180
2В-80
2В-80
2В-80
БМД 59280
БМД 15411
М12.6.019
М12.6.019
1-50х40А(3)х16
1-50х40А(3)х16
Н 051.03.080С
БМД 59624
М12х90.58.019
М12х50.58.019
М12х50.58.019
| Позиция на иллюстрации | Заводской номер детали | Название детали | |
|---|---|---|---|
| 1-50х70-1 | 1-50х70-1 | Манжета | |
| 8х7х36 | 8х7х36 | Шпонка | |
| КТ 4055 | КТ 4055 | Шайба специальная | |
| 12.65Г.05 | 12.65Г.05 | Шайба ГОСТ 6402-70 | |
| БМД 59409 | БМД 59409 | Шайба | |
| БМД 59628-02 | БМД 59628-02 | Ступица трения | |
| Н 038.04.005 | Н 038.04.005 | Пружина | |
| 12х1,4 | 12х1,4 | Прокладка | |
| 12х1,0 | 12х1,0 | Прокладка | |
| КТ 19631 | КТ 19631 | Полумуфта | |
| 208 | 208 | Подшипник шариковый | |
| 150х90х4 | 150х90х4 | Накладка специальная | |
| 2.2.45.Ц6 | 2.2.45.Ц6 | Масленка | |
| РКС 03180-01 | РКС 03180-01 | Корпус | |
| РКС 03809 | РКС 03809 | Крышка | |
| РКС 03180 | РКС 03180 | Корпус | |
| 2В-80 | 2В-80 | Кольцо | |
| БМД 59280 | БМД 59280 | Звездочка в сборе | |
| БМД 15411 | БМД 15411 | Диск | |
| М12.6.019 | М12.6.019 | Гайка ГОСТ 5915-70 | |
| 1-50х40А(3)х16 | 1-50х40А(3)х16 | Втулка | |
| Н 051.03.080С | Н 051.03.080С | Вилка | |
| БМД 59624 | БМД 59624 | Вал | |
| М12х90.58.019 | М12х90.58.019 | Болт | |
| М12х50.58.019 | М12х50.58.019 | Болт |
Содержащиеся в справочниках-каталогах запасные части и детали не предлагаются к продаже, а носят исключительно информационный характер