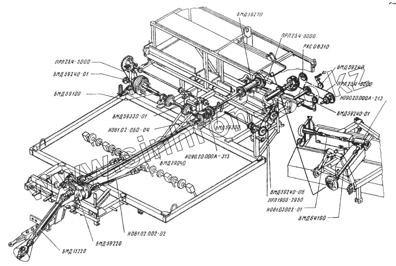
Каталог запасных частей к технике: ТеКЗ БМ-6А. Трансмиссия
Н.090.20.000-213
Н.081.02.060-04
ПРЛ 25,4-5000
ПРЛ 19,05-2950
ПРЛ 25,4-5000
ПРЛ 25,4-5000
ПРЛ 25,4-5000
ПРЛ 25,4-5000
ПРЛ 25,4-5000
ПРЛ 25,4-5000
БМД 59240-01
БМД 59240-01
БМД 59240-06
БМД 59240
БМД 59220
БМД 59330-01
Н.090.20.000-313
БМД 15220
РКС 08310
Н.081.02.002-02
Н.081.03.002-01
БМД 59270
БМД 59100
БМД 59040
БМД 59330
| Позиция на иллюстрации | Заводской номер детали | Название детали | |
|---|---|---|---|
| Н.090.20.000-213 | Н.090.20.000-213 | Редуктор | |
| Н.081.02.060-04 | Н.081.02.060-04 | Шарнир с трубой | |
| БМД 64430 | БМД 64430 | Шарнир с трубой | |
| ПРЛ 25,4-5000 | ПРЛ 25,4-5000 | Цепь 115 звеньев | |
| ПРЛ 19,05-2950 | ПРЛ 19,05-2950 | Цепь 91 звено | |
| ПРЛ 25,4-5000 | ПРЛ 25,4-5000 | Цепь 115 звеньев | |
| ПРЛ 25,4-5000 | ПРЛ 25,4-5000 | Цепь 115 звеньев | |
| БМД 59240-01 | БМД 59240-01 | Устройство натяжное | |
| БМД 59240-06 | БМД 59240-06 | Устройство натяжное | |
| БМД 59240 | БМД 59240 | Устройство натяжное | |
| БМД 59220 | БМД 59220 | Редуктор центральный | |
| БМД 59330-01 | БМД 59330-01 | Вал | |
| Н.090.20.000-313 | Н.090.20.000-313 | Редуктор | |
| БМД 15220 | БМД 15220 | Передача карданная | |
| РКС 08310 | РКС 08310 | Звездочка силовая | |
| Н.081.02.002-02 | Н.081.02.002-02 | Вал телескопический | |
| Н.081.03.002-01 | Н.081.03.002-01 | Вал телескопический | |
| БМД 59270 | БМД 59270 | Вал приводной | |
| БМД 59100 | БМД 59100 | Вал нижний | |
| БМД 59040 | БМД 59040 | Вал карданный | |
| БМД 59330 | БМД 59330 | Вал в сборе |
Содержащиеся в справочниках-каталогах запасные части и детали не предлагаются к продаже, а носят исключительно информационный характер