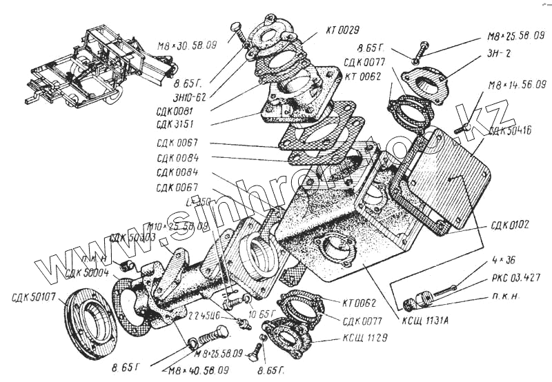
Каталог запасных частей к технике: ТеКЗ БМ-6А. Редуктор
СДК 0081
Проволока, L=350
4х36
8.65Г
8.65Г
8.65Г
8.65Г
10.65Г
СДК 50303
СДК3151
П.Н.К
П.Н.К
КТ0029
КТ 0062
КТ 0062
СДК 0102
СДК 0077
СДК 0077
СДК 0067
СДК 0067
СДК 0084
СДК 0084
М10х25.58.09
СДК 5004
2.2.45Ц6
СДК 50107
ЗН-2
КСЩ 1129
ЗН10-62
СДК 50416
КСЩ 1131А
РКС 03427
М8х40.58.09
М8х25.58.09
М8х25.58.09
М8х30.58.09
М8х14.58.09
| Позиция на иллюстрации | Заводской номер детали | Название детали | |
|---|---|---|---|
| СДК 0081 | СДК 0081 | Прокладка | |
| Проволока, L=350 | Проволока, L=350 | Проволока, L=350 | |
| 4х36 | 4х36 | Шплинт | |
| 8.65Г | 8.65Г | Шайба | |
| 10.65Г | 10.65Г | Шайба | |
| СДК 50303 | СДК 50303 | Стойка ножа | |
| СДК3151 | СДК3151 | Стакан | |
| П.Н.К | П.Н.К | Путанка из капроновой нити | |
| КТ0029 | КТ0029 | Прокладка | |
| КТ 0062 | КТ 0062 | Прокладка | |
| СДК 0102 | СДК 0102 | Прокладка | |
| СДК 0077 | СДК 0077 | Прокладка | |
| СДК 0067 | СДК 0067 | Прокладка | |
| СДК 0084 | СДК 0084 | Прокладка | |
| М10х25.58.09 | М10х25.58.09 | Болт | |
| СДК 5004 | СДК 5004 | Прокладка | |
| 2.2.45Ц6 | 2.2.45Ц6 | Масленка | |
| СДК 50107 | СДК 50107 | Крышка подшипника | |
| ЗН-2 | ЗН-2 | Крышка глухая | |
| КСЩ 1129 | КСЩ 1129 | Крышка | |
| ЗН10-62 | ЗН10-62 | Крышка | |
| СДК 50416 | СДК 50416 | Крышка | |
| КСЩ 1131А | КСЩ 1131А | Корпус | |
| РКС 03427 | РКС 03427 | Колпачок | |
| М8х40.58.09 | М8х40.58.09 | Болт | |
| М8х25.58.09 | М8х25.58.09 | Болт | |
| М8х30.58.09 | М8х30.58.09 | Болт | |
| М8х14.58.09 | М8х14.58.09 | Болт |
Содержащиеся в справочниках-каталогах запасные части и детали не предлагаются к продаже, а носят исключительно информационный характер