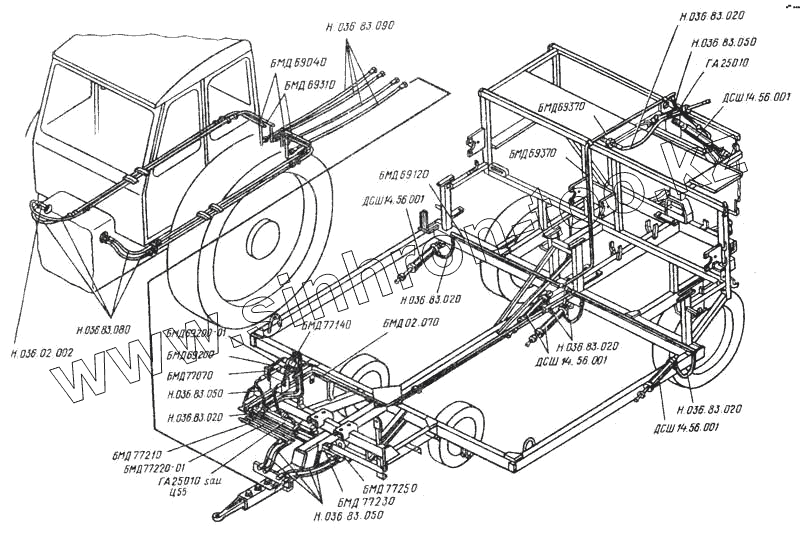
Каталог запасных частей к технике: ТеКЗ БМ-6А. Гидроуправление
БМД 69040
Н.036.02.002
Н.036.83.080
Н.036.83.050
Н.036.83.050
Н.036.83.050
Н.036.83.020
Н.036.83.020
Н.036.83.020
Н.036.83.020
Н.036.83.020
Н.036.83.090
БМД 69200-01
БМД 69200
БМД 77230
БМД 02070
БМД 69310
БМД 69370
БМД 69370
БМД 77220
БМД 69120
БМД 77250
БМД 77210
БМД 77070
БМД 77 140-01
Ц 55
ГА 25010
ГА 25010
ДСШ 14.56.001
ДСШ 14.56.001
ДСШ 14.56.001
ДСШ 14.56.001
| Позиция на иллюстрации | Заводской номер детали | Название детали | |
|---|---|---|---|
| БМД 69040 | БМД 69040 | Маслопровод | |
| Н.036.02.002 | Н.036.02.002 | Штуцер проходной | |
| Н.036.83.080 | Н.036.83.080 | Рукав высокого давления, L=805 | |
| Н.036.83.050 | Н.036.83.050 | Рукав высокого давления, L=605 | |
| Н.036.83.020 | Н.036.83.020 | Рукав высокого давления, L=405 | |
| Н.036.83.090 | Н.036.83.090 | Рукав высокого давления, L=1005 | |
| БМД 69200-01 | БМД 69200-01 | Маслопровод гидрозамка | |
| БМД 69200 | БМД 69200 | Маслопровод гидрозамка | |
| БМД 77230 | БМД 77230 | Маслопровод | |
| БМД 02070 | БМД 02070 | Маслопровод | |
| БМД 69310 | БМД 69310 | Маслопровод | |
| БМД 69370 | БМД 69370 | Маслопровод | |
| БМД 77220 | БМД 77220 | Маслопровод | |
| БМД 69120 | БМД 69120 | Маслопровод | |
| БМД 77190 | БМД 77190 | Маслопровод | |
| БМД 69340 | БМД 69340 | Гидрозамок | |
| БМД 77200 | БМД 77200 | Маслопровод | |
| БМД 77160 | БМД 77160 | Маслопровод | |
| БМД 77050 | БМД 77050 | Маслопровод | |
| БМД 77250 | БМД 77250 | Маслопровод | |
| БМД 77150 | БМД 77150 | Маслопровод | |
| БМД 77210 | БМД 77210 | Маслопровод | |
| БМД 69380 | БМД 69380 | Клапан разгрузочный | |
| БМД 77070 | БМД 77070 | Клапан перепускной | |
| БМД 77 140-01 | БМД 77 140-01 | Клапан в сборе | |
| БМД 77090 | БМД 77090 | Клапан "ИЛИ" гидрозамка | |
| БМД 77180 | БМД 77180 | Замок | |
| Ц 55 | Ц 55 | Гидроцилиндр | |
| ГА 25010 | ГА 25010 | Гидроцилиндр | |
| ДСШ 14.56.001 | ДСШ 14.56.001 | Гидроцилиндр |
Содержащиеся в справочниках-каталогах запасные части и детали не предлагаются к продаже, а носят исключительно информационный характер