Вернуться на главную
Поиск
Каталоги запчастей к технике
Сельхозтехника
РСМ
РСМ 2375
Ступеньки и лестницы (2375.02.004)
Каталог запасных частей к технике: РСМ 2375. Ступеньки и лестницы (2375.02.004)
zoom-in
zoom-out
enlarge
shrink
circle-right
circle-left
file-text2
info
cart
Тип техники
Не выбрано
Легковые автомобили
Грузовые автомобили и прицепы
Автобусы
Сельхозтехника
Спецтехника
Двигатели
Мототехника
Марка
Не выбрано
AGCO
Amity
CASE IH
DongFeng
Fortschritt
Foton
Franz Kleine
Gaspardo
Great Plains
KRONE
KUHN
Lemken
Lovol
MacDon
Massey Ferguson
New Holland
TIGARBO
Vaderstad
Versatile
Wirax
Агро
Агротехмаш
Бобруйскагромаш (ОАО «УКХ «Бобруйскагромаш»)
БЭМЗ
ВгТЗ
Воронежсельмаш
ВТЗ
Гомсельмаш
ДКЗ
ЗАО "Техника-сервис"
ЗиД
КЗК
Кировец-Ландтехник
Клевер
Красная Звезда
Лидагропроммаш
Лидсельмаш
ЛТЗ
Машстройхолдинг
Минитракторы
Мордовагромаш
МТЗ
Навигатор-Новое машиностроение
Нефтекамский автозавод
ПТЗ
Ремком
РСМ
Сибсельмаш
ТеКЗ
ТКЗ
ХЗТСШ
ХТЗ
ЮМЗ
Модель
Не выбрано
CK-5М-1 «Нива»
CK-5М-1 «Нива» (2002)
Vector-450 (Часть 1) (2018)
Vector-450 (Часть 2) (2018)
Дон (общий каталог)
Дон 1200
Дон 1200Б
Дон 1500А
Дон 1500Б
Жатка 3518050-12010 (2020)
Жатка S300.27 (2020)
Жатка ЖЗТ-9 (2020)
Жатка ЖКС (2020)
Жатка ЖСУ-700 (2020)
Жатка ЖСУ-703 (2020)
Жатка РСМ-081.27 (2010)
Жатка РСМ-081.27 (2020)
Жатка РСМ-081.27 (вариант) (2010)
Жатка РСМ-100.70, 1401.70 (2007)
Жатка РСМ-161.27 (2020)
Платформа-подборщик РСМ-081.08 (2020)
Платформа-подборщик РСМ-091.08 (2020)
ППК-81 Argus (2020)
РСМ 2375 (2020)
РСМ-100 (Дон-680) (2002)
РСМ-100 (Дон-680М) (2010)
РСМ-101 "Вектор" (2010)
РСМ-101 "Вектор" (вариант) (2010)
РСМ-10Б "Дон-1500Б" (2006)
РСМ-1401 (2009)
РСМ-142 "Acros" (2010)
РСМ-142 "Acros" вариант (2010)
РСМ-142 (Acros-550) (2020)
РСМ-152 "Acros-590/595 Plus" Часть 1 (2020)
РСМ-152 "Acros-590/595 Plus" Часть 2 (2020)
РСМ-161 (Часть 1) (2015)
РСМ-161 (Часть 2) (2015)
РСМ-181 "Torum-740" (2010)
РСМ-181 "Torum-740" (вариант) (2010)
Стол рапсовый RSM001.00.000К (2020)
Тележка для перевозки жатки РСМ-142.29 (2020)
Тележка РСМ-142.29 (2009)
Тележка транспортная ТТ-4000 (2020)
Энергосредство ЭС-1 (2009)
Схема
>
Не выбрано
Трактор РСМ 2375 (2375.00.000)
Установка двигателя QSM-11 (2375.01.000)
Топливные баки, магистрали и сопутствующие изделия (2375.01.005)
Бак топливный левый (2375.11.02.010)
Ручной акселератор (2375.01.006)
Рычаги управления акселератором (2375.01.007)
Монтаж двигателя QSM-11 (2375.01.001)
Двигатель (QSM11 SO21491)
Двигатель 375 Л.С. TIER 3 (86032639 QSM11)
Двигатель - CUMMINS Класс 3, Qsm-11 335hp L4wd (86032638)
Z003 топливный насос (3090942)
Набор Уплотнений (3804304)
Двигатель - CUMMINS Класс 3, Qsm-11 375hp L4wd (86032639)
Z003 топливный насос (3090942)
Набор Уплотнений (3804304)
Двигатель (QSM11 SO21491)
Системы впуска и выпуска (2375.01.002)
Радиатор и сопутствующие изделия (2375.01.003)
Охладитель топлива (2375.01.004)
Фильтр-сепаратор (2375.01.008)
Структура - Рама/Кабина/Крылья/Обшивка (2375.02.000)
Капот, решетка и боковые щитки (2375.02.001)
Рамы в сборе и точки сопряжения (2375.02.003)
Ступеньки и лестницы (2375.02.004)
Крылья и сопутствующие изделия (2375.02.002)
Электрооборудование и компоненты (2375.03.000)
Электрическая проводка передняя (2375.03.001)
Электрооборудование задней рамы (2375.03.002)
Электрооборудование системы пуска и зарядки (2375.03.003)
Электрооборудование крыши (2375.03.004)
Фары задних крыльев (2375.03.005)
Электрическая проводка кабины (2375.03.006)
Панель предохранителей в сборе (2375.03.007)
Фары крыши кабины (2375.03.008)
Комплект газоразрядных фар (2375.03.009)
Электрооборудование переднего блокируемого дифференциала (2375.03.010)
Электрооборудование трехточечной навески модели (2375.03.011)
Комплект реле стартера (2375.03.013)
Генератор (2375.03.014)
Инструментальный модуль в сборе (2375.03.015)
Инструментальная панель в сборе (2375.03.016)
Рулевое управление (2375.04.000)
Цилиндр рулевой в сборе (2375.04.001)
Установка рулевой колонки (2375.04.002)
Насос-дозатор (2375.04.003)
Рулевая колонка в сборе (2375.04.004)
Гидрооборудование рулевого управления (2375.04.005)
Гидросистема (2375.05.000)
Клапаны подключения (Bondioli) (LSC-90Ф)
Клапаны подключения (Bondioli) (LSC-90)
Установка гидроразъемов (2375.46.27.000)
Смазка ВОМ, механическая трансмиссия (2375.05.002)
Рабочее гидрооборудование (2375.05.003)
Клапан (86035374)
Цилиндр трехточечной навески в сборе (2375.05.006)
Управление гидрооборудованием (2375.05.009)
Управление потоком (2375.05.010)
Управление потоком (2375.05.010)
Гидрораспределитель в сборе (2375.05.011)
Секция гидрораспределителя механическая (2375.05.012)
Секция гидрораспределителя электроуправляемая (2375.05.013)
Секция с обратным клапаном (2375.05.014)
Клапан приоритета рулевого управления в сборе (2375.05.015)
Клапан приоритета рабочего оборудования в сборе (2375.05.016)
Пилотный клапан (2375.05.017)
Клапан ВОМ (2375.05.018)
Рулевая, рабочая гидросистемы/Гидросистема системы смазки (2375.05.004)
Фильтр напорный (MFM ON95OH20B 4.0/-B7-RSM-QPGI1V2)
Блок клапанов (2375.46.00.260)
Тандем насосов (2375.05.007)
Коллектор байпасных клапанов гидравлической системы (2375.05.005)
Блок гидравлический (2375.46.00.210)
Блок клапанный (BV129)
Установка тандема насосов QSM-11 (2375.05.008)
Гидросистема (2375.46.00.000-01)
Гидросистема (2375.46.00.000-01)
Гидросистема (2375.46.00.000-01)
Бак гидравлический (2375.46.00.030)
Установка рулевого управления (2375.46.00.160)
Блок гидравлический (2375.46.00.210)
Блок клапанный (BV129)
Фильтр трансмиссии (2375.46.00.220)
Фильтр гидравлики (2375.46.00.230)
Фильтр напорный (2375.46.00.240)
Болт (DIN 933-M8Х20-8.8-ZINC PLATED)
Фильтр напорный (MFM ON95OH20B 4.0/-B7-RSM-QPGI1V2)
Блок клапанов (2375.46.00.260)
Насос-дозатор (2375.46.00.270)
Гидрораспределитель (2375.46.00.320)
Кронштейн с муфтами БРС (2375.46.00.330)
Установка гидроцилиндров трехточечной навески (2375.46.00.340)
Клапан комбинированный (2375.46.00.350)
Гидросистема (2375.46.00.000-02)
Гидросистема (2375.46.00.000-02)
Гидросистема (2375.46.00.000-02)
Бак гидравлический (2375.46.00.030-01)
Установка рулевого управления (2375.46.00.160)
Блок гидравлический (2375.46.00.210)
Блок клапанный (BV129)
Фильтр трансмиссии (2375.46.00.220)
Фильтр гидравлики (2375.46.00.230)
Фильтр напорный (2375.46.00.240)
Болт (DIN 933-M8Х20-8.8-ZINC PLATED)
Фильтр напорный (MFM ON95OH20B 4.0/-B7-RSM-QPGI1V2)
Блок установки клапна (2375.46.00.250)
Насос-дозатор (2375.46.00.270)
Фильтр линейный (2375.46.00.280)
Установка насосов (2375.46.00.290)
Гидрораспределитель (2375.46.00.320-01)
Кронштейн с муфтами БРС (2375.46.00.330)
Установка гидроцилиндров трехточечной навески (2375.46.00.340)
Гидросистема (2375.46.00.000-03)
Гидросистема (2375.46.00.000-03)
Гидросистема (2375.46.00.000-03)
Бак гидравлический (2375.46.00.030)
Установка рулевого управления (2375.46.00.160)
Блок гидравлический (2375.46.00.210)
Блок клапанный (BV129)
Фильтр трансмиссии (2375.46.00.220)
Фильтр гидравлики (2375.46.00.230)
Фильтр напорный (2375.46.00.240)
Болт (DIN 933-M8Х20-8.8-ZINC PLATED)
Фильтр напорный (MFM ON95OH20B 4.0/-B7-RSM-QPGI1V2)
Блок клапанов (2375.46.00.260)
Насос-дозатор (2375.46.00.270)
Гидрораспределитель (2375.46.00.320-02)
Кронштейн с муфтами БРС (2375.46.00.330-02)
Клапан комбинированный (2375.46.00.350)
Гидросистема (2375.46.00.000-04)
Гидросистема (2375.46.00.000-04)
Гидросистема (2375.46.00.000-04)
Бак гидравлический (2375.46.00.030-01)
Установка рулевого управления (2375.46.00.160)
Блок гидравлический (2375.46.00.210)
Блок клапанный (BV129)
Фильтр трансмиссии (2375.46.00.220)
Фильтр гидравлики (2375.46.00.230)
Фильтр напорный (2375.46.00.240)
Болт (DIN 933-M8Х20-8.8-ZINC PLATED)
Фильтр напорный (MFM ON95OH20B 4.0/-B7-RSM-QPGI1V2)
Блок установки клапна (2375.46.00.250)
Насос-дозатор (2375.46.00.270)
Фильтр линейный (2375.46.00.280)
Установка насосов (2375.46.00.290)
Гидрораспределитель (2375.46.00.320-03)
Кронштейн с муфтами БРС (2375.46.00.330-02)
Гидросистема (2375.46.00.000-05)
Гидросистема (2375.46.00.000-05)
Гидросистема (2375.46.00.000-05)
Бак гидравлический (2375.46.00.030)
Установка рулевого управления (2375.46.00.160)
Блок гидравлический (2375.46.00.210)
Блок клапанный (BV129)
Фильтр трансмиссии (2375.46.00.220)
Фильтр гидравлики (2375.46.00.230)
Фильтр напорный (2375.46.00.240)
Болт (DIN 933-M8Х20-8.8-ZINC PLATED)
Фильтр напорный (MFM ON95OH20B 4.0/-B7-RSM-QPGI1V2)
Блок клапанов (2375.46.00.260)
Насос-дозатор (2375.46.00.270-01)
Гидрораспределитель (2375.46.00.320)
Кронштейн с муфтами БРС (2375.46.00.330)
Установка гидроцилиндров трехточечной навески (2375.46.00.340)
Клапан комбинированный (2375.46.00.350)
Гидросистема (2375.46.00.000-06)
Гидросистема (2375.46.00.000-06)
Гидросистема (2375.46.00.000-06)
Бак гидравлический (2375.46.00.030-01)
Установка рулевого управления (2375.46.00.160)
Блок гидравлический (2375.46.00.210)
Блок клапанный (BV129)
Фильтр трансмиссии (2375.46.00.220)
Фильтр гидравлики (2375.46.00.230)
Фильтр напорный (2375.46.00.240)
Болт (DIN 933-M8Х20-8.8-ZINC PLATED)
Фильтр напорный (MFM ON95OH20B 4.0/-B7-RSM-QPGI1V2)
Блок установки клапна (2375.46.00.250)
Насос-дозатор (2375.46.00.270-01)
Фильтр линейный (2375.46.00.280)
Установка насосов (2375.46.00.290)
Гидрораспределитель (2375.46.00.320-01)
Кронштейн с муфтами БРС (2375.46.00.330)
Установка гидроцилиндров трехточечной навески (2375.46.00.340)
Тормозная система (2375.06.000)
Тормозной механизм и сопутствующие изделия (2375.06.001)
Тормозной механизм и сопутствующие изделия начиная с августа 2003 (2375.06.002)
Тормозной рычаг в сборе (2375.06.003)
Рычаг парковочного тормоза, установка суппорта, начиная с августа 2003 (2375.06.004)
Тормозной суппорт и сопутствующие изделия (2375.06.005)
Компоненты актуатора тормозного суппорта (2375.06.006)
Главный тормозной цилиндр (2375.06.007)
Приводы (2375.07.000)
Комплект редуктора для ВОМ, механическая трансмиссия (2375.07.009)
Редуктор для ВОМ, механическая трансмиссия (2375.07.006)
Мост в сборе и его установка (2375.07.001)
Привод ВОМ, механическая трансмиссия (2375.07.004)
Карданный вал В СБОРЕ, 1550 серии (красный) (86027864)
Карданный вал В СБОРЕ, установка длина-1108мм, 1550 серии красный (86027865)
Муфта ВОМ (2375.07.007)
Редуктора ВОМ в сборе (2375.07.008)
Переключатели передач механической трансмиссии (2375.07.010)
Педаль сцепления и сопутствующие изделия, механическая трансмиссия (2375.07.011)
Механическая трансмиссия 12-ти скоростная (2375.07.012)
Выходной вал трансмиссии (2375.07.013)
Первичный вал трансмиссии (2375.07.014)
Первый промежуточный вал (2375.07.015)
Второй промежуточный вал (2375.07.016)
Система смазки трансмиссии (2375.07.017)
Главная муфта сцепления (2375.07.018)
Система всасывания механической трансмиссии (2375.07.019)
Шестеренный насос в сборе (2375.07.020)
Механизм выбора передачи в сборе (2375.07.021)
Механизм выбора передачи в сборе (2375.07.022)
Дифференциал без блокировки (2375.07.003)
Блокируемый дифференциал (2375.07.002)
Приводы механической трансмиссии (2375.07.005)
Карданный вал В СБОРЕ, 1610 серии (красный) (86027862)
Карданный вал В СБОРЕ - 1610 серии, BVI красный (86028084)
Карданный вал В СБОРЕ, 1610 серии, красный (86027858)
Карданный вал В СБОРЕ, 1610 серии 535M (86029957)
Кабина/Наклейки и внутренняя отделка (2375.09.000)
Сиденье оператора стандартное (2375.09.016)
Подвеска сиденья стандартного (2375.09.017)
Установка сиденья (2375.09.001)
Сиденье в сборе (2375.09.002)
Подвеска сиденья (2375.09.003)
Зеркала наружные (2375.09.005)
Кабина с боре (2375.09.006)
Интерьер кабины в сборе (2375.09.007)
Заглушка (82008353)
Шайба (DIN 9021-6,4-100 HV-ZINC PLATED)
Болт (DIN 933-M8Х20-8.8-ZINC PLATED)
Стеклоочистители и сопутствующие изделия (2375.09.008)
Радио и громкоговорители (2375.09.009)
Отопитель и испаритель в сборе (2375.09.010)
Компрессор в сборе (2375.09.011)
Крыша кабины и сопутстсвующие изделия (2375.09.013)
Наклейки экстерьера и безопасности (2375.09.014)
Подвеска сиденья (2375.09.004)
Отопитель и испаритель и сопутствующие изделия (2375.09.012)
Наклейки и идентификационные таблички, начиная с 01.04.08г. (2375.09.015)
Климатическая система ТУ 29.32.30-013-75166250-2018 (Август 23БС-RSM-2375)
РЕСИВЕР С Д/ДАВЛ ТУ4591-012 (04-003900-02)
Крыша кабины (2375.67.03.000)
Потолок (2375.67.03.020)
Приспособления и аксессуары (2375.10.000)
Комплект захвата для скреперной машины (2375.10.031)
Прицепное устройство (2375.10.001)
Комплект усиленного прицепного устройства (2375.10.025)
Комплект захвата для скреперной машины (2375.10.030)
Вилка прицепа (2375.10.032)
Колесные диски, одинарные и двойные (2375.10.002)
Внутреннее колесо (2375.10.004)
Спаренные колеса (2375.10.005)
Установка грузов передних (2375.10.006)
Установка грузов задних (2375.10.007)
Трехточечная навеска в сборе (2375.10.010)
Гидрооборудование трехточечной навески (2375.10.011)
Подъемные рычаги (2375.10.012)
Комплект очитски грязи (2375.10.009)
Радио (2375.10.036)
Комплект привода гидромотора сеялки (2375.10.013)
Комплект интенсивного потока (2375.10.014)
Комплект инструмента со смазкой (2375.10.016)
Прицепное устройство в сборе (2375.10.020)
Знак тихоходного транспортного средства (2375.10.021)
Быстрозахватное устройство (2375.10.022)
Механизм подъемный (86027919R)
Комплект буксировочного троса (2375.10.038)
Комплект автоматического рулевого управления и сопутствующие изделия (2375.10.024)
Комплект сигнализации движения назад (автоматическая трансмиссия) (2375.10.017)
Комплекты установки дилером / 3-х точечные навески и ВОМ (2375.10.027)
Комплекты переднего и заднего блокируемого дифференциала (2375.10.028)
Комплект сигнализации движения назад (механическая трансмиссия) (2375.10.018)
Комплект уменьшения потока (2375.10.033)
Комплект моторизованного управления потоком (2375.10.034)
Комплект монитора рабочих характеристик (2375.10.039)
Комплект монитора рабочих характеристик (9TPM01)
Тройные колесные диски только для усиленных мостов (2375.10.003)
Установка грузов средних (2375.10.008)
Комплект запуска двигателя в холодное время (2375.10.015)
Прицепное устройство с инструментальным ящиком (2375.10.019)
Комплект конвертации гидрооборудования с закрытым центром (2375.10.026)
Фильтры и ремни QSM-11 (2335-2375) (2375.10.029)
Быстрозахватное устройство 4 категории (2375.10.035)
Комплект солнцезащитной шторки (2375.10.037)
Пневмосистема (2375.29.00.100)
Пневмосистема (2375.29.00.100)
Тяга (2375.35.00.060)
Болт (DIN 933-M8Х20-8.8-ZINC PLATED)
Розетка соединительная (5082 1/4МО2)
Установка автовождения (2375.47.00.000)
Комплект Trimble для дисплея CFX-750, включая DGPS-антенну (94000-80)
Комплект Trimble для платформы Versatile/Buhler серии 2000 4WD (54036-50)
Установка освещения наружного дополнительного (2375.37.11.000)
Балка (2375.37.11.500)
Балка (2375.37.11.530)
Балка (2375.37.11.530-01)
Балка (2375.37.11.600)
Балка (2375.37.11.620)
Балка (2375.37.11.620-01)
Колесо (2375.31.00.130)
Колесо (2375.31.00.140)
Колесо (2375.31.00.110)
Колесо (2375.31.00.120)
Ящик инструментальный (2375.39.14.010)
Баласт задний (2375.28.33.000)
Фильтр линейный (2375.46.00.280)
1
1
1
2
2
2
3
3
3
4
4
4
5
5
5
6
6
7
7
8
9
10
11
11
12
12
13
13
13
13
13
13
13
13
13
13
14
14
15
15
16
16
16
16
16
16
16
16
17
17
18
18
18
18
18
20
21
23
24
25
26
27
28
29
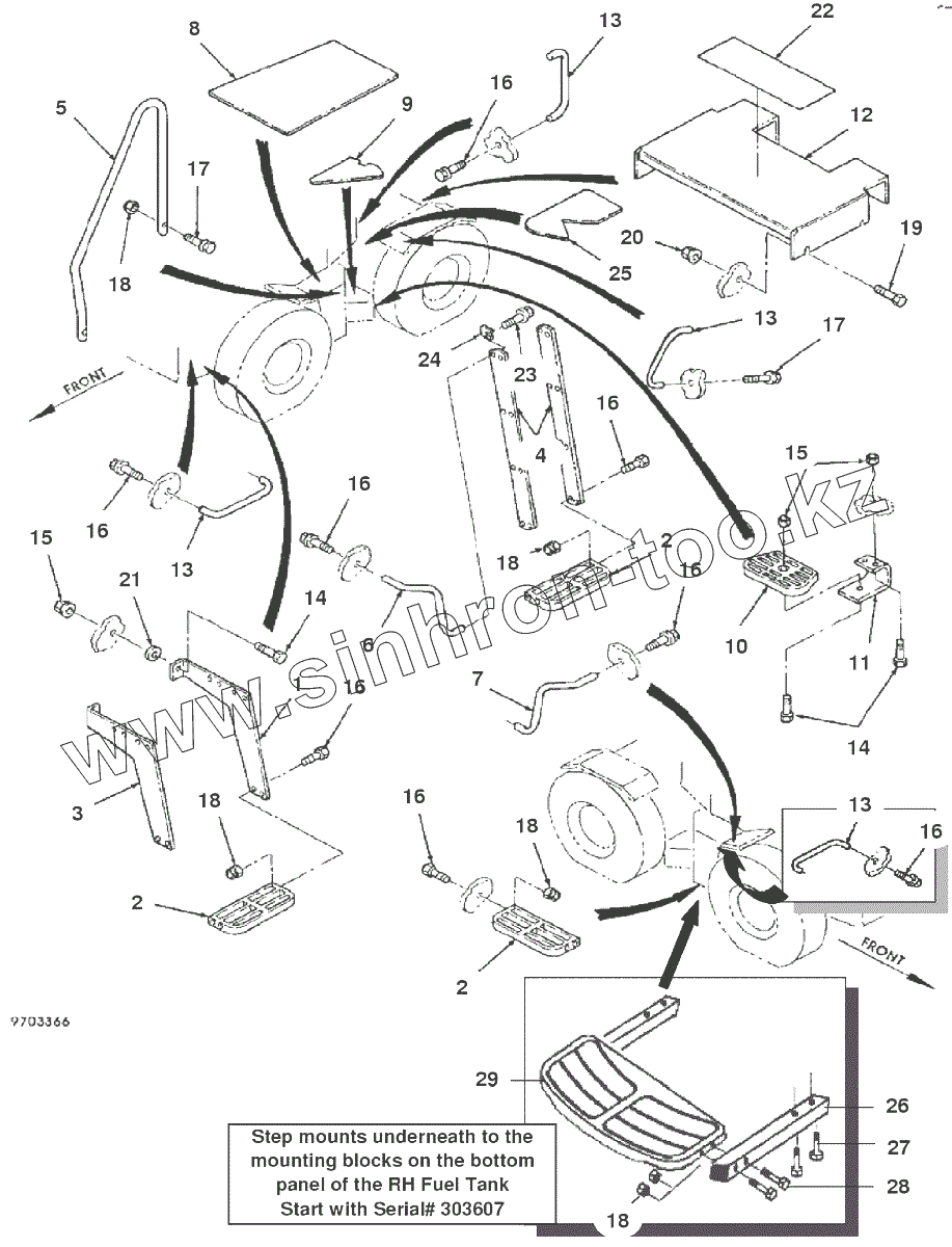
Позиция на иллюстрации
Заводской номер детали
Название детали
2375.82.10.034
2375.82.10.034
Кронштейн
1
86027804
Боковина, универсальная стремянка левая сторона
1
86031577
Боковина, универсальная стремянка левая сторона
1
86026027
Боковина - сервисная лестница, левосторонняя
2
86015582
Ступенька - нижняя, алюминиевое литье
3
86027811
Боковина, универсальная стремянка правая сторона
3
86026034
Боковина, универсальная стремянка правая сторона
3
86031578
Боковина, универсальная стремянка правая сторона
4
86027810
Направляющая - боковая, сталь
4
86026033
Направляющая - боковая, сталь
4
86027810R
Пластина
5
86027809Т
Поручень
5
86027809R
Поручень
5
86026032
Поручень - главная надставка борта кузова, сталь.
6
86026031
Ручка - сталь, диаметр
6
86027808
Поручень салона, сталь.
7
86027807
Поручень салона, сталь.
7
86026030
Поручень салона, сталь.
8
9706446
Ограда ступеньки, lh топливный бак
9
09707285
Ступенька - ограждение задней рамы
10
86017296
Пластина - резьбовая, алюминиевое литье, входная ступенька кабины
11
86027806
Крепление подножки
11
86026029
Кронштейн - нижняя боковая ступенька
12
86027805
Крышка - задняя рама
12
86026028
Крышка - задняя рама
13
9707314
Поручень к трактору
13
9707314R
Поручень
14
00043168
Колпачковый винт- шестигранник
15
09804280
Шестигранная гайка, фланцевая
16
9840672
Колпачковый винт- фланцевый шестигранник
17
9804264
Колпачковый винт- фланцевый шестигранник
18
9672413
Гайка стопорная с фланцем стальная
20
86512497
Гайка - шестигранник, фланцевая
21
140020
Шайба
22
09707226
Полоска - фрикционный лист, ограждение, задняя рама
23
9804263
Болт шестигранный
24
86511323
Шайба - плоская стальная пл.
25
86001386
Ограда ступеньки задней рамы
26
86034844
Патрубок - крепление ступеньки
27
9804265
Колпачковый винт- фланцевый шестигранник
28
9671487
Колпачковый винт- фланцевый шестигранник
29
86032187
Не переведено
Содержащиеся в справочниках-каталогах запасные части и детали не предлагаются к продаже, а носят исключительно информационный характер
Дополнительная информация
×
Название:
Номер:
Примечание: