Вернуться на главную
Поиск
Каталоги запчастей к технике
Сельхозтехника
РСМ
РСМ 2375
Электрическая проводка передняя (2375.03.001)
Каталог запасных частей к технике: РСМ 2375. Электрическая проводка передняя (2375.03.001)
zoom-in
zoom-out
enlarge
shrink
circle-right
circle-left
file-text2
info
cart
Тип техники
Не выбрано
Легковые автомобили
Грузовые автомобили и прицепы
Автобусы
Сельхозтехника
Спецтехника
Двигатели
Мототехника
Марка
Не выбрано
AGCO
Amity
CASE IH
DongFeng
Fortschritt
Foton
Franz Kleine
Gaspardo
Great Plains
KRONE
KUHN
Lemken
Lovol
MacDon
Massey Ferguson
New Holland
TIGARBO
Vaderstad
Versatile
Wirax
Агро
Агротехмаш
Бобруйскагромаш (ОАО «УКХ «Бобруйскагромаш»)
БЭМЗ
ВгТЗ
Воронежсельмаш
ВТЗ
Гомсельмаш
ДКЗ
ЗАО "Техника-сервис"
ЗиД
КЗК
Кировец-Ландтехник
Клевер
Красная Звезда
Лидагропроммаш
Лидсельмаш
ЛТЗ
Машстройхолдинг
Минитракторы
Мордовагромаш
МТЗ
Навигатор-Новое машиностроение
Нефтекамский автозавод
ПТЗ
Ремком
РСМ
Сибсельмаш
ТеКЗ
ТКЗ
ХЗТСШ
ХТЗ
ЮМЗ
Модель
Не выбрано
CK-5М-1 «Нива»
CK-5М-1 «Нива» (2002)
Vector-450 (Часть 1) (2018)
Vector-450 (Часть 2) (2018)
Дон (общий каталог)
Дон 1200
Дон 1200Б
Дон 1500А
Дон 1500Б
Жатка 3518050-12010 (2020)
Жатка S300.27 (2020)
Жатка ЖЗТ-9 (2020)
Жатка ЖКС (2020)
Жатка ЖСУ-700 (2020)
Жатка ЖСУ-703 (2020)
Жатка РСМ-081.27 (2010)
Жатка РСМ-081.27 (2020)
Жатка РСМ-081.27 (вариант) (2010)
Жатка РСМ-100.70, 1401.70 (2007)
Жатка РСМ-161.27 (2020)
Платформа-подборщик РСМ-081.08 (2020)
Платформа-подборщик РСМ-091.08 (2020)
ППК-81 Argus (2020)
РСМ 2375 (2020)
РСМ-100 (Дон-680) (2002)
РСМ-100 (Дон-680М) (2010)
РСМ-101 "Вектор" (2010)
РСМ-101 "Вектор" (вариант) (2010)
РСМ-10Б "Дон-1500Б" (2006)
РСМ-1401 (2009)
РСМ-142 "Acros" (2010)
РСМ-142 "Acros" вариант (2010)
РСМ-142 (Acros-550) (2020)
РСМ-152 "Acros-590/595 Plus" Часть 1 (2020)
РСМ-152 "Acros-590/595 Plus" Часть 2 (2020)
РСМ-161 (Часть 1) (2015)
РСМ-161 (Часть 2) (2015)
РСМ-181 "Torum-740" (2010)
РСМ-181 "Torum-740" (вариант) (2010)
Стол рапсовый RSM001.00.000К (2020)
Тележка для перевозки жатки РСМ-142.29 (2020)
Тележка РСМ-142.29 (2009)
Тележка транспортная ТТ-4000 (2020)
Энергосредство ЭС-1 (2009)
Схема
>
Не выбрано
Трактор РСМ 2375 (2375.00.000)
Установка двигателя QSM-11 (2375.01.000)
Топливные баки, магистрали и сопутствующие изделия (2375.01.005)
Бак топливный левый (2375.11.02.010)
Ручной акселератор (2375.01.006)
Рычаги управления акселератором (2375.01.007)
Монтаж двигателя QSM-11 (2375.01.001)
Двигатель (QSM11 SO21491)
Двигатель 375 Л.С. TIER 3 (86032639 QSM11)
Двигатель - CUMMINS Класс 3, Qsm-11 335hp L4wd (86032638)
Z003 топливный насос (3090942)
Набор Уплотнений (3804304)
Двигатель - CUMMINS Класс 3, Qsm-11 375hp L4wd (86032639)
Z003 топливный насос (3090942)
Набор Уплотнений (3804304)
Двигатель (QSM11 SO21491)
Системы впуска и выпуска (2375.01.002)
Радиатор и сопутствующие изделия (2375.01.003)
Охладитель топлива (2375.01.004)
Фильтр-сепаратор (2375.01.008)
Структура - Рама/Кабина/Крылья/Обшивка (2375.02.000)
Капот, решетка и боковые щитки (2375.02.001)
Рамы в сборе и точки сопряжения (2375.02.003)
Ступеньки и лестницы (2375.02.004)
Крылья и сопутствующие изделия (2375.02.002)
Электрооборудование и компоненты (2375.03.000)
Электрическая проводка передняя (2375.03.001)
Электрооборудование задней рамы (2375.03.002)
Электрооборудование системы пуска и зарядки (2375.03.003)
Электрооборудование крыши (2375.03.004)
Фары задних крыльев (2375.03.005)
Электрическая проводка кабины (2375.03.006)
Панель предохранителей в сборе (2375.03.007)
Фары крыши кабины (2375.03.008)
Комплект газоразрядных фар (2375.03.009)
Электрооборудование переднего блокируемого дифференциала (2375.03.010)
Электрооборудование трехточечной навески модели (2375.03.011)
Комплект реле стартера (2375.03.013)
Генератор (2375.03.014)
Инструментальный модуль в сборе (2375.03.015)
Инструментальная панель в сборе (2375.03.016)
Рулевое управление (2375.04.000)
Цилиндр рулевой в сборе (2375.04.001)
Установка рулевой колонки (2375.04.002)
Насос-дозатор (2375.04.003)
Рулевая колонка в сборе (2375.04.004)
Гидрооборудование рулевого управления (2375.04.005)
Гидросистема (2375.05.000)
Клапаны подключения (Bondioli) (LSC-90Ф)
Клапаны подключения (Bondioli) (LSC-90)
Установка гидроразъемов (2375.46.27.000)
Смазка ВОМ, механическая трансмиссия (2375.05.002)
Рабочее гидрооборудование (2375.05.003)
Клапан (86035374)
Цилиндр трехточечной навески в сборе (2375.05.006)
Управление гидрооборудованием (2375.05.009)
Управление потоком (2375.05.010)
Управление потоком (2375.05.010)
Гидрораспределитель в сборе (2375.05.011)
Секция гидрораспределителя механическая (2375.05.012)
Секция гидрораспределителя электроуправляемая (2375.05.013)
Секция с обратным клапаном (2375.05.014)
Клапан приоритета рулевого управления в сборе (2375.05.015)
Клапан приоритета рабочего оборудования в сборе (2375.05.016)
Пилотный клапан (2375.05.017)
Клапан ВОМ (2375.05.018)
Рулевая, рабочая гидросистемы/Гидросистема системы смазки (2375.05.004)
Фильтр напорный (MFM ON95OH20B 4.0/-B7-RSM-QPGI1V2)
Блок клапанов (2375.46.00.260)
Тандем насосов (2375.05.007)
Коллектор байпасных клапанов гидравлической системы (2375.05.005)
Блок гидравлический (2375.46.00.210)
Блок клапанный (BV129)
Установка тандема насосов QSM-11 (2375.05.008)
Гидросистема (2375.46.00.000-01)
Гидросистема (2375.46.00.000-01)
Гидросистема (2375.46.00.000-01)
Бак гидравлический (2375.46.00.030)
Установка рулевого управления (2375.46.00.160)
Блок гидравлический (2375.46.00.210)
Блок клапанный (BV129)
Фильтр трансмиссии (2375.46.00.220)
Фильтр гидравлики (2375.46.00.230)
Фильтр напорный (2375.46.00.240)
Болт (DIN 933-M8Х20-8.8-ZINC PLATED)
Фильтр напорный (MFM ON95OH20B 4.0/-B7-RSM-QPGI1V2)
Блок клапанов (2375.46.00.260)
Насос-дозатор (2375.46.00.270)
Гидрораспределитель (2375.46.00.320)
Кронштейн с муфтами БРС (2375.46.00.330)
Установка гидроцилиндров трехточечной навески (2375.46.00.340)
Клапан комбинированный (2375.46.00.350)
Гидросистема (2375.46.00.000-02)
Гидросистема (2375.46.00.000-02)
Гидросистема (2375.46.00.000-02)
Бак гидравлический (2375.46.00.030-01)
Установка рулевого управления (2375.46.00.160)
Блок гидравлический (2375.46.00.210)
Блок клапанный (BV129)
Фильтр трансмиссии (2375.46.00.220)
Фильтр гидравлики (2375.46.00.230)
Фильтр напорный (2375.46.00.240)
Болт (DIN 933-M8Х20-8.8-ZINC PLATED)
Фильтр напорный (MFM ON95OH20B 4.0/-B7-RSM-QPGI1V2)
Блок установки клапна (2375.46.00.250)
Насос-дозатор (2375.46.00.270)
Фильтр линейный (2375.46.00.280)
Установка насосов (2375.46.00.290)
Гидрораспределитель (2375.46.00.320-01)
Кронштейн с муфтами БРС (2375.46.00.330)
Установка гидроцилиндров трехточечной навески (2375.46.00.340)
Гидросистема (2375.46.00.000-03)
Гидросистема (2375.46.00.000-03)
Гидросистема (2375.46.00.000-03)
Бак гидравлический (2375.46.00.030)
Установка рулевого управления (2375.46.00.160)
Блок гидравлический (2375.46.00.210)
Блок клапанный (BV129)
Фильтр трансмиссии (2375.46.00.220)
Фильтр гидравлики (2375.46.00.230)
Фильтр напорный (2375.46.00.240)
Болт (DIN 933-M8Х20-8.8-ZINC PLATED)
Фильтр напорный (MFM ON95OH20B 4.0/-B7-RSM-QPGI1V2)
Блок клапанов (2375.46.00.260)
Насос-дозатор (2375.46.00.270)
Гидрораспределитель (2375.46.00.320-02)
Кронштейн с муфтами БРС (2375.46.00.330-02)
Клапан комбинированный (2375.46.00.350)
Гидросистема (2375.46.00.000-04)
Гидросистема (2375.46.00.000-04)
Гидросистема (2375.46.00.000-04)
Бак гидравлический (2375.46.00.030-01)
Установка рулевого управления (2375.46.00.160)
Блок гидравлический (2375.46.00.210)
Блок клапанный (BV129)
Фильтр трансмиссии (2375.46.00.220)
Фильтр гидравлики (2375.46.00.230)
Фильтр напорный (2375.46.00.240)
Болт (DIN 933-M8Х20-8.8-ZINC PLATED)
Фильтр напорный (MFM ON95OH20B 4.0/-B7-RSM-QPGI1V2)
Блок установки клапна (2375.46.00.250)
Насос-дозатор (2375.46.00.270)
Фильтр линейный (2375.46.00.280)
Установка насосов (2375.46.00.290)
Гидрораспределитель (2375.46.00.320-03)
Кронштейн с муфтами БРС (2375.46.00.330-02)
Гидросистема (2375.46.00.000-05)
Гидросистема (2375.46.00.000-05)
Гидросистема (2375.46.00.000-05)
Бак гидравлический (2375.46.00.030)
Установка рулевого управления (2375.46.00.160)
Блок гидравлический (2375.46.00.210)
Блок клапанный (BV129)
Фильтр трансмиссии (2375.46.00.220)
Фильтр гидравлики (2375.46.00.230)
Фильтр напорный (2375.46.00.240)
Болт (DIN 933-M8Х20-8.8-ZINC PLATED)
Фильтр напорный (MFM ON95OH20B 4.0/-B7-RSM-QPGI1V2)
Блок клапанов (2375.46.00.260)
Насос-дозатор (2375.46.00.270-01)
Гидрораспределитель (2375.46.00.320)
Кронштейн с муфтами БРС (2375.46.00.330)
Установка гидроцилиндров трехточечной навески (2375.46.00.340)
Клапан комбинированный (2375.46.00.350)
Гидросистема (2375.46.00.000-06)
Гидросистема (2375.46.00.000-06)
Гидросистема (2375.46.00.000-06)
Бак гидравлический (2375.46.00.030-01)
Установка рулевого управления (2375.46.00.160)
Блок гидравлический (2375.46.00.210)
Блок клапанный (BV129)
Фильтр трансмиссии (2375.46.00.220)
Фильтр гидравлики (2375.46.00.230)
Фильтр напорный (2375.46.00.240)
Болт (DIN 933-M8Х20-8.8-ZINC PLATED)
Фильтр напорный (MFM ON95OH20B 4.0/-B7-RSM-QPGI1V2)
Блок установки клапна (2375.46.00.250)
Насос-дозатор (2375.46.00.270-01)
Фильтр линейный (2375.46.00.280)
Установка насосов (2375.46.00.290)
Гидрораспределитель (2375.46.00.320-01)
Кронштейн с муфтами БРС (2375.46.00.330)
Установка гидроцилиндров трехточечной навески (2375.46.00.340)
Тормозная система (2375.06.000)
Тормозной механизм и сопутствующие изделия (2375.06.001)
Тормозной механизм и сопутствующие изделия начиная с августа 2003 (2375.06.002)
Тормозной рычаг в сборе (2375.06.003)
Рычаг парковочного тормоза, установка суппорта, начиная с августа 2003 (2375.06.004)
Тормозной суппорт и сопутствующие изделия (2375.06.005)
Компоненты актуатора тормозного суппорта (2375.06.006)
Главный тормозной цилиндр (2375.06.007)
Приводы (2375.07.000)
Комплект редуктора для ВОМ, механическая трансмиссия (2375.07.009)
Редуктор для ВОМ, механическая трансмиссия (2375.07.006)
Мост в сборе и его установка (2375.07.001)
Привод ВОМ, механическая трансмиссия (2375.07.004)
Карданный вал В СБОРЕ, 1550 серии (красный) (86027864)
Карданный вал В СБОРЕ, установка длина-1108мм, 1550 серии красный (86027865)
Муфта ВОМ (2375.07.007)
Редуктора ВОМ в сборе (2375.07.008)
Переключатели передач механической трансмиссии (2375.07.010)
Педаль сцепления и сопутствующие изделия, механическая трансмиссия (2375.07.011)
Механическая трансмиссия 12-ти скоростная (2375.07.012)
Выходной вал трансмиссии (2375.07.013)
Первичный вал трансмиссии (2375.07.014)
Первый промежуточный вал (2375.07.015)
Второй промежуточный вал (2375.07.016)
Система смазки трансмиссии (2375.07.017)
Главная муфта сцепления (2375.07.018)
Система всасывания механической трансмиссии (2375.07.019)
Шестеренный насос в сборе (2375.07.020)
Механизм выбора передачи в сборе (2375.07.021)
Механизм выбора передачи в сборе (2375.07.022)
Дифференциал без блокировки (2375.07.003)
Блокируемый дифференциал (2375.07.002)
Приводы механической трансмиссии (2375.07.005)
Карданный вал В СБОРЕ, 1610 серии (красный) (86027862)
Карданный вал В СБОРЕ - 1610 серии, BVI красный (86028084)
Карданный вал В СБОРЕ, 1610 серии, красный (86027858)
Карданный вал В СБОРЕ, 1610 серии 535M (86029957)
Кабина/Наклейки и внутренняя отделка (2375.09.000)
Сиденье оператора стандартное (2375.09.016)
Подвеска сиденья стандартного (2375.09.017)
Установка сиденья (2375.09.001)
Сиденье в сборе (2375.09.002)
Подвеска сиденья (2375.09.003)
Зеркала наружные (2375.09.005)
Кабина с боре (2375.09.006)
Интерьер кабины в сборе (2375.09.007)
Заглушка (82008353)
Шайба (DIN 9021-6,4-100 HV-ZINC PLATED)
Болт (DIN 933-M8Х20-8.8-ZINC PLATED)
Стеклоочистители и сопутствующие изделия (2375.09.008)
Радио и громкоговорители (2375.09.009)
Отопитель и испаритель в сборе (2375.09.010)
Компрессор в сборе (2375.09.011)
Крыша кабины и сопутстсвующие изделия (2375.09.013)
Наклейки экстерьера и безопасности (2375.09.014)
Подвеска сиденья (2375.09.004)
Отопитель и испаритель и сопутствующие изделия (2375.09.012)
Наклейки и идентификационные таблички, начиная с 01.04.08г. (2375.09.015)
Климатическая система ТУ 29.32.30-013-75166250-2018 (Август 23БС-RSM-2375)
РЕСИВЕР С Д/ДАВЛ ТУ4591-012 (04-003900-02)
Крыша кабины (2375.67.03.000)
Потолок (2375.67.03.020)
Приспособления и аксессуары (2375.10.000)
Комплект захвата для скреперной машины (2375.10.031)
Прицепное устройство (2375.10.001)
Комплект усиленного прицепного устройства (2375.10.025)
Комплект захвата для скреперной машины (2375.10.030)
Вилка прицепа (2375.10.032)
Колесные диски, одинарные и двойные (2375.10.002)
Внутреннее колесо (2375.10.004)
Спаренные колеса (2375.10.005)
Установка грузов передних (2375.10.006)
Установка грузов задних (2375.10.007)
Трехточечная навеска в сборе (2375.10.010)
Гидрооборудование трехточечной навески (2375.10.011)
Подъемные рычаги (2375.10.012)
Комплект очитски грязи (2375.10.009)
Радио (2375.10.036)
Комплект привода гидромотора сеялки (2375.10.013)
Комплект интенсивного потока (2375.10.014)
Комплект инструмента со смазкой (2375.10.016)
Прицепное устройство в сборе (2375.10.020)
Знак тихоходного транспортного средства (2375.10.021)
Быстрозахватное устройство (2375.10.022)
Механизм подъемный (86027919R)
Комплект буксировочного троса (2375.10.038)
Комплект автоматического рулевого управления и сопутствующие изделия (2375.10.024)
Комплект сигнализации движения назад (автоматическая трансмиссия) (2375.10.017)
Комплекты установки дилером / 3-х точечные навески и ВОМ (2375.10.027)
Комплекты переднего и заднего блокируемого дифференциала (2375.10.028)
Комплект сигнализации движения назад (механическая трансмиссия) (2375.10.018)
Комплект уменьшения потока (2375.10.033)
Комплект моторизованного управления потоком (2375.10.034)
Комплект монитора рабочих характеристик (2375.10.039)
Комплект монитора рабочих характеристик (9TPM01)
Тройные колесные диски только для усиленных мостов (2375.10.003)
Установка грузов средних (2375.10.008)
Комплект запуска двигателя в холодное время (2375.10.015)
Прицепное устройство с инструментальным ящиком (2375.10.019)
Комплект конвертации гидрооборудования с закрытым центром (2375.10.026)
Фильтры и ремни QSM-11 (2335-2375) (2375.10.029)
Быстрозахватное устройство 4 категории (2375.10.035)
Комплект солнцезащитной шторки (2375.10.037)
Пневмосистема (2375.29.00.100)
Пневмосистема (2375.29.00.100)
Тяга (2375.35.00.060)
Болт (DIN 933-M8Х20-8.8-ZINC PLATED)
Розетка соединительная (5082 1/4МО2)
Установка автовождения (2375.47.00.000)
Комплект Trimble для дисплея CFX-750, включая DGPS-антенну (94000-80)
Комплект Trimble для платформы Versatile/Buhler серии 2000 4WD (54036-50)
Установка освещения наружного дополнительного (2375.37.11.000)
Балка (2375.37.11.500)
Балка (2375.37.11.530)
Балка (2375.37.11.530-01)
Балка (2375.37.11.600)
Балка (2375.37.11.620)
Балка (2375.37.11.620-01)
Колесо (2375.31.00.130)
Колесо (2375.31.00.140)
Колесо (2375.31.00.110)
Колесо (2375.31.00.120)
Ящик инструментальный (2375.39.14.010)
Баласт задний (2375.28.33.000)
Фильтр линейный (2375.46.00.280)
2375.28.01.001
1
2
3
4
4
4
4
5
5
6
7
8
8
9
9
9
10
12
13
14
14
15
16
16
17
17
18
18
19
20
21
22
23
23
23
23
24
25
27
28
29
30
31
32
32
33
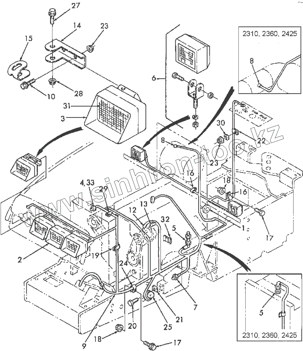
Позиция на иллюстрации
Заводской номер детали
Название детали
2375.28.01.001
2375.28.01.001
Спираль защитная
1
9821300
Сигнал звуковой в сборе
2
9707427
Фара рабочая
3
9707428
Фара рабочая
4
9706428
Датчик уровня охл жидкости
4
86031593
Датчик уровня охлажд. Жидкости
4
86018955
Датчик - уровень охлаждающей жидкости
4
86064628
Датчик уровня охлаждающей жидкости
5
9673053
Датчик магнитный
6
9706418
Фара рабочая
7
9672944
Переключатель температуры
8
103356
Датчик - забор воздуха
9
86029887
Жгут электрический в сборе
9
86013882
Проводка - электрическая в сборе, двигатель
9
86018854
Проводка - электрическая в сборе, двигатель
10
86511479
Болт шестигранный с фланцем
12
9707484
Датчик высокого давления
13
9707483
Переключатель давления
14
86501123
Кронштейн - крепление
14
2375.84.30.401
Кронштейн
15
86501124
Зажим - кронштейн рабочей фары
16
86511954
Клипса с покрытием
17
9840672
Колпачковый винт- фланцевый шестигранник
18
86050279
Гайка
19
86050307
Хомут
20
86511953
Винт
21
86012004
Гайка
22
9706732
Зажим, кабель
23
86507066
Гайка шестигранная с фланцем
23
86505868
Гайка шестигранная
24
09672530
Клипса с покрытием
25
9843767
Реле - стартер
27
86511481
Колпачковый винт- фланцевый шестигранник
28
86505868
Гайка шестигранная
29
86050266
Клипса с покрытием
30
00043730
Шайба - стопорная, внешний зуб
31
86507528
Лампа
32
33721
Клипса
32
DIN 3016-1-D1-22X25-W1-2-EPDM
Хомут
33
00020399
Втулка
40
00084216
Розетка соединителя
Содержащиеся в справочниках-каталогах запасные части и детали не предлагаются к продаже, а носят исключительно информационный характер
Дополнительная информация
×
Название:
Номер:
Примечание: