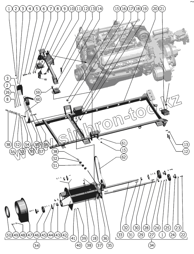
Каталог запасных частей к технике: РСМ-181 "Torum-740" (вариант). Рама вентилятор
1
1
2
2
3
3
4
5
6
7
8
8
9
10
11
12
12
13
13
14
15
15
16
17
18
18
19
20
21
22
23
24
25
26
26
27
28
29
30
31
32
33
34
34
35
36
37
38
38
38
39
40
41
42
43
44
45
46
47
48
49
50
51
51
52
52
53
54
55
56
57
58
59
60
61
62
| Позиция на иллюстрации | Заводской номер детали | Название детали | |
|---|---|---|---|
| 1 | М8-6H.6.019 ГОСТ 5915-70 | Гайка М8-6H.6.019 ГОСТ 5915-70 | |
| 2 | C 8.01.019 ГОСТ 6958-78 | Шайба | |
| 3 | М8х20.46.019 ГОСТ 7802-81 | Болт | |
| 4 | 181.05.04.452 | Кожух | |
| 5 | М6-6gx25.48.019 ГОСТ 7798-70 | Болт | |
| 6 | 6Т 65Г 019 ГОСТ 6402-70 | Шайба | |
| 7 | С.6.01.019 ГОСТ 11371-78 | Шайба | |
| 8 | М8-6H.6.019 ГОСТ 5915-70 | Гайка М8-6H.6.019 ГОСТ 5915-70 | |
| 9 | 181.05.04.433 | Кронштейн | |
| 10 | 181.05.00.150 | Опора | |
| 11 | ПрП-1А 17МО.082.021 ТУ | Преобразователь первичный | |
| 12 | М16-6gx55.88.35.019 ГОСТ 7798-70 | Болт | |
| 13 | С.16.01.019 ГОСТ 11371-78 | Шайба | |
| 14 | РСМ-10.05.00.900 | Амортизатор | |
| 15 | М12-6H.6.019 ГОСТ 5915-70 | Гайка | |
| 16 | 12Т 65Г 019 ГОСТ 6402-70 | Шайба | |
| 17 | М10-6gx25.88.35.019 ГОСТ 7798-70 | Болт | |
| 18 | C 10х3.01.019 ГОСТ 6958-78 | Шайба | |
| 19 | М12-6gx70.88.35.019 ГОСТ 7798-70 | Болт | |
| 20 | 181.05.00.110 | Рама | |
| 21 | 181.05.00.980 | Амортизатор сборный | |
| 22 | М10-6gx35.88.35.019 ГОСТ 7798-70 | Болт | |
| 23 | 10Т 65Г 019 ГОСТ 6402-70 | Шайба | |
| 24 | 101.05.07.601 | Ступица | |
| 25 | 181.05.18.609 | Шкив | |
| 26 | 8Т 65Г 019 ГОСТ 6402-70 | Шайба | |
| 27 | С.8х1,4.01.019 ГОСТ 11371-78 | Шайба | |
| 28 | 101.05.07.105 | Шкив | |
| 29 | 8x7x63 ГОСТ 23360-78 | Шпонка | |
| 30 | 181.05.00.631 | Вал | |
| 31 | 1726205-2RS1 | Подшипник | |
| 32 | 8x7x56 ГОСТ 23360-78 | Шпонка | |
| 33 | 181.05.00.629 | Вал | |
| 34 | 181.05.00.350 | Вентилятор | |
| 35 | С.10.01.019 ГОСТ 11371-78 | Шайба | |
| 36 | 181.05.02.620 | Тяга | |
| 37 | 3,2x16.019 ГОСТ 397-79 | Шплинт | |
| 38 | М10-6H.6.019 ГОСТ 5915-70 | Гайка | |
| 39 | М6-6H.6.019 ГОСТ 5915-70 | Гайка | |
| 40 | 6Т 65Г 019 ГОСТ 6402-70 | Шайба | |
| 41 | C 6х1,4.01.019 ГОСТ 6958-78 | Шайба | |
| 42 | 181.05.00.490 | Опора | |
| 43 | YET 205 | Подшипник | |
| 44 | М8х25.46.019 ГОСТ 7802-81 | Болт | |
| 45 | PFD52 | Корпус подшипника | |
| 46 | 1401.05.18.609 | Шкив | |
| 47 | 101.05.00.005 | Улитка | |
| 48 | С.6х1,4.01.019 ГОСТ 11371-78 | Шайба | |
| 49 | М6-6gx20.48.019 ГОСТ 7798-70 | Болт | |
| 50 | 101.05.00.009-01 | Уплотнитель | |
| 51 | РСМ-10Б.01.06.408А | Шайба | |
| 52 | РСМ-10.05.00.033А | Амортизатор | |
| 53 | 2x14.019 ГОСТ 397-79 | Шплинт | |
| 54 | С.8.01.019 ГОСТ 11371-78 | Шайба | |
| 55 | 181.05.04.603 | Тяга | |
| 56 | 181.05.04.750 | Устройство натяжное | |
| 57 | РСМ 6201382 2-HB 2075 La Ausf.05 Optibelt | Ремень | |
| 58 | 6-8 b12x30.35.Ц9.хр ГОСТ 9650-80 | Ось | |
| 59 | М12-6gx30.88.35.019 ГОСТ 7798-70 | Болт | |
| 60 | 54-30065А | Вилка | |
| 61 | С.12.01.019 ГОСТ 11371-78 | Шайба | |
| 62 | РСМ 6201405 17х1422 Li Ausf.05 Optibelt | Ремень |
Содержащиеся в справочниках-каталогах запасные части и детали не предлагаются к продаже, а носят исключительно информационный характер