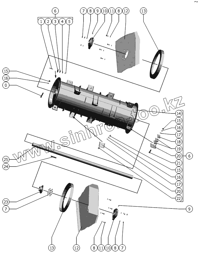
Каталог запасных частей к технике: РСМ-181 "Torum-740" (вариант). Битер приемный
1
2
3
4
5
6
6
7
7
7
8
8
8
8
9
9
10
10
11
11
12
12
12
13
13
14
15
15
15
16
16
16
17
17
18
19
20
20
21
22
23
24
25
26
| Позиция на иллюстрации | Заводской номер детали | Название детали | |
|---|---|---|---|
| 1 | М8-6gx40.88.35 ГОСТ 7798-70 | Болт | |
| 2 | 181.03.02.501-02 | Груз балансировочный | |
| 3 | 181.03.02.501-01 | Груз балансировочный | |
| 4 | 181.03.02.501 | Груз балансировочный | |
| 5 | М8-6H.6 ГОСТ 5915-70 | Гайка | |
| 6 | 181.03.03.000 | Битер верхний | |
| 7 | М10-6H.6.019 ГОСТ 5915-70 | Гайка | |
| 8 | 10Т 65Г 019 ГОСТ 6402-70 | Шайба | |
| 9 | 1.2.Ц6. хр ГОСТ 19853-74 | Маслёнка | |
| 10 | Н.027.01.080-02 | Опора | |
| 11 | М10-6gx25.88.35.019 ГОСТ 7798-70 | Болт | |
| 12 | 181.03.11.000A | Каркас | |
| 12 | 181.03.11.000A-01 | Каркас | |
| 13 | 181.03.00.060 | Кожух | |
| 14 | 181.03.03.010 | Битер | |
| 15 | М12-6H.6.019 ГОСТ 5915-70 | Гайка | |
| 16 | 12Т 65Г 019 ГОСТ 6402-70 | Шайба | |
| 17 | С.12х2.01.019 ГОСТ 11371-78 | Шайба | |
| 18 | 181.03.02.407 | Груз балансировочный | |
| 19 | 181.03.02.407-01 | Груз балансировочный | |
| 20 | 181.03.03.406 | Накладка | |
| 21 | М12х55.46.019 ГОСТ 7802-81 | Болт | |
| 22 | М12х30.46.019 ГОСТ 7802-81 | Болт | |
| 23 | 181.03.10.605 | Фланец | |
| 24 | 14x9x80 ГОСТ 23360-78 | Шпонка | |
| 25 | 181.03.00.601 | Вал | |
| 26 | М12-6gx75.88.35.019 ГОСТ 7798-70 | Болт |
Содержащиеся в справочниках-каталогах запасные части и детали не предлагаются к продаже, а носят исключительно информационный характер