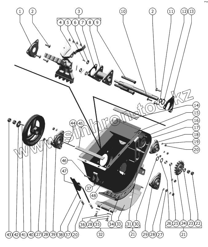
Каталог запасных частей к технике: РСМ-142 "Acros" вариант. Устройство домолачивающее
1
2
2
3
4
5
6
7
8
9
10
11
12
13
14
15
16
17
18
19
20
20
21
21
22
23
24
25
26
27
27
28
28
28
29
30
31
32
33
34
35
36
37
37
38
39
40
41
42
43
44
45
46
47
48
| Позиция на иллюстрации | Заводской номер детали | Название детали | |
|---|---|---|---|
| 1 | Н.166.205 | Крышка подшипника | |
| 2 | М10х35.46.019 ГОСТ 7802-81 | Болт | |
| 3 | РСМ-10.01.39.020А | Ротор домолачивающего устройства | |
| 4 | РСМ-10.01.39.101 | Лопасть или РСМ-10.01.39.203Г | |
| 5 | 4x28.019 ГОСТ 397-79 | Шплинт | |
| 6 | С.16.01.019 ГОСТ 11371-78 | Шайба | |
| 7 | РСМ--10.01.39.403 | Шайба стопорная | |
| 8 | РСМ-10.01.39.090 | Крестовина | |
| 9 | РСМ-10.01.39.602 | Ось | |
| 10 | РСМ-10.01.39.601 | Вал | |
| 11 | C30 ГОСТ 13942-86 | Кольцо | |
| 12 | С.30х2.01.019 ГОСТ 11371-78 | Шайба | |
| 13 | РСМ-10.01.39.406 | Крышка подшипника | |
| 14 | РСМ-10Б.01.08.001-01 | Прокладка | |
| 15 | 145.30.07.010 | Корпус | |
| 16 | М8х30.46.019 ГОСТ 7802-81 | Болт | |
| 17 | Н. 166.203 | Крышка подшипника | |
| 18 | Н.027.01.030 | Опора | |
| 19 | 8Т 65Г 019 ГОСТ 6402-70 | Шайба | |
| 20 | М8-6H.6.019 ГОСТ 5915-70 | Гайка М8-6H.6.019 ГОСТ 5915-70 | |
| 21 | 54-0-52 | Звездочка натяжная | |
| 22 | М14-6Н.6.019 ГОСТ 5915-70 | Гайка | |
| 23 | С.14х3.01.019 ГОСТ 11371-78 | Шайба | |
| 24 | 54-2-48-1 | Звездочка z=17 t=19,05 | |
| 25 | 80440 | Втулка или 54-00781 | |
| 26 | С20х1.01.019 ГОСТ 10450-78 | Шайба | |
| 27 | М10-6H.6.019 ГОСТ 5915-70 | Гайка | |
| 28 | 10Т 65Г 019 ГОСТ 6402-70 | Шайба | |
| 29 | Н.027.01.040 | Опора (для комбайнов с копнителем) | |
| 30 | С20х2.01.019 ГОСТ 10450-78 | Шайба | |
| 31 | 44-60219Б | Ось | |
| 32 | РСМ-10.01.39.202Б | Дека | |
| 33 | РСМ-10.01.39.120 | Обечайка | |
| 34 | РСМ-10.01.39.100А | Дека | |
| 35 | М10-6gх20.88.35.019 ГОСТ 7798-70 | Болт | |
| 36 | С 10х3.01.019 ГОСТ 6958-78 | Шайба | |
| 37 | С.8х1,4.01.019 ГОСТ 11371-78 | Шайба | |
| 38 | РСМ-10.01.50.606 | Вилка | |
| 39 | Н.027.01.050 | Опора подшипника | |
| 40 | РСМ-10.01.39.1 | Шкив | |
| 41 | 8x7x36 ГОСТ 23360-78 | Шпонка | |
| 42 | C 16х3,9.01.019 ГОСТ 6958-78 | Шайба | |
| 43 | М16х1,5-6H.6.019 ГОСТ 5915-70 | Гайка | |
| 44 | 8x7x100 ГОСТ 23360-78 | Шпонка | |
| 45 | РСМ-10Б.01.08.001-02 | Прокладка | |
| 46 | 6-8 b12x50.35.Ц9.хр ГОСТ 9650-80 | Ось | |
| 47 | РСМ-10.01.50.442А | Рукоятка | |
| 48 | 2x16.019 ГОСТ 397-79 | Шплинт |
Содержащиеся в справочниках-каталогах запасные части и детали не предлагаются к продаже, а носят исключительно информационный характер