Вернуться на главную
Поиск
Каталоги запчастей к технике
Сельхозтехника
РСМ
РСМ-142 "Acros" вариант
Секция молотильная
Каталог запасных частей к технике: РСМ-142 "Acros" вариант. Секция молотильная
zoom-in
zoom-out
enlarge
shrink
circle-right
circle-left
file-text2
info
cart
Тип техники
Не выбрано
Легковые автомобили
Грузовые автомобили и прицепы
Автобусы
Сельхозтехника
Спецтехника
Двигатели
Мототехника
Марка
Не выбрано
AGCO
Amity
CASE IH
DongFeng
Fortschritt
Foton
Franz Kleine
Gaspardo
Great Plains
KRONE
KUHN
Lemken
Lovol
MacDon
Massey Ferguson
New Holland
TIGARBO
Vaderstad
Versatile
Wirax
Агро
Агротехмаш
Бобруйскагромаш (ОАО «УКХ «Бобруйскагромаш»)
БЭМЗ
ВгТЗ
Воронежсельмаш
ВТЗ
Гомсельмаш
ДКЗ
ЗАО "Техника-сервис"
ЗиД
КЗК
Кировец-Ландтехник
Клевер
Красная Звезда
Лидагропроммаш
Лидсельмаш
ЛТЗ
Машстройхолдинг
Минитракторы
Мордовагромаш
МТЗ
Навигатор-Новое машиностроение
Нефтекамский автозавод
ПТЗ
Ремком
РСМ
Сибсельмаш
ТеКЗ
ТКЗ
ХЗТСШ
ХТЗ
ЮМЗ
Модель
Не выбрано
CK-5М-1 «Нива»
CK-5М-1 «Нива» (2002)
Vector-450 (Часть 1) (2018)
Vector-450 (Часть 2) (2018)
Дон (общий каталог)
Дон 1200
Дон 1200Б
Дон 1500А
Дон 1500Б
Жатка 3518050-12010 (2020)
Жатка S300.27 (2020)
Жатка ЖЗТ-9 (2020)
Жатка ЖКС (2020)
Жатка ЖСУ-700 (2020)
Жатка ЖСУ-703 (2020)
Жатка РСМ-081.27 (2010)
Жатка РСМ-081.27 (2020)
Жатка РСМ-081.27 (вариант) (2010)
Жатка РСМ-100.70, 1401.70 (2007)
Жатка РСМ-161.27 (2020)
Платформа-подборщик РСМ-081.08 (2020)
Платформа-подборщик РСМ-091.08 (2020)
ППК-81 Argus (2020)
РСМ 2375 (2020)
РСМ-100 (Дон-680) (2002)
РСМ-100 (Дон-680М) (2010)
РСМ-101 "Вектор" (2010)
РСМ-101 "Вектор" (вариант) (2010)
РСМ-10Б "Дон-1500Б" (2006)
РСМ-1401 (2009)
РСМ-142 "Acros" (2010)
РСМ-142 "Acros" вариант (2010)
РСМ-142 (Acros-550) (2020)
РСМ-152 "Acros-590/595 Plus" Часть 1 (2020)
РСМ-152 "Acros-590/595 Plus" Часть 2 (2020)
РСМ-161 (Часть 1) (2015)
РСМ-161 (Часть 2) (2015)
РСМ-181 "Torum-740" (2010)
РСМ-181 "Torum-740" (вариант) (2010)
Стол рапсовый RSM001.00.000К (2020)
Тележка для перевозки жатки РСМ-142.29 (2020)
Тележка РСМ-142.29 (2009)
Тележка транспортная ТТ-4000 (2020)
Энергосредство ЭС-1 (2009)
Схема
>
Не выбрано
Камера наклонная
Шасси
Колесо ведущее
Секция молотильная
Секция молотильная
Площадка входа
Ограждение
Механизм поворота лестницы
Элеватор зерновой
Элеватор зерновой
Элеватор колосовой
Элеватор колосовой
Рабочее место
Рабочее место
Рабочее место
Рабочее место
Рабочее место
Опора кабины передняя
Опора кабины задняя
Коммуникации управления тормозами
Бункер
Шнек выгрузной
Установка моторная (двигатель 6СТА8.3)
Установка моторная (двигатель ЯМЗ)
Система питания воздухом двигателя ЯМЗ
Предочиститель инерционный
Установка моторная (двигатель QSC8,3-275)
Система питания воздухом двигателя Cummins
Установка глушителя
Установка фильтров воздушных
Измельчитель-разбрасыватель
Привод измельчителя
Устройство натяжное
Механизм натяжения
Система ГСТ фирмы Danfoss
Система ГСТ фирмы Linde
Система ГСТ фирмы Eaton
Основная гидросистема с гидравликой фирмы Елец
Основная гидросистема с гидравликой фирмы Bucher
Система рулевого управления
Система привода мотовила
Гидроцилиндр
Капот (двигатель Cummins 6СТА8,3)
Капот (двигатель Cummins QSC8,3)
Капот (двигатель ЯМЗ-236БК)
Капот
Капот
Капоты (правая сторона)
Щит
Капоты (левая сторона)
Щит
Капоты (задняя часть)
Установка бачка расширительного (ЯМЗ)
Установка бачка расширительного (Cummins 6СТА8,3)
Установка бачка расширительного (Cummins QSC8,3)
Установка светосигнальных приборов
Схема ременных и цепных передач комбайна (левая сторона)
Схема ременных и цепных передач комбайна (правая сторона)
Рычаг натяжной
Система питания воздухом двигателя ЯМЗ и система выхлопа отработавших газов
Рама
Трубопровод
Крепление блока радиаторов и воздухозаборника
Опора и кронштейн
Блок радиаторов
Воздухозаборник
Тандем насосов
Насос аксиально-поршневой
Насос аксиально-поршневой
Шкив
Рама
Трубопровод
Крепление блока радиаторов и воздухозаборника
Опора и кронштейн
Блок радиаторов
Воздухозаборник
Тандем насосов
Насос аксиально-поршневой
Насос аксиально-поршневой
Насос аксиально-поршневой
Насос аксиально-поршневой
Пневмосистема двигателя ЯМЗ
Рама
Трубопровод
Крепление блока радиаторов и воздухозаборника
Опора и кронштейн
Блок радиаторов
Воздухозаборник
Тандем насосов
Насос аксиально-поршневой
Насос аксиально-поршневой
Шкив натяжной. Натяжник
Битер
Вал верхний
Транспортер цепной
Гидромотор. Труба с роликами
Установка рамки
Рама
Стан решетный
Решето
Щиток и стан решета
Доска транспортирующая
Доска стрясная
Вентилятор
Контрпривод вентилятора
Блок шнеков
Рукоятка
Привод очистки
Рычаг
Рычаг
Подвеска
Подвеска
Мост управляемых колес
Мост ведущих колес
Мост ведущих колес
Мост ведущих колес
Механизм управления коробкой передач
Решето верхнее
Борт
Удлинитель
Крылач вентилятора
Шкив вариатора ведомый
Фланцы
Кожух и уплотнитель
Колесо управляемое
Колесо управляемое
Гидромотор фирмы "Данфос"
Гидромотор "Линде"
Гидромотор "Еатон"
Рычаг
Установка силового привода
Блок молотильный
Блок молотильный
Механизм подъема подбарабанья
Площадка входа
Панель
Механизм подъема подбарабанья
Панель правая
Барабан молотильный
Барабан с редуктором
Барабан с редуктором
Подбарабанье
Шкив вариатора ведущий
Вал торсиона
Битер отбойный
Бич левый
Бич правый
Вариатор барабана
Вариатор барабана
Гидрораспределитель
Гидрораспределитель
Механизм сигнализации положения наклонной камеры
Гидроблоки
Крыша
Крыша
Панель левая
Панель правая
Установка бака топливного
Бак топливный
Ролик
Шкив натяжной
Ролик
Ролик
Ролик
Ролик
Шкив натяжной
Контр привод
Контр привод
Установка гидробака
Ферма
Ложемент
Устройство домолачивающее
Соломотряс
Коленчатые валы соломотряса
Экран
Крепление крышки охладителя
Крышка
Дверь
Дверь
Колонка рулевая
Колонка рулевая
Пульт управления
Пульт управления
Крепление троса дистанционного управления 172-L-TT-50-1500
Рычаг управления движением
Рычаг
Рычаг стояночного тормоза
Рычаги
Блок педалей
Отопитель
Сиденье
Стороение верхнее
Основание
Секция крыши
Секция крыши
Панель передняя
Рычаг
Колено
Кожух шнека
Дно
Шнек наклонный
Элеватор зерновой
Редуктор
Ось
Шнек
Шнек выгрузной
Блок измельчителя
Разбрасыватель
Щиток
Противорез
Общий вид комбайна зерноуборочного самоходного
Схема деления комбайна на составные части
Схема деления комбайна на составные части
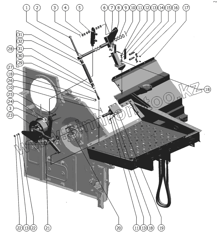
1
2
3
3
4
5
6
7
8
9
10
10
11
11
12
13
13
13
14
15
16
17
18
18
18
19
20
21
22
22
23
24
25
26
27
28
29
30
31
31
32
Позиция на иллюстрации
Заводской номер детали
Название детали
1
142.01.22.621
Ось
2
142.01.22.260
Болт натяжной
3
4х25.019 ГОСТ397-79
Шплинт
4
С.14Х3.01.019 ГОСТ11371-78
Шайба
5
142.09.31.200
Гидроцилиндр
6
142.01.22.270
Кронштейн
7
М8-6Н.6.019 ГОСТ5915-70
Гайка
8
8Т.65Г.019 ГОСТ6402-70
Шайба
9
101.06.13.421
Шайба
10
5х45.019 ГОСТ 397-79
Шплинт
11
М12-6gх30.88.35.019 ГОСТ7798-70
Болт
12
РСМ-10.05.09.002
Прокладка
13
12Т 65Г 019 ГОСТ6402-70
Шайба
14
ДП-01 ЮГИШ.423149.001 ЮГИШ.420124.001ТУ
Датчик положения ДП-01 ЮГИШ.423149.001 ЮГИШ.420124.001ТУ
15
РСМ-10.09.01.409
Скоба I-20.18.26.9
16
М8-6gх16.88.35.019 ГОСТ7798-10
Болт
17
142.07.00.000
Площадка входа
18
С.12.01.019 ГОСТ11371-78
Шайба
19
142.01.22.240
Опора
20
142.01.22.624
Поддержка
21
С 30х3,9.01.019 ГОСТ 10450-78
Шайба
22
М12-6Н.6.019 ГОСТ5915-70
Гайка
23
142.01.22.330
Рычаг
24
С14х3.01.019 ГОСТ11371-78
Шайба
25
142.01.22.606
Ось
26
3,2х25.019 ГОСТ397-79
Шплинт
27
145.15.00.000
Блок молотильный
28
142.01.22.030
Пружина
29
142.01.22.613
Палец
30
М16-6Н.04.019 ГОСТ5916-70
Гайка
31
РСМ-10.01.22.307
Пробка
32
РСМ-10.01.22.613
Пружина
Содержащиеся в справочниках-каталогах запасные части и детали не предлагаются к продаже, а носят исключительно информационный характер
Дополнительная информация
×
Название:
Номер:
Примечание: