Каталог запасных частей к технике: РСМ-142 "Acros" вариант. Рама
1
1
2
2
3
4
5
5
5
6
6
7
7
8
8
8
8
9
9
9
9
10
11
12
13
13
13
13
14
15
16
16
17
18
19
20
20
21
22
23
23
23
24
25
25
26
26
27
28
29
29
29
29
29
30
31
32
33
34
35
36
37
38
38
39
40
41
42
42
43
44
44
45
46
47
48
49
50
51
52
53
54
55
56
56
57
58
58
59
60
60
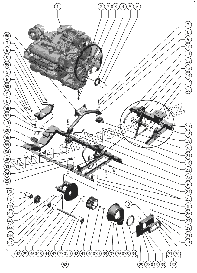
| Позиция на иллюстрации | Заводской номер детали | Название детали | |
|---|---|---|---|
| 1 | ЯМЗ-236БК-4 по ТУ 37.319.298-2005 | Двигатель | |
| 1 | ЯМЗ-236БК-3 по ТУ 37.319.298-2005 | Двигатель | |
| 2 | 00274А | Прокладка | |
| 3 | РСМ-10Б.06.00.601 | Болт специальный | |
| 4 | 101.05.00.520 | Диск | |
| 5 | 10Т 65Г 019 ГОСТ 6402-70 | Шайба | |
| 6 | М10-6gx30.88.35.019 ГОСТ 7798-70 | Болт | |
| 7 | М16-6gx55.88.35.019 ГОСТ 7798-70 | Болт | |
| 8 | 16Т 65Г 019 ГОСТ 6402-70 | Шайба | |
| 9 | С.16.01.019 ГОСТ 11371-78 | Шайба | |
| 10 | М12-6gx30.88.35.019 ГОСТ 7798-70 | Болт | |
| 11 | РСМ 6201028 B/17 1360Lp Ausf4400 Optibelt | Ремень | |
| 12 | 2x14.019 ГОСТ 397-79 | Шплинт | |
| 13 | С.8х1,4.01.019 ГОСТ 11371-78 | Шайба | |
| 14 | 101.05.07.750 | Устройство натяжное | |
| 15 | 101.05.00.970 | Кронштейн | |
| 16 | 6-8 b12x30.35.Ц9.хр ГОСТ 9650-80 | Ось | |
| 17 | М12-6H.6.019 ГОСТ 5915-70 | Гайка | |
| 18 | С.12х2.01.019 ГОСТ 11371-78 | Шайба | |
| 19 | М12-6gx70.88.35.019 ГОСТ 7798-70 | Болт | |
| 20 | РСМ-10.05.00.900 | Амортизатор | |
| 21 | 12Т 65Г 019 ГОСТ 6402-70 | Шайба | |
| 22 | 142.05.00.535 | Кронштейн | |
| 23 | М8-6H.6.019 ГОСТ 5915-70 | Гайка М8-6H.6.019 ГОСТ 5915-70 | |
| 24 | ПрП-1М 17МО.082.021 ТУ | Преобразователь первичный, комплектация I | |
| 25 | C 10.01.019 ГОСТ 6958-78 | Шайба | |
| 26 | М10-6H.6.019 ГОСТ 5915-70 | Гайка | |
| 27 | М8х20.46.019 ГОСТ 7802-81 | Болт | |
| 28 | М8-6gx20.88.35.019 ГОСТ 7798-70 | Болт | |
| 29 | 8Т 65Г 019 ГОСТ 6402-70 | Шайба | |
| 30 | 101.05.00.540 | Крышка | |
| 31 | М8-6H.019 ТУ23.1.504-91 | Гайка | |
| 32 | 101.05.00.470 | Крышка | |
| 33 | C 12.01.019 ГОСТ 10450-78 | Шайба | |
| 34 | 101.05.00.009-01 | Уплотнитель | |
| 35 | У 101.05.07.560 | Улитка | |
| 36 | М6-6H.6.019 ГОСТ 5915-70 | Гайка | |
| 37 | 6Т 65Г 019 ГОСТ 6402-70 | Шайба | |
| 38 | С.6х1,4.01.019 ГОСТ 11371-78 | Шайба | |
| 39 | М20х1,5-6H.6.019 ГОСТ 5915-70 | Гайка | |
| 40 | С.20х3,9.01.019 ГОСТ 11371-78 | Шайба | |
| 41 | 101.05.07.460 | Ротор | |
| 42 | Н.027.01.020-04 | Опора | |
| 43 | 8x7x25 ГОСТ 23360-78 | Шпонка | |
| 44 | М8-6gx30.88.35.019 ГОСТ 7798-70 | Болт | |
| 45 | 101.05.07.629 | Вал | |
| 46 | 8x7x56 ГОСТ 23360-78 | Шпонка | |
| 47 | 101.05.07.390-01 | Опора | |
| 48 | М6-6gx20.48.019 ГОСТ 7798-70 | Болт | |
| 49 | 101.05.07.105 | Шкив | |
| 50 | 101.05.07.601 | Ступица | |
| 51 | М10-6gx35.88.35.019 ГОСТ 7798-70 | Болт | |
| 52 | 101.05.07.350-01 | Вентилятор | |
| 53 | РСМ-10.05.00.033А | Амортизатор | |
| 54 | С.12х3.01.019 ГОСТ 11371-78 | Шайба | |
| 55 | 101.00.23.002 | Втулка | |
| 56 | 142.05.00.110-01 | Рама | |
| 56 | 142.05.00.110 | Рама | |
| 57 | М8-6gx25.88.35.019 ГОСТ 7798-70 | Болт | |
| 58 | М16-6gx35.88.35.019 ГОСТ 7798-70 | Болт | |
| 59 | 142.05.00.160 | Опора | |
| 60 | 142.05.00.180-01 | Опора | |
| 60 | 142.05.00.180 | Опора |
Содержащиеся в справочниках-каталогах запасные части и детали не предлагаются к продаже, а носят исключительно информационный характер